Engine will not crank

2011 GMC TERRAIN
151,000 MILES • 2.4L • 4 CYL • 4WD • AUTOMATIC
Avatar
BLAINEP3
  • MEMBER
  • 4 POSTS
Replaced my 2011 LAF engine that threw a rod with another 35,000 miles 2011 LAF engine and I can't get it to crank.

This is an extra car and I did a nice slow and easy install and I was extremely systematic and thorough. The first thing I did was disconnect the battery and remove the ECM and put it in a safe place for the several week long job.

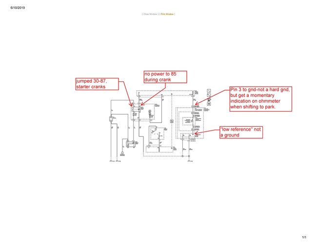
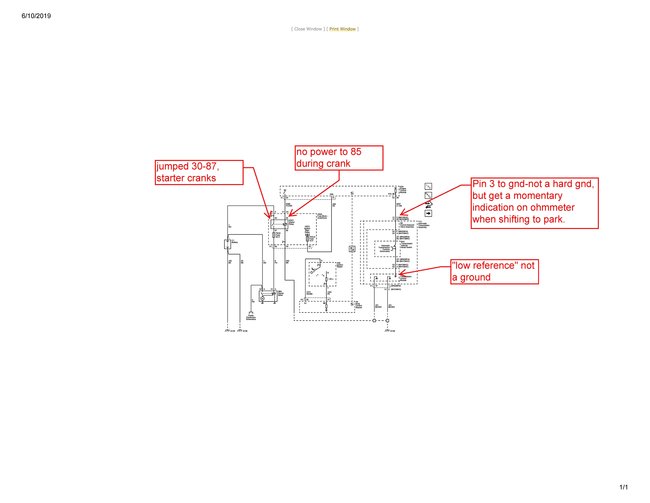
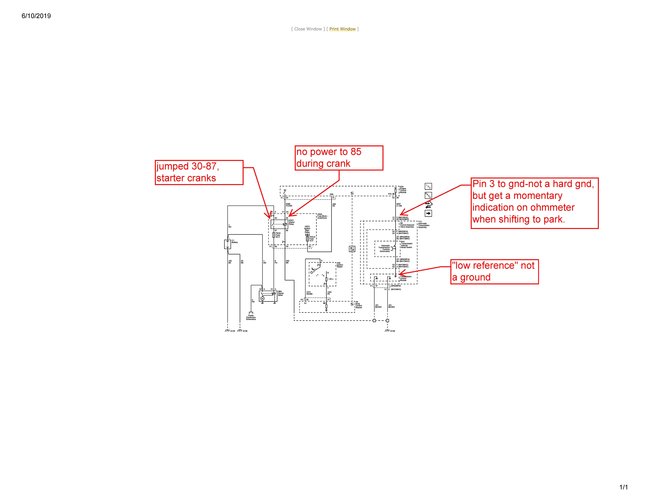
I'm not getting a signal to the starter relay from the ECM. I can jumper pins 30 and 87 on the starter relay and get it to crank, but not start. I have ohmed out the crank and cam position sensors from the ECM connector. The only thing I can't seem to verify is the low reference through the transmission internal mode switch. It does not show continuity when in park, but also does not seem open either. It always shows a momentary ohm reading and then quickly goes to open.

All of the sensors and the ECM are the same and there is no reason the ECM would know the engine has changed so I am pretty baffled as to why it wont crank.

I have checked all fuses and relays, rechecked all connectors, wiggled wires to no avail. I have 15 pages of wiring diagrams and am out of things to check.

Does anybody have any constructive ideas I may have not tried yet?
Jun 9, 2019 at 2:46 PM
Advertisement
Avatar
ASEMASTER6371
  • CERTIFIED EXPERT
  • 52,796 POSTS
Good afternoon,

The key most likely has forgotten the password for the security system.

I attached a guide to reset the key for learning the password. The fuel and spark are shut down when this happens.

https://www.2carpros.com/articles/how-to-reset-a-security-system

Roy
Jun 9, 2019 at 4:50 PM
Avatar
BLAINEP3
  • MEMBER
  • 4 POSTS
Yeah, I thought that might be it too, but I have tried all the reset measures to no avail. I don't get a security warning or light on my instrument panel. I get a fuel level low and then check Stabilitrak message. Sometimes I get a power steering message and All wheel drive off message, but it is not always the same.
Jun 9, 2019 at 7:22 PM
Advertisement
Avatar
ASEMASTER6371
  • CERTIFIED EXPERT
  • 52,796 POSTS
Okay, did you check for any codes? The security system may have locked it out.

Do you have power through the park/neutral switch?

Roy
Jun 10, 2019 at 3:59 AM
Avatar
BLAINEP3
  • MEMBER
  • 4 POSTS
I don't have a scanner to get codes and cannot be sure my neutral switch is good, but I think it is based on the indications from my meter. see attachment.
Jun 12, 2019 at 11:14 AM
Avatar
ASEMASTER6371
  • CERTIFIED EXPERT
  • 52,796 POSTS
Okay, check the fuse for cranking in the fuse block. The power for 85 comes from the fuse which comes from the ignition switch.

Roy
Jun 12, 2019 at 11:23 AM
Avatar
BLAINEP3
  • MEMBER
  • 4 POSTS
Checked all of the fuses twice. Ohmed each one out the second time.
Jun 12, 2019 at 12:38 PM
Avatar
ASEMASTER6371
  • CERTIFIED EXPERT
  • 52,796 POSTS
No, check for power at the crank fuse with the key in the start position. You need to check for voltage.

Roy
Jun 12, 2019 at 12:41 PM