Engine will not crank

2003 NISSAN PATHFINDER
166,000 MILES • 3.5L • V6 • 4WD • AUTOMATIC
Avatar
SPLITWINDOW
  • MEMBER
  • 1 POST
Location of starter relay.
Mar 6, 2018 at 4:40 AM
Advertisement
Avatar
STRAILER
  • CERTIFIED EXPERT
  • 53,854 POSTS
Hello,

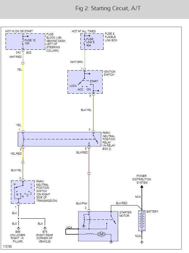
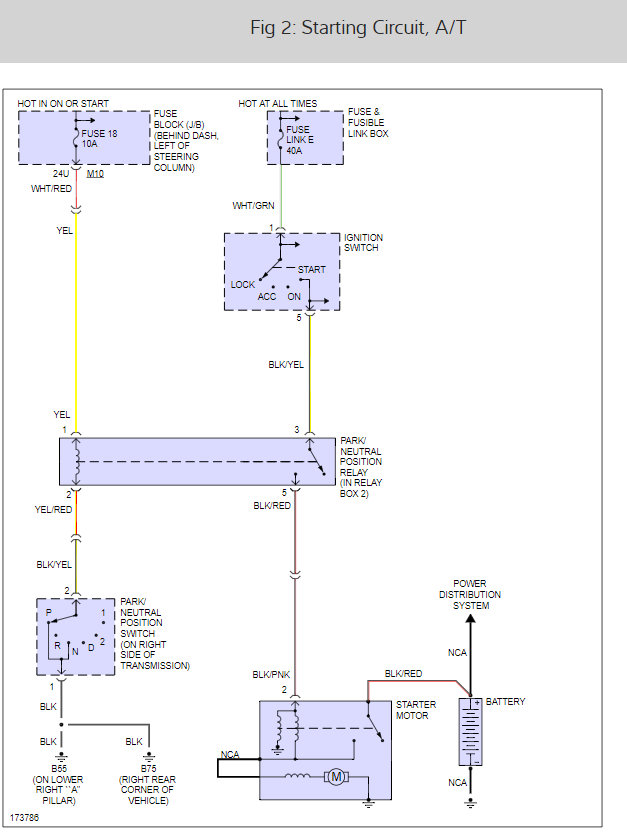
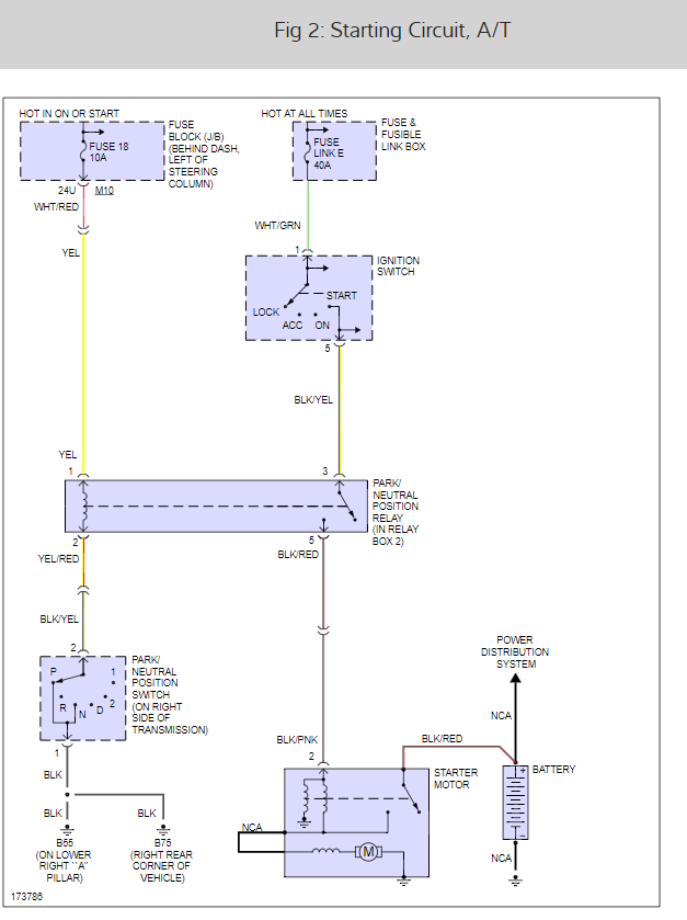
The starter relay is called a park neutral position relay. Here is a guide to help you test the relay once you find it:

https://www.2carpros.com/articles/how-to-check-an-electrical-relay-and-wiring-control-circuit

Below are the fuse panel and relay locations for the entire truck keep this page in your favorites for future reference. I includes the wiring for the starter as well.

Check out the diagrams (below).

Let us know what happens and please upload pictures or videos of the problem.

Cheers, Ken
Mar 7, 2018 at 1:55 PM
Avatar
PATENTED_REPAIR_PRO
  • CERTIFIED EXPERT
  • 1,853 POSTS
In relay box 2.
Mar 7, 2018 at 1:57 PM
Advertisement