Engine wiring diagram?

2014 MAZDA CX-5
245,360 MILES • 2.2L • 4 CYL • TURBO • 4WD • AUTOMATIC
Avatar
ANDRIN ATEM
  • MEMBER
  • 393 POSTS
Hi Ken, please could you help me with the engine wiring diagram. Some signals just don’t match. Car keeps reporting errors and after parts are replace it still complaints.

Please any wiring regarding this model, will go a long way.
Sep 16, 2025 at 8:25 AM
Advertisement
Avatar
STRAILER
  • CERTIFIED EXPERT
  • 53,854 POSTS
Hi Andrin,

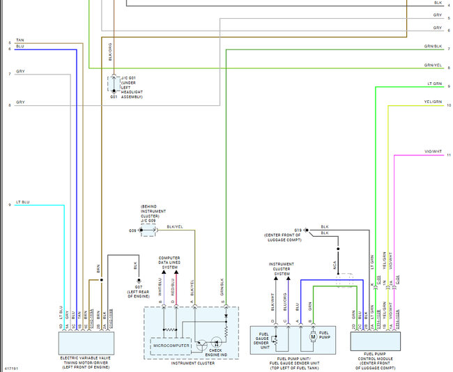
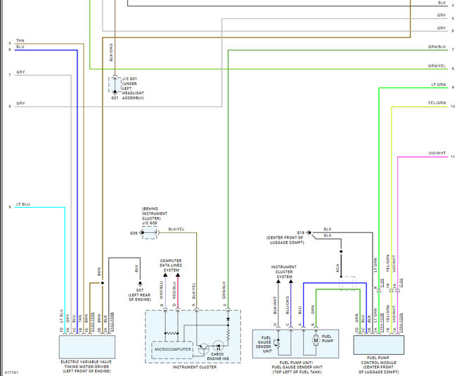
Yep, here are the engine wiring diagrams for the 2.0 liter as requested. Check out the images (below). Let us know what you find.



Sep 16, 2025 at 12:03 PM
Avatar
ANDRIN ATEM
  • MEMBER
  • 393 POSTS
Thank you.
Sep 16, 2025 at 1:41 PM
Advertisement
Avatar
STRAILER
  • CERTIFIED EXPERT
  • 53,854 POSTS
You are welcome, please use 2CarPros anytime.
Sep 16, 2025 at 4:47 PM
Avatar
ANDRIN ATEM
  • MEMBER
  • 393 POSTS
Hi Ken. This model is Diesel engine I need. It looks the diagram you sent to me is Petrol engine.
Sep 16, 2025 at 10:12 PM
Avatar
STRAILER
  • CERTIFIED EXPERT
  • 53,854 POSTS
They don't offer a diesel engine in the US, sorry.
Sep 17, 2025 at 8:31 AM