Engine wire harness diagram needed?

2017 NISSAN ALTIMA
140,000 MILES • 2.5L • 4 CYL • AUTOMATIC
Avatar
ARODRIGUEZ730
  • MEMBER
  • 6 POSTS
I need to replace the engine wire harness in my car listed above SV. Having a hard time finding a diagram for inserting the new harness.? Harness is part #20411-9HS3A
Sep 13, 2024 at 10:34 AM
Advertisement
Avatar
AL514
  • CERTIFIED EXPERT
  • 5,465 POSTS
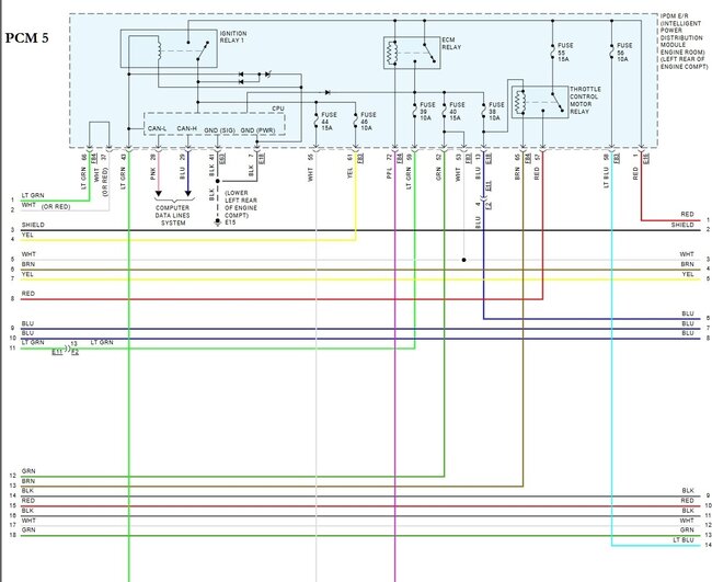
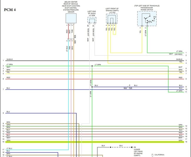
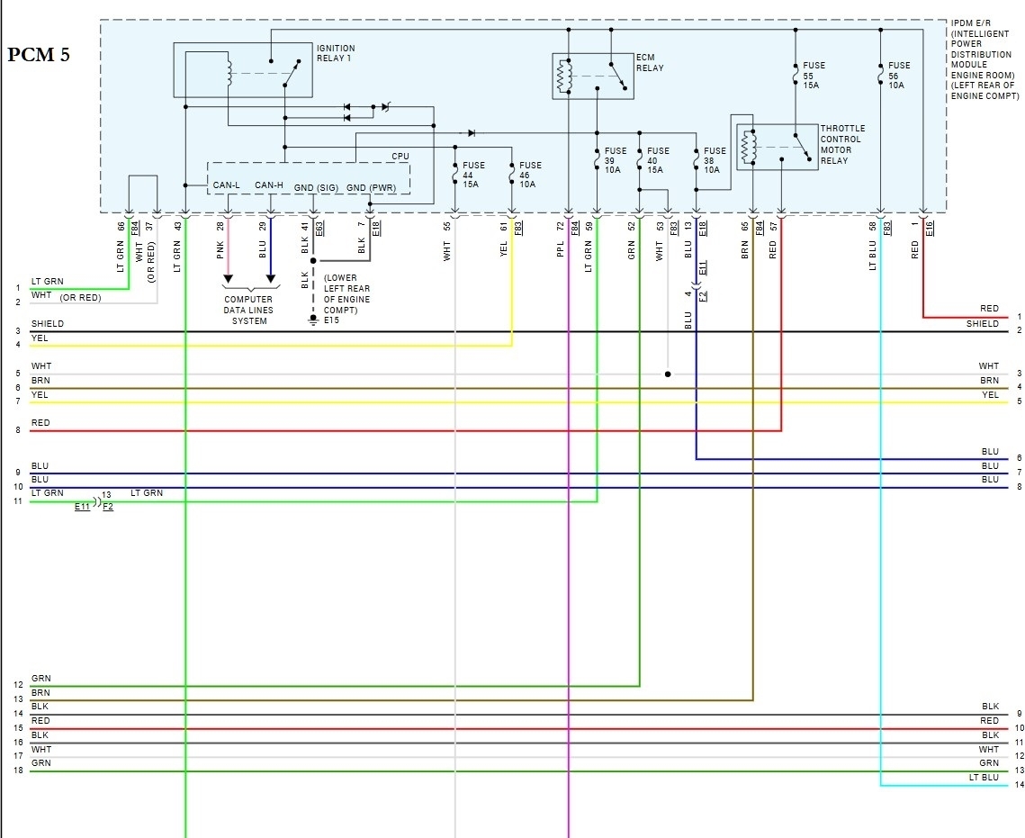
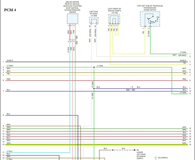
Hello, are you looking for the PCM and sensor section of the wiring harness? It looks like the PCM is located next to the battery.
Sep 14, 2024 at 5:18 PM
Avatar
AL514
  • CERTIFIED EXPERT
  • 5,465 POSTS
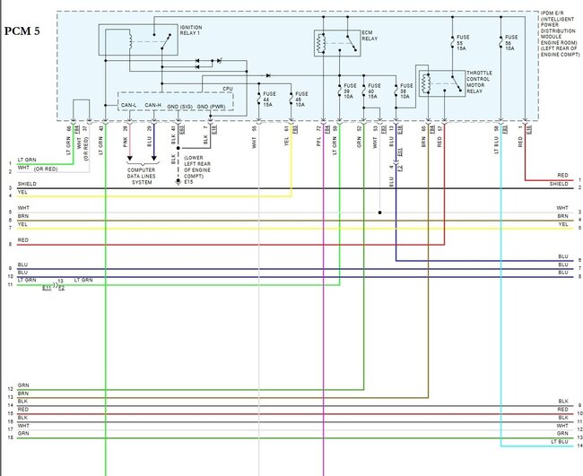
These are the PCM/ECM wire diagrams 1,2 top and bottom, etc. So they are zoomed in enough to see the wire labels. if you need other diagrams as well, just let us know.
Sep 14, 2024 at 6:07 PM
Advertisement