Engine will not start with anti-theft immobilizer code engaged?

2009 MITSUBISHI OUTLANDER
174,000 MILES • 2.4L • 4 CYL • 4WD • AUTOMATIC
Avatar
YOUNGBLOOD1999
  • MEMBER
  • 17 POSTS
I need wiring diagram for a white rectangular plug-in harness that assembles on the end of the stabilizer control module on one end near steering column on right side. r FCC # ID OUCG8D-648M, Vin#JA4MT31W49ZOO7615.
Nov 11, 2022 at 9:27 AM
Advertisement
Avatar
YOUNGBLOOD1999
  • MEMBER
  • 17 POSTS
This is photo of black box for the vehicle listed above needing wiring diagram for a 12-pin rectangular white box assembling on upper end, right side of steering column.
Nov 11, 2022 at 9:32 AM
Avatar
STRAILER
  • CERTIFIED EXPERT
  • 53,854 POSTS
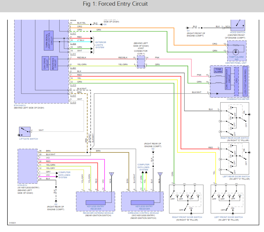
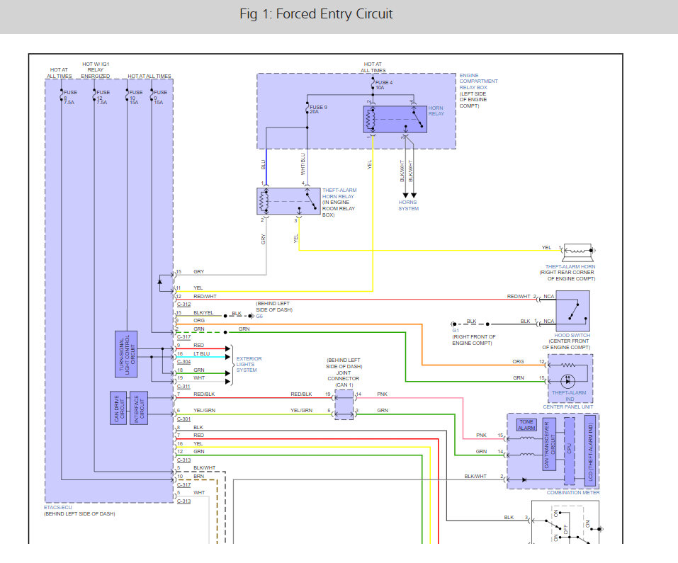
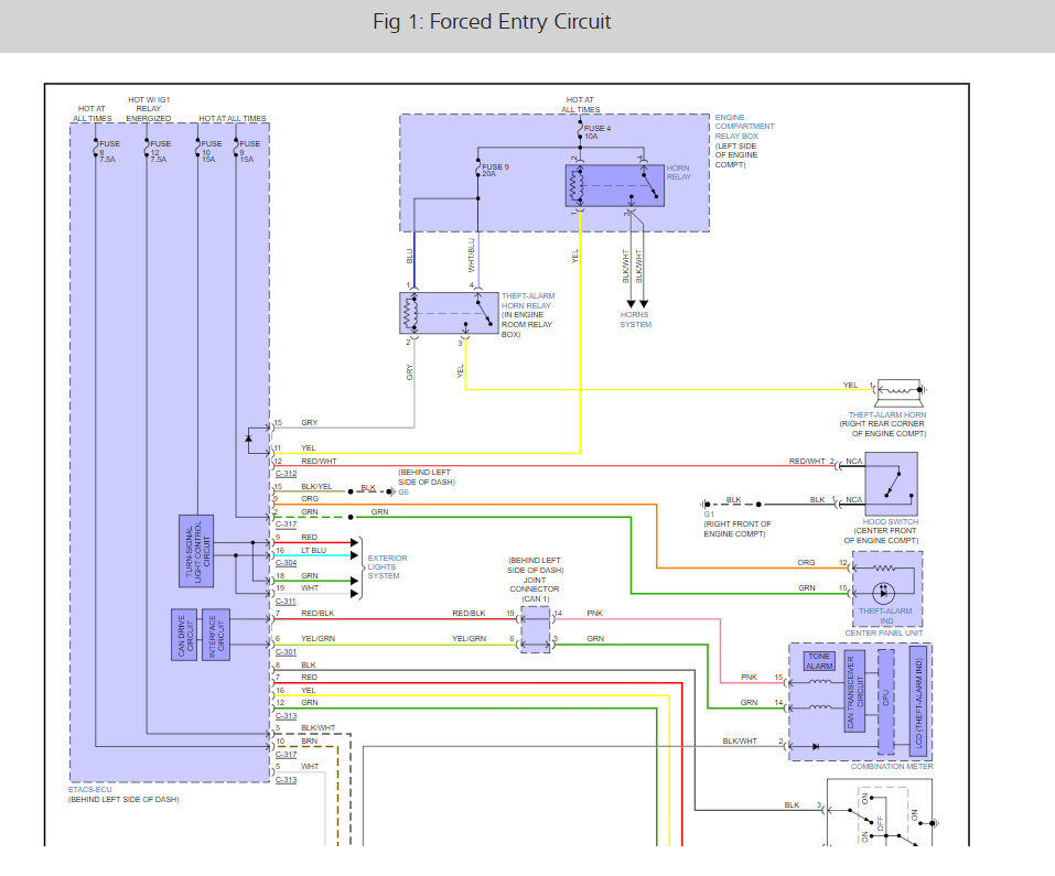
Here is the Immobilizer and forced enter control unit wiring diagrams and a guide to help you test the confections in case you need it.

https://www.2carpros.com/articles/how-to-check-wiring

Check out the images (below). Please let us know if you need anything else to get the problem fixed.


Nov 11, 2022 at 12:22 PM
Advertisement
Avatar
YOUNGBLOOD1999
  • MEMBER
  • 17 POSTS
Yes, and thanks so much to the website here at 2carpros.com . This automobile website is a 5 star stop with very quick response time. Thanks to all and have a very nice weekend!
Nov 11, 2022 at 12:29 PM
Avatar
STRAILER
  • CERTIFIED EXPERT
  • 53,854 POSTS
Good to hear, please use 2CarPros anytime we are here to help.
Nov 12, 2022 at 9:33 AM
Avatar
YOUNGBLOOD1999
  • MEMBER
  • 17 POSTS
There is a 12-pin white plug-in harness that I need wiring diagram with color coding that plugs into one end and upper right side assembling to immobilizer forced enter control module with photo sent earlier. The dealership has already informed me this white plug is obsolete and discontinued! I'm sending a photo of the 12 pin wiring but need wiring diagram for white box.
Nov 12, 2022 at 5:05 PM
Avatar
YOUNGBLOOD1999
  • MEMBER
  • 17 POSTS
This is photo of the white plug-in harness that assembles into anti-theft stabilizer control module, black box photo that I sent earlier. It's a 12 wire pin unit needing wiring diagram for.
Nov 12, 2022 at 5:10 PM
Avatar
STRAILER
  • CERTIFIED EXPERT
  • 53,854 POSTS
Can you check the wiring diagrams above to see if those will work for you? Also out of the 12 pins how many have wires in them?
Nov 14, 2022 at 9:56 AM
Avatar
YOUNGBLOOD1999
  • MEMBER
  • 17 POSTS
11 wires.
Nov 18, 2022 at 7:58 PM
Avatar
STRAILER
  • CERTIFIED EXPERT
  • 53,854 POSTS
Yep, it must be the ETACS-ECU but you may not have all of the options. It shows R FCC # ID OUCG8D-648M as the key entry system.
Nov 19, 2022 at 10:28 AM
Avatar
YOUNGBLOOD1999
  • MEMBER
  • 17 POSTS
This 2CarPros App has been very supportive with the exact response needed to enter clearing ECU immobilizer to reset and programming 2 transponder keys to be cut ! One unit with lock, unlock, and start simplifies a remote, fob, and emergency key with 3 team parlay.
Nov 19, 2022 at 11:30 AM
Avatar
STRAILER
  • CERTIFIED EXPERT
  • 53,854 POSTS
Good to hear, so did you get the problem fixed?
Nov 20, 2022 at 12:15 PM
Avatar
YOUNGBLOOD1999
  • MEMBER
  • 17 POSTS
It's ready for a locksmith to program and cut me two transponder keys from a donkey key with replacing lock cylinder and ECU control module and immobilizer ignition starter receiver! Damages done trying to steal the vehicle!
Nov 20, 2022 at 2:48 PM
Avatar
STRAILER
  • CERTIFIED EXPERT
  • 53,854 POSTS
Yep, when they try to steal the car, they can cause big issues.
Nov 21, 2022 at 10:17 AM
Avatar
YOUNGBLOOD1999
  • MEMBER
  • 17 POSTS
Can you obtain a four-digit key programming code from an FCC ID #?
Dec 2, 2022 at 1:50 PM
Avatar
STRAILER
  • CERTIFIED EXPERT
  • 53,854 POSTS
I believe you need to call the dealer for that.
Dec 3, 2022 at 11:03 AM
Avatar
YOUNGBLOOD1999
  • MEMBER
  • 17 POSTS
Ken, I have had my 2009 Mitsubishi outlander at Walker Mitsubishi and a dealership since Tuesday and the immobilizer receiver and ECU control module has been replaced along with the driver's door lock and a donkey key was provided with this unit which unlocks door and turns over ignition. The dealership tells me they need a 4-digit code number to program the key and telling me to obtain a locksmith! I've been without transportation for two months with this nightmare! What should I do?
Dec 3, 2022 at 11:33 AM
Avatar
JACOBANDNICKOLAS
  • CERTIFIED EXPERT
  • 110,175 POSTS
Hi,

I noticed you haven't been contacted for a couple of days. Have you been able to make any progress?

If you cannot remember the 4-digit security PIN, contact the Mitsubishi Connect Customer Care Center for assistance. Here is the phone number:

USA: 1-888-564-1411

Let me know if this helps.

Take care,

Joe
Dec 5, 2022 at 1:27 PM
Avatar
YOUNGBLOOD1999
  • MEMBER
  • 17 POSTS
Thanks for the contact number and starting to really wonder if this vehicle ends up being scrapped out because of such huge issues that I totally wasn't even aware of! For any and all automobile manufacturers who invented a 3-part, A remote B Key Fob C Emergency key and understand immobilizer disabling but took steps backwards closer to Cavemen reinventing the wheel! One key with Chip, computer board and replaceable battery okay. This 3 team parlay A B C 331/3 is one huge inconvenience as maybe it was Caveman group who invented this brainstorm!
Dec 5, 2022 at 2:00 PM
Avatar
YOUNGBLOOD1999
  • MEMBER
  • 17 POSTS
Dec 5, 2022 at 2:01 PM
Avatar
YOUNGBLOOD1999
  • MEMBER
  • 17 POSTS
I very well may be scrapping out the vehicle.
Dec 5, 2022 at 2:04 PM
Avatar
JACOBANDNICKOLAS
  • CERTIFIED EXPERT
  • 110,175 POSTS
Hi,

I understand. I would at least try to get the number. With any luck, it will take care of the issue. Things have changed. I'm just glad to know you weren't in the vehicle when it was taken.

If you change your mind, let me know. I'm interested in knowing if it is resolved.

Joe
Dec 5, 2022 at 2:33 PM
Avatar
YOUNGBLOOD1999
  • MEMBER
  • 17 POSTS
Thank you Joe and Walker Mitsubishi didn't give me 4-digit code your resources did, and I'll let this App know results no matter and 3-part 3 team parlay to start a darn vehicle is definitely scrapped with pages ripped from my playbook! In not even 13 short years ago that's the latest technology! Joe, I'm sorry but my 1968 327 motor Chevy Impala SS beat the brakes off of a locked out 4 popper and don't lose 331/3 of the pie or you will be renting a vehicle, calling friends for a ride to and from looking at this situation as complete retardation and obviously my mind affected! This nightmare refuses to end!
Dec 5, 2022 at 2:49 PM
Avatar
JACOBANDNICKOLAS
  • CERTIFIED EXPERT
  • 110,175 POSTS
Hi,

I'm glad you got the code. And I couldn't agree with you more. LOL You should try working on them on a regular basis. I'm surprised I still have five or six hairs on my head. LOL

Let me know how things turn out for you and also, let me know if I can help in any way.

Take care,

Joe
Dec 5, 2022 at 9:23 PM
Avatar
YOUNGBLOOD1999
  • MEMBER
  • 17 POSTS
I'm sorry and just a misunderstanding. I have dashboard lights power and key turning ignition lock cylinder, Locksmith is telling me that the immobilizer receiver ring that contains copper wiring around steering column is not functioning to receive radio signal. He says once this happened, he can obtain info for programming the key cutting for the transponder key. Why was this Walker Brothers Mitsubishi dealership so wrong with missing the knowledge that with claims of being a dealership obviously must be a weak one that I'd grade low ass nonsupport with no business in repairs in foreign car repair market as your 2CarPros blows their triple garage bay doors off. They're truly lost.
Dec 17, 2022 at 8:21 PM
Avatar
YOUNGBLOOD1999
  • MEMBER
  • 17 POSTS
I will openly admit I'm completely lost but with good instructions have enough common sense to trouble shoot I'd I can get some step processes tracking.
Dec 17, 2022 at 8:23 PM