no communication

2002 KIA RIO
300,000 MILES • 1.8L • 4 CYL • 2WD • MANUAL
Avatar
  • MEMBER
  • 1 POST
OBD scan tool reports only "error" nothing else!
Dec 22, 2020 at 12:40 PM
Advertisement
Avatar
JACOBANDNICKOLAS
  • CERTIFIED EXPERT
  • 110,175 POSTS
Hi,

Is there power to the scanner? Have you tried a different scanner? If it is only reading error, have you checked the wiring at the DLC?

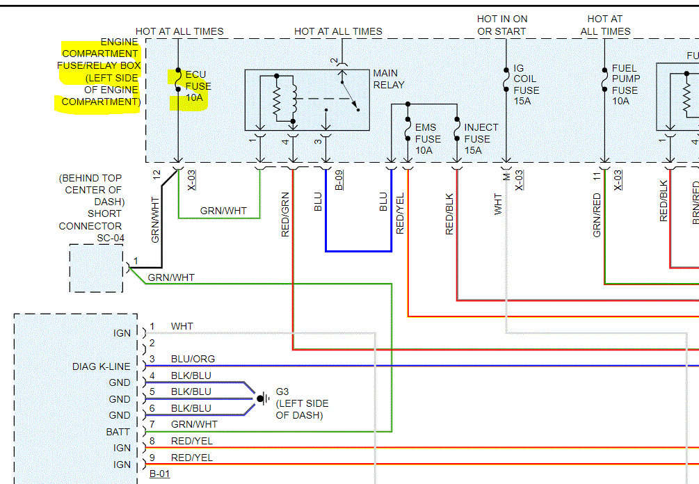
I attached a pic of the DLC below. Confirm power to pin 16 and ground to pins 4 and 5. Here is a link you may find helpful when checking wiring:

https://www.2carpros.com/articles/how-to-check-wiring

Also, make sure the ECU fuse isn't blown and has power. See pic 2.

Let me know.

Joe
Dec 22, 2020 at 7:46 PM
Avatar
  • MEMBER
  • 1 POST
With the ECU fuse removed, the scanner does not power up. with the ECU fuse replaced the scanner powers up, scans, and reports only "error".
Dec 23, 2020 at 1:36 PM
Advertisement
Avatar
JACOBANDNICKOLAS
  • CERTIFIED EXPERT
  • 110,175 POSTS
Hi,

There has to be a wiring issue. Check pin 7 (k-line) for damage or condition. If you look at pic 1, I highlighted the k line to the PCM. You will need to check it at the PCM as well. This is part of the CAN system. (computer area network). To test it requires a can scanner. Without one, you would need an oscilloscope. Check to see if the wiring at either end (DLC or PCM) is corroded or damaged.

Here is a link you may find helpful:

https://www.2carpros.com/articles/how-to-check-wiring

Let me know what you find.

Joe
Dec 23, 2020 at 11:29 PM