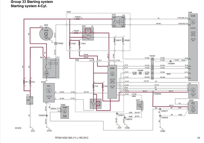
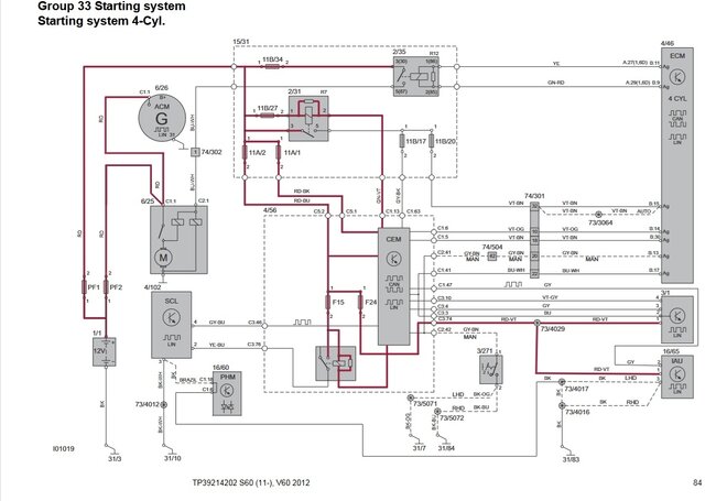
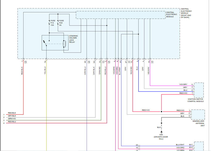
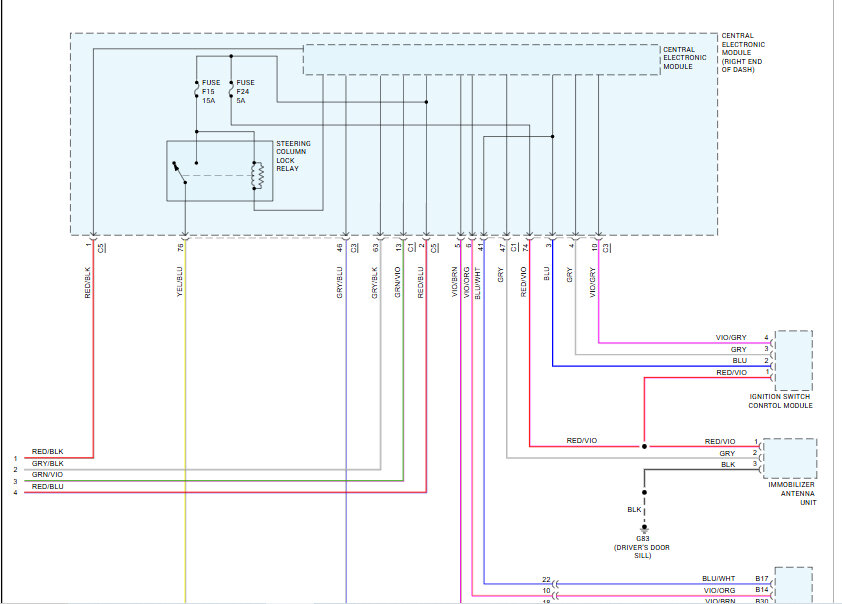
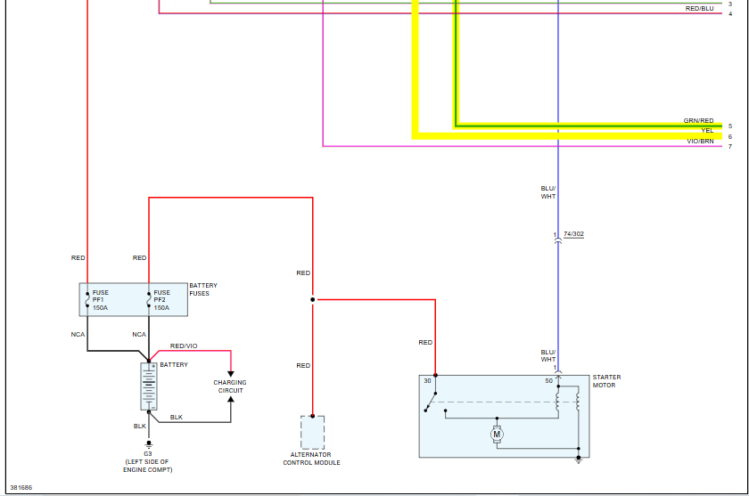
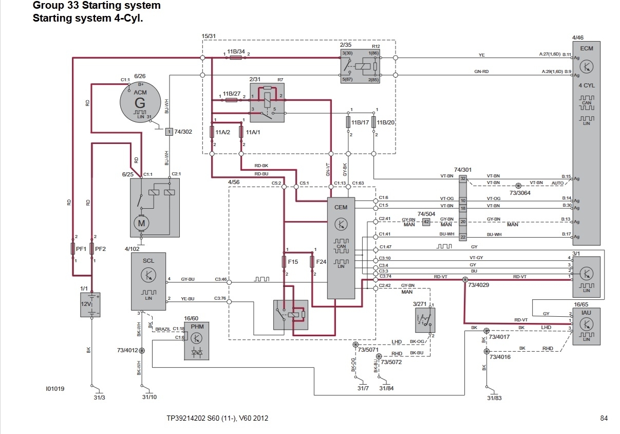
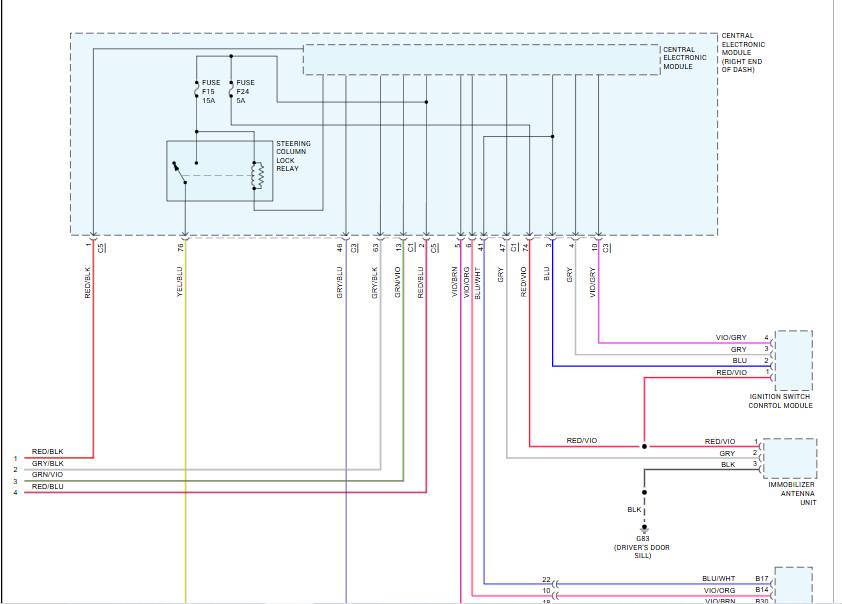
When depressing the brake pedal and pushing the start button, all I hear is a click. The battery is new. The relay is good. Need help. Also, no signal to starter when pressing start button. Attempted to send direct voltage to starter and just clicked. The engine is not locked. When I initially installed the starter, I sent direct voltage to starter solenoid and the engine turned. I have the same voltage from the battery wire to the starter. I am going to check signal going out of relay.
Dec 28, 2024 at 10:26 AM







