Engine misfire

2001 MERCEDES BENZ S600
155 MILES • 5.8L • V12 • 2WD • AUTOMATIC
Avatar
RAMZITH1
  • MEMBER
  • 70 POSTS
Started the car early morning the engine light came on and the engine vibrated, took the car to MB garage to check said right side cylinders not getting sparks, also the code which came on P0300 and 1,5,3,6,2,4.

Checked the right coil found it is sparking and working.

please help what to do?

Thanks

Ramzi
Apr 9, 2019 at 12:29 PM
Advertisement
Avatar
STRAILER
  • CERTIFIED EXPERT
  • 53,854 POSTS
Hello,

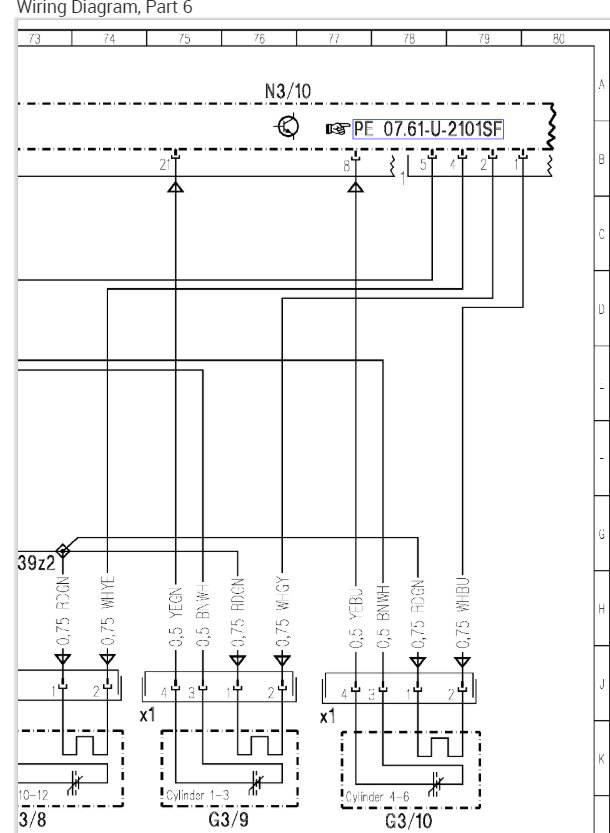
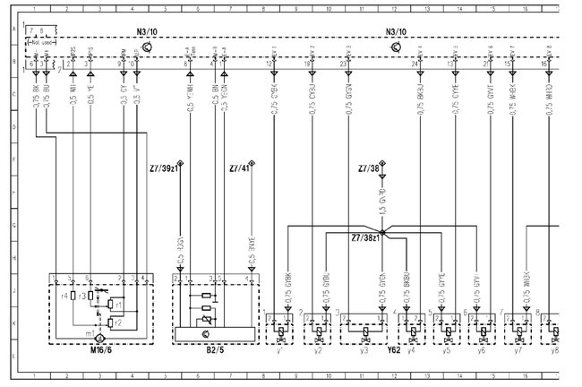
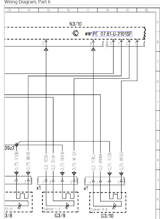
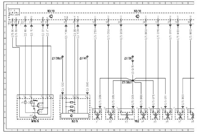
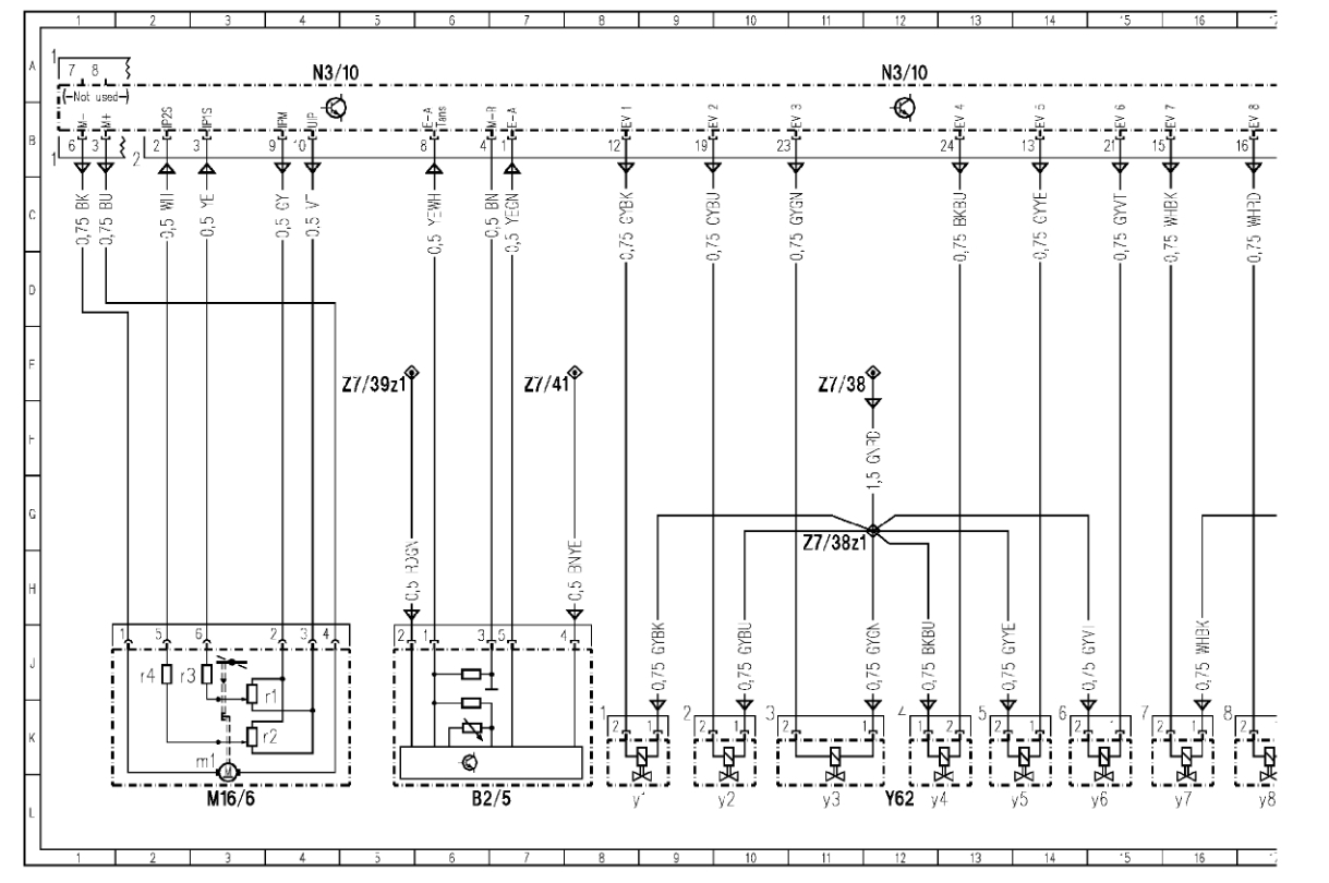
It sounds like you have a bad ground or the ECM when out. here is a guide and the wiring diagrams so you can see how the system works and to test the grounds and connections to confirm the failure:

https://www.2carpros.com/articles/how-to-check-wiring

Check out the diagrams (below). Please let us know what you find. We are interested to see what it is.
Apr 11, 2019 at 9:52 AM
Avatar
RAMZITH1
  • MEMBER
  • 70 POSTS
Dear Ken,

The switch you mentioned been
Checked and changed with a new one but the problem is still so what else it could be.

Thanks
Ramzi
Apr 18, 2019 at 3:44 PM
Advertisement
Avatar
STRAILER
  • CERTIFIED EXPERT
  • 53,854 POSTS
Half of the ignition system is not working, i am not sure which switch you are talking about did they swap out the ECU?
Apr 19, 2019 at 11:10 AM
Avatar
RAMZITH1
  • MEMBER
  • 70 POSTS
Dear Ken,

Will check again and revert back to you.

Thanks,
Ramzi
Apr 19, 2019 at 3:52 PM
Avatar
STRAILER
  • CERTIFIED EXPERT
  • 53,854 POSTS
Please do.
Apr 22, 2019 at 12:49 PM
Avatar
RAMZITH1
  • MEMBER
  • 70 POSTS
Dear Ken,

Refer to our conversation regarding my S600 issue, the issue solved by replacing the right coil with Mercedes benz original parts from eBay it cost me USD$682.00 and the spark plugs cost me USD$159.50, now the S600 runs smoothly, no more issues.

Thanks,
Ramzi
May 9, 2019 at 4:35 PM
Avatar
RAMZITH1
  • MEMBER
  • 70 POSTS
Dear Ken,

Please find attached the parts I replaced, of course it is used one.

Ramzi
May 9, 2019 at 4:37 PM
Avatar
STRAILER
  • CERTIFIED EXPERT
  • 53,854 POSTS
Great find! Glad you could get it fixed, that kind of problem can be tough. Please use 2CarPros anytime we are here to help. This post will help many :)
May 10, 2019 at 10:26 AM