Engine turns over but acts like it is flooded

2008 SUZUKI XL7
105,000 MILES • 3.6L • V6 • 4WD • AUTOMATIC
Avatar
SOUNDCONCEPTS
  • MEMBER
  • 1 POST
After eight years of owning my vehicle, I had to change the headlight. What a pain in the rear. I started my car and moved it to be in the sun as it was frosty outside with no problem. It took me two days to get the lights done as I had never done it before and could not find out how to take the whole front end of the car apart. After I put the car back together, it would not start. It fired a few times and then stopped and acted like it was flooded. So, I waited a few hours and tried again with the same result. The next day, I tried starting fluid with basically the same result. Another funky thing that happened was that the key stayed in the start position when I released it and the starter kept grinding until I physically turned off the key. I have half a tank of fresh gas. A fresh battery. And have never had a problem with it starting over the past eight years. I have been researching this problem for the past week with no success. I do not have any tools to check fuel pressure but I do hear the hum of the fuel pump when I turn on the key. I have been racking my brain as to what might have happened. Do you have any suggestions? Thanks for any help you can give me.
Dec 19, 2017 at 5:51 PM
Advertisement
Avatar
STEVE W.
  • CERTIFIED EXPERT
  • 15,113 POSTS
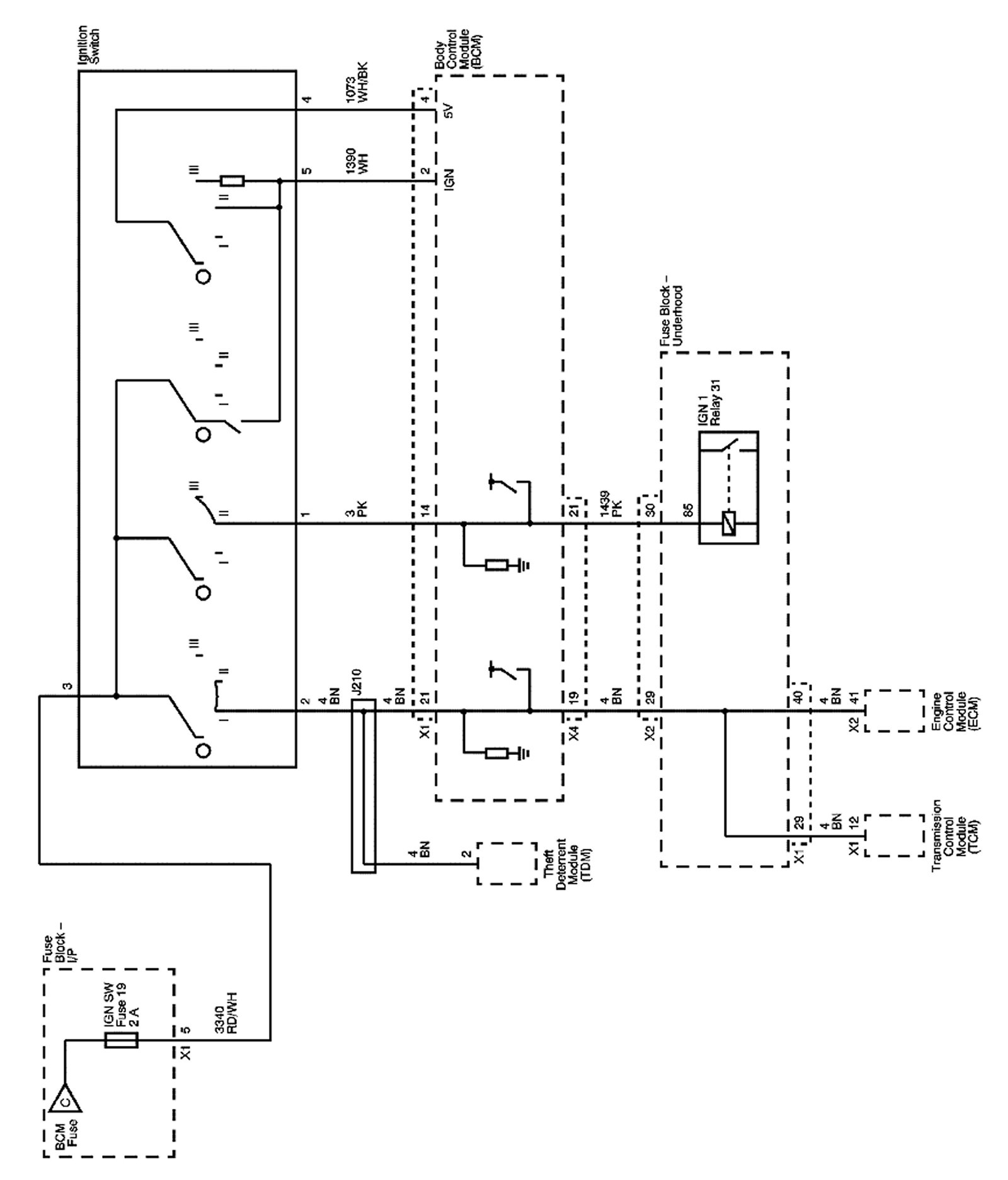
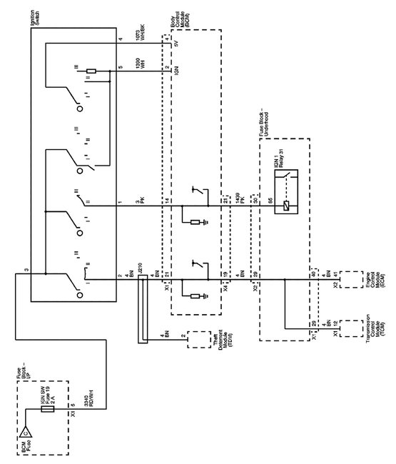
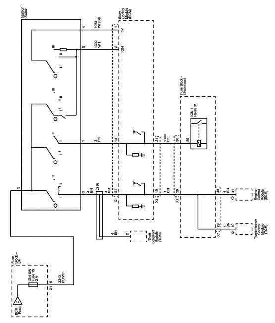
As you had a key sticking as well as the no start issue I would start by testing the ignition switch. If it failed internally (which sticking in start suggests) it may not be sending power to the proper areas. Internally the switch has a few moving contacts that power the systems. If one broke or came loose it may not be sending power to the ignition system and you get a no start.

It bolts to the switch case opposite the key cylinder. One removal process shows that most of the top of the column has to come off to remove it. I have not done one but I would look it over real good to see if there is a better way to do it.

Dec 19, 2017 at 9:59 PM