coolant temperature sensor ?

2015 FORD FUSION
72,000 MILES • 2.0L • 4 CYL • TURBO • FWD • AUTOMATIC
Avatar
JEREMIAH SMITH
  • MEMBER
  • 1 POST
The coolant temperature gauge had been climbing to three quarter and then going back to middle. Sometimes it gets a little bit hotter. I have replaced the thermostat already and it was fine for a week and it is doing it again. I have got a replacement coolant temperature sensor for it but I cannot find the location of the sensor to replace it. Do you know where I can find the location of the coolant temperature sensor?
Jul 30, 2017 at 7:45 PM
Advertisement
Avatar
CARADIODOC
  • CERTIFIED EXPERT
  • 34,306 POSTS
The sensor is telling you the engine temperature is too high. First you have to determine what affects the overheating. If speed is a contributing factor, and the overheating only occurs at low speeds, suspect the radiator fan is not turning on. That is not needed at higher speeds where natural air flow is sufficient.

Your car is too new for this, but if running the heater on "hot" and the fan on a higher speed brings the engine temperature down, corroded cooling fins on the radiator are a good suspect. A large butterfly collection in the radiator will do that too.

Another real good suspect is a leaking cylinder head gasket. The gases that get into the cooling system can pool under the thermostat and cause it to not open. Thermostats have to be hit with hot liquid. Hot air will not do it. A leaking head gasket is usually accompanied by the loss of coolant from the reservoir. There is a chemical test to check for this.

Here is the location of the engine temperature sensor and all the other sensors with a guide to help see whats going on if the sensor does not fix it.

https://www.2carpros.com/articles/engine-overheating-or-running-hot

Check out the diagrams (Below). Please let us know what happens. (ECT is the sensor you are looking for.)

Jul 30, 2017 at 10:18 PM
Avatar
JOHN ANDERSON2
  • MEMBER
  • 3 POSTS
Need to check and or replace sensor to clear false overheating.
Aug 29, 2020 at 1:00 PM (Merged)
Advertisement
Avatar
BMDOUBLE
  • CERTIFIED EXPERT
  • 1,139 POSTS
There are two different places it can be depending on the engine which I have supplied both. Check out the images (Below). Please let us know if you need anything else to get the problem fixed.
Aug 29, 2020 at 1:00 PM (Merged)
Avatar
JOHN ANDERSON2
  • MEMBER
  • 3 POSTS
The engine is the 2.5l direct fuel injected with turbo.
Aug 29, 2020 at 1:00 PM (Merged)
Avatar
BMDOUBLE
  • CERTIFIED EXPERT
  • 1,139 POSTS
The 2.5 is not a turbo, so here is a picture of the 2.0 turbo cht location. The 1.6L and 2.0L are turbo models.
Aug 29, 2020 at 1:00 PM (Merged)
Avatar
JOHN ANDERSON2
  • MEMBER
  • 3 POSTS
My apologies, i am getting to old for this. The mechanic I had said it was a 2.5 it is the 1.6.I have been working on this for 5 days now waiting from my local contacts to help with no luck. Sorry about the quality but here are some photos I just took.
Aug 29, 2020 at 1:00 PM (Merged)
Avatar
BMDOUBLE
  • CERTIFIED EXPERT
  • 1,139 POSTS
Okay, no problem, here is the 1.6 location.
Aug 29, 2020 at 1:00 PM (Merged)
Avatar
ECONNER123
  • MEMBER
  • 5 POSTS
Coolant is leaking into sensor creating a miss. read have replaced it twice. was wonder if there is suppose to be a seal in the coolant sensor port?
Aug 29, 2020 at 1:00 PM (Merged)
Avatar
JACOBANDNICKOLAS
  • CERTIFIED EXPERT
  • 110,175 POSTS
Hi,

Is coolant leaking past the threads? If so, there is no seal. Try using Teflon tape on the threads and then properly tighten.

Let me know if that helps.

Joe
Aug 29, 2020 at 1:00 PM (Merged)
Avatar
ECONNER123
  • MEMBER
  • 5 POSTS
It doesn't have threads.
Aug 29, 2020 at 1:00 PM (Merged)
Avatar
JACOBANDNICKOLAS
  • CERTIFIED EXPERT
  • 110,175 POSTS
Can you upload a pic of the part? I'm seeing one that threads into the engine in my manuals. How does this one attach?
Aug 29, 2020 at 1:00 PM (Merged)
Avatar
JACOBANDNICKOLAS
  • CERTIFIED EXPERT
  • 110,175 POSTS
Okay, I found it. It is the one held in with a clip. First, pull the connector off and see if it is wet inside. These commonly go bad an leak through the sensor into the connector and then out. Also, there is an o-ring on the sensor. If it isn't leaking through the sensor, remove the old one, make sure where it goes into the engine is clean, and lubricate the o-ring prior to install. I usually use something like vasoline. If you don't lubricate the o-ring, there is a good chance it will be kicked and leak.

Make sure the sensor is fully pushed in and that the clip is properly seated.

I attached a pic of the sensor and circled the o-ring that I mentioned. However, remember that the o-ring may not be the problem but instead, it is leaking through the sensor, into the electrical connector, and then out.

Let me know if this helps.

Joe
Aug 29, 2020 at 1:00 PM (Merged)
Avatar
ECONNER123
  • MEMBER
  • 5 POSTS
I have put two new ford OEM sensors in and they both leaked into the plug the guy at O'riellys said it more than likely is not the sensor but maybe all the sensors are bad?
Aug 29, 2020 at 1:00 PM (Merged)
Avatar
JACOBANDNICKOLAS
  • CERTIFIED EXPERT
  • 110,175 POSTS
If it is leaking through the sensor, try a different brand. I haven't heard of any concerns like this, but this may become an issue. Have you spoken to them at the dealer where you got the parts? As far as it not being the sensor, that doesn't even make sense. If it is leaking coolant and it is coming from where you indicated, what else could it be. I'm not sure what he was thinking.

Let me know.

Joe
Aug 29, 2020 at 1:00 PM (Merged)
Avatar
BSANTSCHI
  • MEMBER
  • 1 POST
Trying to locate the ECT sensor on my car it is the SE model.
Aug 29, 2020 at 1:00 PM (Merged)
Avatar
HMAC300
  • CERTIFIED EXPERT
  • 48,601 POSTS
you might not have one and instead you have a cylinder head temperature sensor which does about the same thing. but you do have a ECT which is on right top of cylinder head. See picture.
Aug 29, 2020 at 1:00 PM (Merged)
Avatar
ECONNER123
  • MEMBER
  • 5 POSTS
Okay, it is a Ford manufactured part but that's not saying much seeing as the car in question has several recalls. lol
Aug 29, 2020 at 1:00 PM (Merged)
Avatar
JACOBANDNICKOLAS
  • CERTIFIED EXPERT
  • 110,175 POSTS
If you could, let me know if a different sensor takes care of the issue. I'm really interested in knowing. Also, make sure the O-ring wasn't the issue because you mentioned you didn't think there was one.

Take care and have a good weekend.

Joe
Aug 29, 2020 at 1:00 PM (Merged)
Avatar
MARIOALBERTOATILANO
  • MEMBER
  • 2 POSTS
I would like to know if the car listed above SE model has two cooling temperature sensors. I already replace the one from the cylinder head but my car keep overheating.
Aug 29, 2020 at 1:00 PM (Merged)
Avatar
KASEKENNY
  • CERTIFIED EXPERT
  • 18,907 POSTS
Your vehicle only has one coolant temperature sensor so I doubt this is the reason for the overheat at this point. Here is a guide that will go over some of the common issues that cause an overheat:

https://www.2carpros.com/articles/symptoms-of-an-overheating-engine

https://www.2carpros.com/articles/engine-overheating-or-running-hot

When does this overheat? Only when it idles or do you have to be driving?

Let me know this info and we can go from there. Thanks
Aug 29, 2020 at 1:00 PM (Merged)
Avatar
MARIOALBERTOATILANO
  • MEMBER
  • 2 POSTS
It does it when is stopped and also when i am driving it. I’ve seen that the problem is the radiator fans sometimes they turn on and other times they don’t. I changed the cylinder head temperature sensors the fan relays and still having this problem. took it today to a car electrician he connected the diagnostic computer to see if it show any problems. all week the car gave me issues and today when a took it to him it worked perfectly. so I’ve been looking on the internet and came through a post of a person saying that most cars have 2 temperature sensors and was wondering if my car had two. I also saw that Ford issued a voluntary recall on the 2013 Ford Fusion due to overheating, this was in response to some owner reporting engine overheating but don’t know if it’s true until tomorrow that I call Ford Company .
Aug 29, 2020 at 1:00 PM (Merged)
Avatar
KASEKENNY
  • CERTIFIED EXPERT
  • 18,907 POSTS
Okay. Thanks for that information. Depending on what they find with that we clearly need to look into the fans running or not when this starts to overheat. So next time it does this, we need to open the hood and make sure the fans are running. Also, does this seem to happen when the A/C is on or off or does it not matter? If the A/C is on, we need to make sure both fans are on as you should have one for the radiator and the other is for the A/C condenser.

Let me know and we can go from there. Thanks
Aug 29, 2020 at 1:00 PM (Merged)
Avatar
SHANNONKAY
  • MEMBER
  • 3 POSTS
I am having trouble locating the coolant temperature sensor in my car. can you help me? I have searched on the internet and can't seem to find my type of vehicle. Thanks in advance.
Aug 29, 2020 at 1:00 PM (Merged)
Avatar
JACOBANDNICKOLAS
  • CERTIFIED EXPERT
  • 110,175 POSTS
Hi,

This vehicle has a cylinder head temperature sensor (CHT). The CHT is on the rear of the cylinder head. See the attached pic.

If there is a coolant temperature sensor that is different, it will be located near the thermostat housing.

Let me know if this helps.
Joe
Aug 29, 2020 at 1:00 PM (Merged)
Avatar
ASEMASTER6371
  • CERTIFIED EXPERT
  • 52,796 POSTS
Good evening,

I attached the location for you. It is by where the upper hose attaches to the thermostat housing.

https://www.2carpros.com/articles/symptoms-of-a-bad-coolant-temperature-sensor

https://www.2carpros.com/articles/coolant-temperature-sensor-cts-replacement

Why are you replacing it? Is there an issue?

Roy
Aug 29, 2020 at 1:00 PM (Merged)
Avatar
CARADIODOC
  • CERTIFIED EXPERT
  • 34,306 POSTS
There is no normal coolant temperature sensor as we normally think of them. Your engine uses a cylinder head temperature sensor.
Aug 29, 2020 at 1:00 PM (Merged)
Avatar
SHANNONKAY
  • MEMBER
  • 3 POSTS
The car overheats while the car is stopped, the fan does not kick on and check engine light comes on periodically. We purchase the coolant temperature sensor so figured if they carried it for the year make and model that our car had it.
Aug 29, 2020 at 1:00 PM (Merged)
Avatar
JACOBANDNICKOLAS
  • CERTIFIED EXPERT
  • 110,175 POSTS
The first thing I suggest is to check fuse 28 in the engine compartment fuse box. If you look at pic 1, I attached a pic of its location. In addition to just checking the fuse, confirm there is power to it. Here is a link that explains how that is done:

https://www.2carpros.com/articles/how-to-check-a-car-fuse

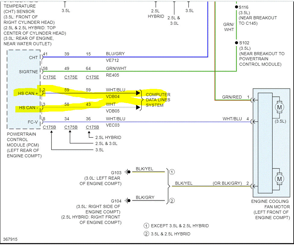
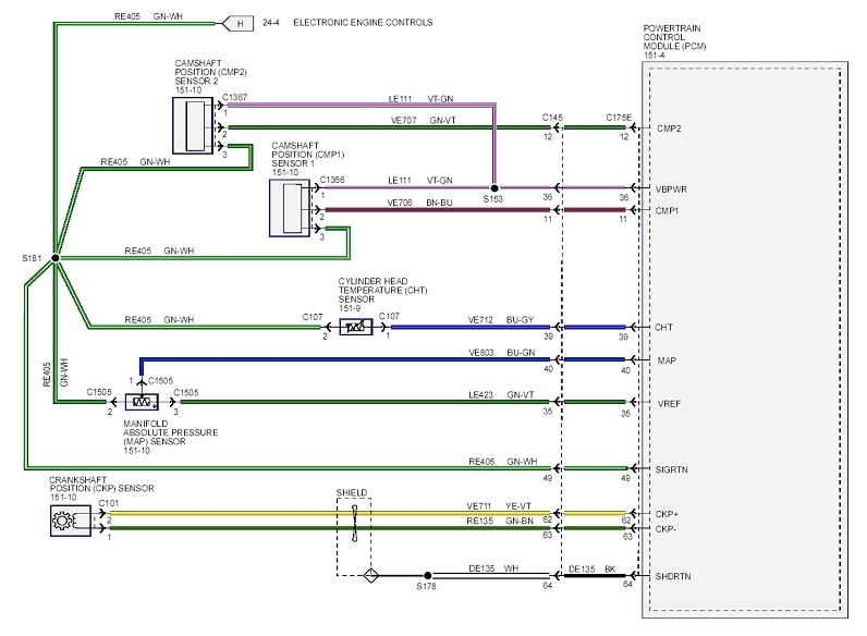
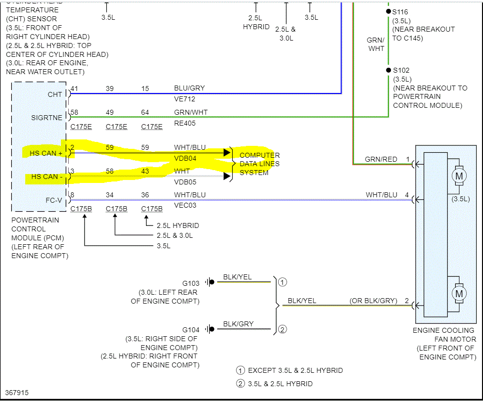
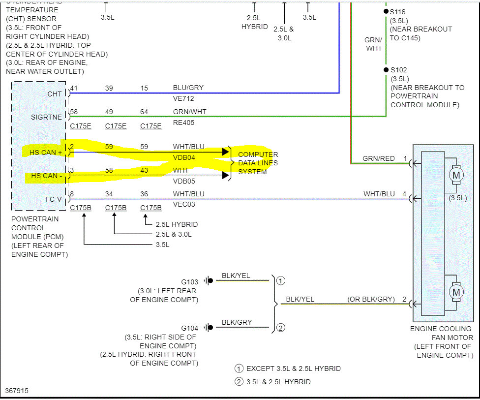
If the fuse checks good, I recommend having the CAN bus system scanned on the vehicle. CAN stands for computer area network. This network is how all the different modules and computer speak together. If you look at pic 3 below, you will see that I highlighted specific CAN wiring that is for the cooling system. Pic 3 shows the fuse and portion of the wiring diagram.

Here is a video of how to scan the CAN bus system and why it is becoming more necessary to do that a traditional OBD2 scan:

https://youtu.be/InIlnsjOVFA

Now, if the CHT sensor is bad, it can be the cause of the fan not to run. Also, the fan motors could be bad. It should turn on when you turn the A/C on, so check that as well. Or, it could be a break down in communication in the CAN bus network.

Lets start with the fuse first. Check that and see if it turns on with the /AC running. Also, remove the fan fuse and see if you can turn the cooling fan by hand and if it turns smoothly or seems to drag or feel rough. Here is a link explaining what to check on the fan. The link describes two different types of fans. The second type (electric) is what you have.

The bottom line is if the fuse is good and the fan turns freely, you really need to have the CAN bus system scanned for codes and error notices. That is going to get to the bottom of the problem.

Let me know what you find or if you have other questions.

Take care,
Joe

Aug 29, 2020 at 1:00 PM (Merged)
Avatar
SHANNONKAY
  • MEMBER
  • 3 POSTS
I should have mentioned the A/C. Does not work and stopped working about a year before these issues started which we believe that is the evap temperature sensor.
Aug 29, 2020 at 1:00 PM (Merged)
Avatar
JACOBANDNICKOLAS
  • CERTIFIED EXPERT
  • 110,175 POSTS
Hi,

No problem. It was just a different way to test the fan motor. Let me know what you find with the fan and temperature sensor.

Take care,
Joe
Aug 29, 2020 at 1:00 PM (Merged)
Avatar
ASEMASTER6371
  • CERTIFIED EXPERT
  • 52,796 POSTS
If I could throw in a suggestion, with the key on, remove the connector for the coolant switch and see if the fan kicks on. If it does not, then go to the fan and test for power at the fan with a test light or voltmeter.

Just a quick test for the circuit.

https://www.2carpros.com/articles/how-to-check-wiring

Roy
Aug 29, 2020 at 1:00 PM (Merged)
Avatar
COOLMISTERY
  • MEMBER
  • 2 POSTS
I am looking for the location of the coolant temperature sensor on our car listed above SE model.
Aug 29, 2020 at 1:00 PM (Merged)
Avatar
CARADIODOC
  • CERTIFIED EXPERT
  • 34,306 POSTS
They confused the issue by calling it a "cylinder head temperature sensor".

What are you trying to solve? Temperature sensors have an extremely low failure rate because there is just one component inside them.
Aug 29, 2020 at 1:00 PM (Merged)
Avatar
COOLMISTERY
  • MEMBER
  • 2 POSTS
We are having an overheating issue. We replaced the water pump, belt, and thermostat but are still getting a P1299 reading. We had the check engine light reset but when we use the gas pedal or climb a hill the temperature gauge rises again and the fan gets really loud and does not shut off until we turn the car off. There does not seem to be any bubbles in the system, no milky color to oil, no smoke from exhaust, no coolant or oil leaks, and radiator does not seem to have any blocks either from what we can tell.
Aug 29, 2020 at 1:00 PM (Merged)
Avatar
CARADIODOC
  • CERTIFIED EXPERT
  • 34,306 POSTS
If the electric radiator fan is running, the engine computer is turning it on based on the readings from the temperature sensor, so we know that's working.

Before you get all wrapped around the axle looking for other causes, have your mechanic perform a chemical test at the radiator for a leaking cylinder head gasket. If combustion gases sneak into the cooling system, they can pool under the thermostat causing it to not open. Thermostats have to be hit with hot liquid to open. Hot air will not do it. Very often when a cylinder head gasket just starts leaking, it only does so under higher engine speeds and/or higher load. That agrees with your observation of only overheating at certain times.

You can do this test yourself if you borrow the tester from an auto parts store that rents or borrows tools, but they will make you buy your own bottle of special fluid. That is because it is rendered ineffective if it freezes or if it becomes contaminated with antifreeze. They do not want to risk borrowing it to you with contaminated fluid. That is why they made the last person buy their own fluid. It usually costs less to just let your mechanic do the test. It only takes a few minutes. Also sensor may be faulty
Aug 29, 2020 at 1:00 PM (Merged)