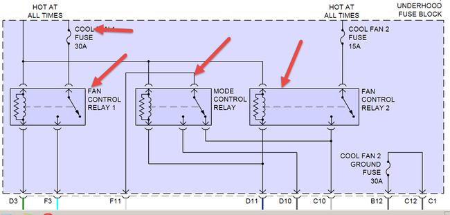
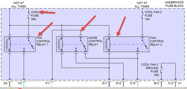
i noticed one day that the coolant temp gauge, although working wasnt giving a reading as the car came to temperature. also noticed that the fans run non stop while the car is running. i replaced the coolant temp sensor and wiring and the problem remains. i also installed a new thermostat weeks ago so i know that inst the problem. I have read that there is a separate part that is called the coolant temp sending unit that i believe is what controls the gauge. Can anyone tell me where this coolant temp sending unit is located? Autozone has the part i just dont know where its located to replace it. Thank you
Jan 26, 2015 at 11:04 AM

