Engine sensors and PCM

2000 CHRYSLER SEBRING
100,000 MILES • 2.5L • 6 CYL • 2WD • AUTOMATIC
Avatar
THUNDERBOLT7777
  • MEMBER
  • 22 POSTS
I have a voltage at the MAP sensor of 12.5 volts from the PCM as apposed to the 5 volt reference voltage it should be.
Apr 10, 2019 at 1:46 PM
Advertisement
Avatar
CARADIODOC
  • CERTIFIED EXPERT
  • 34,306 POSTS
What's the symptoms. Where are you putting the meter's negative probe?

See what you have on the 5.0-volt feed wire for the throttle position sensor.

Is there a chance you really have an open circuit and you have an auto-ranging voltmeter that's seeing 12.5 millivolts from stray magnetic pick-up? I have over a dozen digital meters I used for tv / vcr repair, and I never had one with auto-ranging because I got tricked too many times when I failed to notice it had switched to a different scale.
Apr 10, 2019 at 2:08 PM
Avatar
THUNDERBOLT7777
  • MEMBER
  • 22 POSTS
full explanation; My volt meter is grounded right to battery and positive probe is contacted right to the wiring harness to the purple wire with white stripe through it (5 volt reference wire). I might add that in the same way grounded to the battery, using the red probe on the green wire with red stripe (signal wire) I am getting a 1.1 to 1.5 volt reading . this is with key on engine off .
The next test is with harness connected and engine running.
I am getting 12.5 volts through the purple white wire but now get 12.5 volts out of the green red instead of the 1.1 to 1.5.
I just got the car and new it had a gremlin but couldn't pass it up. : ) I am assuming that the PCM has a cooked resistor but want to listen to anything I might be able to do before digging deeper into wiring .
Apr 10, 2019 at 2:21 PM
Advertisement
Avatar
THUNDERBOLT7777
  • MEMBER
  • 22 POSTS
This is a regular volt meter with settings to check DC or AC current ohms as well and the car misses after it warms up through out the driving range but worse at a idle. The volt meter I have reads accurately on anything else i have tested with it.
Apr 10, 2019 at 2:25 PM
Avatar
CARADIODOC
  • CERTIFIED EXPERT
  • 34,306 POSTS
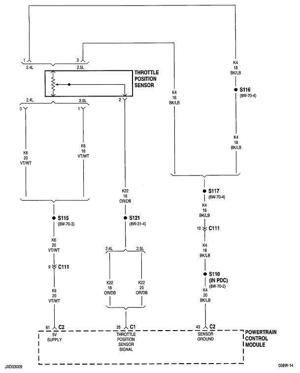
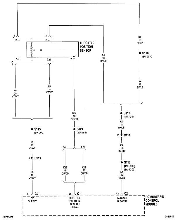
Check the voltage on the TPS. That's fed from the same 5.0-volt source that feeds the MAP sensor.
Apr 10, 2019 at 3:48 PM
Avatar
THUNDERBOLT7777
  • MEMBER
  • 22 POSTS
The TPS voltage is as follows with the harness disconnected and key on and engine of:

1. Signal wire (orange with black or blue stripe?) has a voltage of 2.5 volts the ground used was direct to the - battery post.
2. The 5 volt reference wire (purple white line) has 12.5 volts the ground used was again directly to the battery post.
3. The ground wire when connected is giving proper ground. this was determined by connecting black lead of the volt meter to the ground wire on TPS 9 black with blue stripe and the red wire to the battery 12 volt supply it red 12.5 volts.
Apr 10, 2019 at 5:11 PM
Avatar
THUNDERBOLT7777
  • MEMBER
  • 22 POSTS
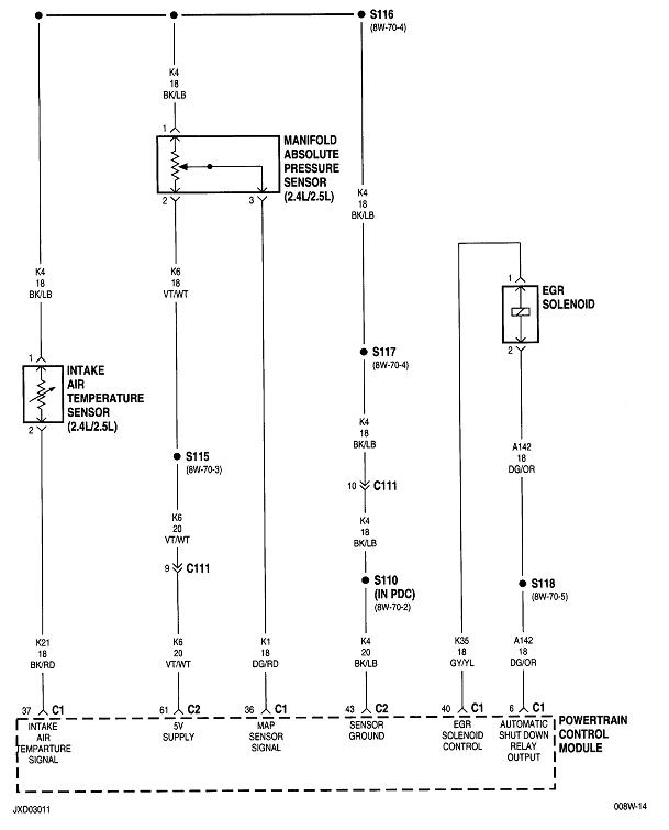
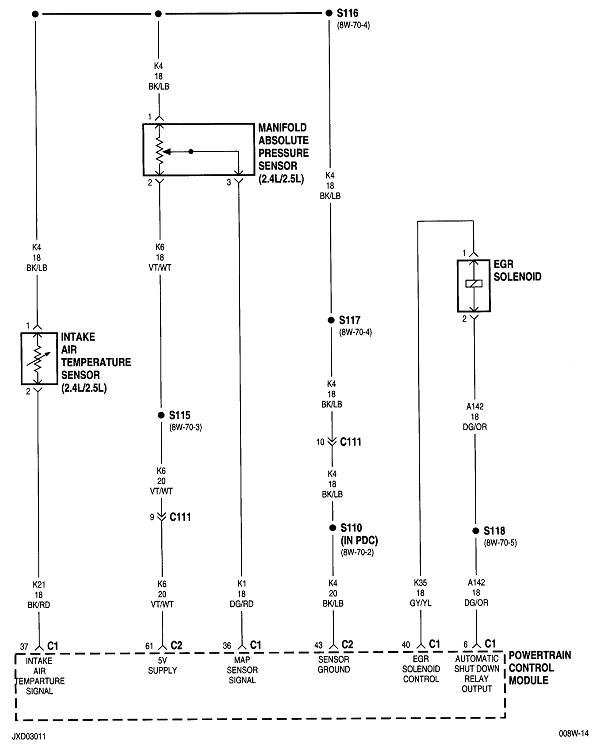
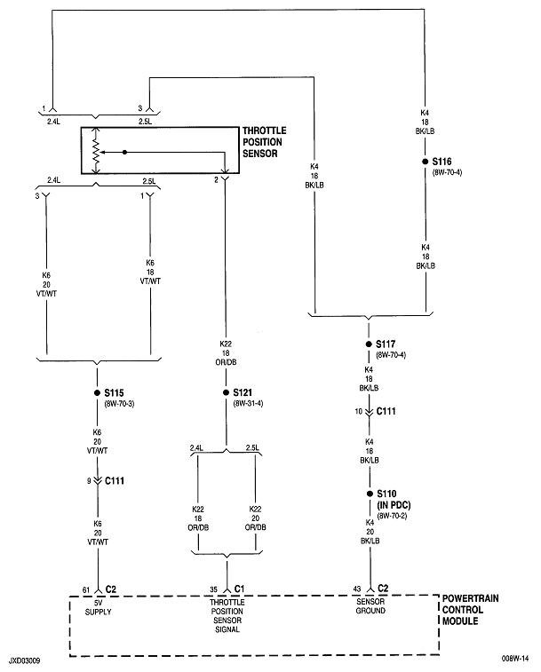
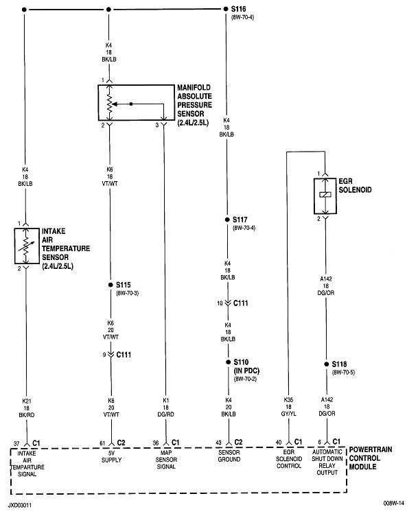
Oh, by the way thanks for the wiring diagrams. I bought a Haynes manual but it doesn't have the emissions wiring in it . The ones you sent are going to help greatly. I guess it is tear down the wiring and make sure there is no damage or shorting before replacing the PCM? Like I stated earlier I just bought the car and it was this way when I got it last fall , it is a convertible so I stored it for the winter and didn't run it. any other thoughts would be greatly appreciated . Other then that I am all over this like a fat cop on a free donut. : )
Apr 10, 2019 at 10:48 PM
Avatar
THUNDERBOLT7777
  • MEMBER
  • 22 POSTS
Oh, one other thing. on the MAP sensor test the 12.5 volts on the send voltage to the PCM did drop with acceleration but only to about 7.5 - 8.5 approximately.
Apr 10, 2019 at 11:07 PM
Avatar
CARADIODOC
  • CERTIFIED EXPERT
  • 34,306 POSTS
To avoid potential confusion on my part, leave the voltmeter's negative probe on the battery's negative post for all the tests. The only way sensor readings can be accurate is when they're taken with the plugs connected, by back-probing through the rubber weather-pack seals. When unplugged, the Engine Computer is designed to place 5.0 volts on the signal wire to force a defective condition to be detected, and set a fault code.

Now take the three readings at the TPS. You should find 0.2 volts on the ground wire, 5.0 volts on the feed wire, and at idle, roughly 0.5 to maybe 0.7 volts on the signal wire. That one should increase smoothly to around 3.8 to 4.2 volts at wide-open-throttle.

Something has to be wrong with the way you're finding these numbers. The computer will not recognize sensor readings outside of 0.5 to 4.5 volts. Lower and higher signal voltages are what sets diagnostic fault codes. I also find it had to believe the engine would run with multiple out-of-range sensor readings.

By the way, have you read the diagnostic fault codes? Chrysler made that real easy to do yourself. Cycle the ignition switch from "off" to "run" three times within five seconds without cranking the engine, leave it in "run", then watch the code numbers show up in the odometer display. If you don't have all kinds of codes related to the sensors, we'll have to figure out where that 12 volts is coming from.
Apr 11, 2019 at 6:24 PM
Avatar
THUNDERBOLT7777
  • MEMBER
  • 22 POSTS
Hi, this car wont give me the fault codes through the key method , I have a scanner that gave me a P0108 code (MAP sensor high voltage) , then I cleared that and reran the vehicle till it gave another code P0123 (TPS High voltage) . I wish there was a way to explain it as I find it pretty strange it is running giving that kind of voltage in and out of the PCM and sensors ? I have used my volt meter straight to the battery and it gives me the 12 volt reading so the meter isn't giving false readings . I have a question , Could it be possible that before I got the car a new or different PCM was put into it and they never got it programmed ? Would this cause the car to act like it is ? I have a friend that has a used parts yard so I got a used PCM (made sure the one I borrowed had the same numbers on it as mine) and switched them out today just to see and my car acted the exact same so I know the one I borrowed couldn't have been programmed for my engine ? Would this cause it to act the way it is ?
The car runs fine when it is cold but as soon as it warms up it starts to miss intermittently and it is using a phenomenal amount of gas . I also notice that the tachometer shows differently at different speeds . ie at 100 kphs it will register 2400 sometimes and 2000 other times .I would suspect the EGR system given that it runs good when its cold but other then I do know the diaphragm does leak ever so slightly (being replaced on payday) the solenoid works fine , it has back pressure and the plunger works . The voltage readings im getting are pointing else where though ?
Apr 11, 2019 at 7:22 PM
Avatar
CARADIODOC
  • CERTIFIED EXPERT
  • 34,306 POSTS
As far as I know, that computer shouldn't need to be programmed, but there is something much more important to be aware of. I know this applies to '92 Dynastys, '94 Intrepids, and '99 Neons. You should be aware of this too.

If your car came with factory-installed optional anti-theft system, you can use any Engine Computer for your application. Don't worry about part numbers. They change every time one is sent back for repair or updates. You're more likely to get one with a different number, or an "AB" or "AC" at the end instead of an "AA". The problem is once the computer has been plugged into your car and the ignition switch turned on, that computer can only be used in another car with anti-theft system.

The factory anti-theft system lives in the Engine Computer and the Body Computer. When you buy a rebuilt computer through the dealer, they always come without the anti-theft programming. In the case of the Engine Computer, as soon as you turn on the ignition switch, it learns that programming from the Body Computer, and the engine starts like normal. If you put that new computer in a car that doesn't have anti-theft, it never learns that programming and it never needs the "disarm" signal to let the engine run. That disarm signal is never coming.

The problem is that anti-theft programming can not be undone. Once it has been learned, it will only let the engine run when the signal tells it is okay to do so. This is where borrowing a computer can get you in trouble. The first scenario is neither your car or the donor car has anti-theft. Either Engine Computer and either Body Computer will work in either car.

If both cars have anti-theft, again all four computers will work in either car, but none of them must be used in some other car that doesn't have anti-theft.

If the donor car doesn't have anti-theft but yours does, you can put either used computer into your car, and it will learn the programming, but if you put the used one back into the donor car, it is going to teach that programming to the other computer. At that point, the donor engine will not start until both computers are replaced.

The worse one is when the donor car has anti-theft but your car doesn't. When you plug in the used Engine Computer, it will immediately teach the programming to your Body Computer. Now you have a crank / no-start because there's nothing to provide the disarm signal. The only way to get your engine running now is to replace both computers with ones without anti-theft programming.

The problem is we rarely know what programming was in a salvage yard computer, so you're taking a big risk with one if your car doesn't have it. You could end up ordering two new computers.

Before you go through this risk, a better approach would be to isolate the 5.0-volt feed wire to try to determine where it's getting 12 volts from. Voltage is only supposed to be on that circuit when the ignition switch is on. If the 12 volts is coming from an adjacent wire in the harness being shorted together, that could be a 12-volt source that's there all the time, or only when the ignition switch is on. Turn the ignition switch off, then see what you have on the MAP and TPS for the feed circuit. It should be 0 volts. If you find 12 volts now, unplug the Engine Computer to verify it's still there. Now you have something to search for.

Unplug the two-wire coolant temperature sensor and measure the voltages on them. When it's unplugged, one of them should read 5.0 volts. That comes from the same regulated source inside the Engine Computer, but it comes out on a different circuit. If there's a problem with that 5.0-volt supply, you should find 12 volts on this wire too. If you find 5.0 volts, it suggests the computer is okay and the 12 volts on the other circuit is coming from some external short.

If the 12 volts only shows up when the ignition switch is on, the 5.0-volt feed wire has to be isolated. That is rather tedious to remove one terminal from the connector, and some connector designs are a real lesson in frustration to try to put back together. I hate to do this, but you might need to cut that wire, then see which part has the 12 volts on it. If it's coming right out of the computer, I'd be real surprised, but that would be hard to argue with.

Onto the next subject, the fault codes agree with what you've already found. The reason the engine runs as well as it does, is in many instances, when the code shows a sensor's signal voltage can't be trusted or believed, the computer disregards it, then "injects" an approximate value to run on. The MAP signal is the most important one for fuel metering calculations, but the computer can approximate values that are close based on engine speed, transmission gear, and direction of throttle movement. All the engine sensors are involved in some way with the 5.0-volt source, but they may not all set fault codes. To set a fault code there is always a real long list of conditions that must be met, and one of those conditions is that certain other codes can't already be set. When two sensors or operating conditions are compared as part of the test strategy, if the computer detects a problem with one of them and sets a fault code, it knows it can't use that as reference for other things that need it, so it suspends those tests.
Apr 12, 2019 at 7:12 PM
Avatar
THUNDERBOLT7777
  • MEMBER
  • 22 POSTS
Hi, the donor car has exactly the same options as mine so the computer operated the same as the one that is in my car. it is a no brainer now anyway as the test has been done already and no difference so my computer has been reinstalled with no difference. If i am correct the donor car from the VIN# was made four cars after mine from the same factory in Mexico. At any rate this is a no brainer now and I am assuming its not the PCM ? I opened the PCM and did find small beads of moister on the bed where the harness connects , and yes the 12 volt supply connects there. I have not determined just yet if that is the issue.
I have assumed now that there is only one way 12 volts would get to the 5 volt reference and that may or may not be from the little moister I found or from the harness having a short inside . The 5 volt wire only gives 12 with the key turned on or it has no voltage at all . Would you have a diagram of the PCM wiring harness ?
Apr 12, 2019 at 8:12 PM
Avatar
CARADIODOC
  • CERTIFIED EXPERT
  • 34,306 POSTS
Be careful when looking at the VINs. The only time when a run of cars are identical is when they're making them special for rental agencies or special-ordered fleet vehicles. Other than those, each car is an individual with its own list of optional equipment. The only variable noted in the VIN is the engine size. It might be a good idea to mark on the donor computer whether or not it has the anti-theft programming activated to avoid future frustration.

What I'd do next is unplug the Engine Computer, turn on the ignition switch, then see if the 12 volts is on that line. Moisture inside the computer should not be the cause as it is sealed in a protective jell. I've never heard of a computer causing this problem, and surely not two in a row.

This next suggestion is based on my experience with tv and vcr repair. They use voltage regulator circuits similar to what is in an Engine Computer, and one thing that will cause them to put out the same voltage that's coming in is a broken ground circuit. On most Chrysler computers there will be four ground wires, two called "signal" grounds and two called "power" grounds. What they mean by power grounds is those are the ground wires for things that take a lot of power, like ignition coils, injectors, relays, and solenoids. The second wire is a backup in case there's high resistance on the first one.

Signal grounds refer to very low-current circuits, meaning sensors. These use separate ground wires because if a little resistance develops in a power ground circuit, that can easily be low enough to not cause a problem for those systems, but each time a pulse of current flows through it, that will cause a voltage to be dropped across that resistance. A motor or solenoid won't care, but if as little as a few hundredths of a volt appears there, it will raise the signal voltage on all the sensors by a proportional amount. A few hundredths of a volt means quite a bit to a MAP sensor. To prevent interacting, the two systems get their own ground circuits.

With the computer unplugged, you can try reading the resistance to ground on the four ground wires, but this is not an accurate test for this type of problem. Remember to include the roughly five ohms of resistance in the meter leads themselves. The best you can hope for is to find infinite resistance, (open circuit), on one of the wires. A small resistance that's too small to measure can still be high enough to cause problems. The way to find that is take voltage readings on them when the computer is in operation, meaning engine running. You'll need to back-probe through the connector's rubber weather-pack seals to touch the back of the terminals. Ideally you should find 0.00 volts on every ground wire. In practice, expect to find a little. As bad as this is on your car, if you do find notable voltage on a ground wire, there isn't likely to be any confusion as to whether it's too much.

While you have the plugs off the computer, this is a good time to measure between the 12-volt feed wires and the five-volt sensor wire to see if any are shorted together. It looks like that would be the switched 12 volts, terminal 20, and the five-volt feed, terminal 61, but check to the other 12-volt feeds too. An often-overlooked 12-volt feed is terminal 6. That comes from the ASD relay when it turns on.

If you watch when the 12 volts appears on the five-volt line, it might provide a clue too. You'll have to watch the meter closely because most digital meters take a while to respond. You found the 12 volts is not there when the ignition switch is off. If it appears the instant you turn the ignition switch to "run", and stays there solid, it's coming from a source that stays on with the engine off. If you see it go to 12 volts for one second, then drop to five volts or 0 volts until the engine is cranking, it's coming from the 12-volt line leaving the ASD relay.

Apr 13, 2019 at 9:15 PM
Avatar
THUNDERBOLT7777
  • MEMBER
  • 22 POSTS
Hi, how are you? I think I found the problem. I cut the violet/white wire 5 volt near the computer and measured it coming out of the computer with the key on it gave a 12 volt reading. So the computer I can assume is not reducing the volts to the 5 volt but sending 12 volts to the sensors . I assume there is no other reason that this can be ? I also am hoping that there isn't a short in the wiring somewhere that would cause this as if there is putting a new computer in it will end up the same way ?
Apr 16, 2019 at 12:56 PM
Avatar
CARADIODOC
  • CERTIFIED EXPERT
  • 34,306 POSTS
Very interesting! The computer shuts the 5.0-volt supply down to protect it when something on that line is shorted to ground. Once the short is removed, you only need to turn the ignition switch off, then back on to reset it and get the 5.0 volts back.

I mentioned that a broken ground circuit will make a voltage regulator circuit unable to do its job, but in cars, I'm pretty sure there will be other, more serious issues. I've never seen a computer do this, but to satisfy my curiosity, unplug the two-wire coolant temperature sensor and measure the voltage on those wires. The ground wire should have 0.2 volts. The other one should be 5.0 volts when it's unplugged.

Now that the violet wire is cut, see what is on the other part you cut off. That should be 0 volts now, but you might find something on there back-feeding through other sensors on that circuit. I doubt you're going to find 12 volts there, but if you do, we'll want to figure out if that is coming through the other sensors or if it is coming from the 5.0-volt wire being shorted to a 12-volt wire. Even if a short puts 12 volts on the 5.0-volt line, that shouldn't damage the computer.
Apr 16, 2019 at 8:14 PM
Avatar
THUNDERBOLT7777
  • MEMBER
  • 22 POSTS
Hi, okay I tested the coolant temperature sensor and it gave a 8.2 volt reading on the orange/black wire and I am using a volt meter not digital so doesn't have the capability to measure 0.2 volts, but the needle did move ever so slightly when hooked to the black/blue ground wire.
The other side of the 5 volt violet/white wire from the PCM that was cut has no voltage . I want to thank you for all your help in this situation. : )
Apr 17, 2019 at 11:18 AM
Avatar
CARADIODOC
  • CERTIFIED EXPERT
  • 34,306 POSTS
I have to admit, it looks like the internal 5.0-volt regulator circuit is shorted. Darn the bad luck!
Apr 17, 2019 at 2:25 PM
Avatar
THUNDERBOLT7777
  • MEMBER
  • 22 POSTS
Hi , so how does that occur ?
Apr 17, 2019 at 2:56 PM
Avatar
CARADIODOC
  • CERTIFIED EXPERT
  • 34,306 POSTS
First, start with a simple diode. That's a one-way valve for electrical current flow. There's always at least six really beefy diodes in an alternator. Alternators produce alternating current. The diodes redirect the multiple currents to all go in one direction, producing direct current that can be stored in a battery. In electronic circuitry, diodes are usually very small, as in the diameter of a pencil lead, and most commonly, less than 1/4" long. Even at that tiny size, they're that big to provide surface area for heat dissipation. While they block current flow one way, an important point about diodes is it takes 0.6 volts in the "forward-biased" direction before current starts to flow that way.

There's two theories about the direction current flows in a wire. Technically, electrons come out the negative post of the battery when that battery is powering something, but for ease of understanding, we use the other theory where current leaves the positive post. With this theory, the triangle part of a diode symbol points in the direction current can flow. In the first drawing, once the voltage is 0.6 volts higher on the anode than on the cathode, current will flow from left to right.

Next, there's a special kind of diode called a "zener" diode that almost always finds a place in regulator circuits. Its symbol has two little wings added to it as in the second drawing. In the forward direction, it acts like any other diode, but in the reverse direction, it blocks current flow until a very specific voltage is reached, then it lets current flow from right to left, but it maintains that "zener voltage". Compare this to a dam on a river. No water flows over that dam until it gets as high as the dam, then it spills over and the water behind the dam can't get any higher. The zener voltage is designed in, and we choose the correct value for the needs of the circuit. The zener voltage can be anywhere from a few volts to hundreds of volts.

The third drawing shows the most common of many types of transistors. This is in effect, two diodes connected back to back, in this case, anode to anode. The leg with the arrow, (emitter), is the same as the diode symbol and shows which way current can flow. The neat thing about transistors is they can amplify current. How much they do that is called its "beta", or "Hfe". This is a design value that we choose to meet the needs of the circuit. Beta can range from a low of less than 10 for high-power applications such as audio amplifiers, to well over 10,000 for specialized applications. For this sad story, a typical value is 100.

The fourth drawing shows current flow through a transistor with a beta of 100. If one milliamp flows from the base to the emitter, it will cause 100 milliamps to flow from the collector to the emitter. As a side note, where this becomes valuable in an audio circuit is when current flows through the resistor, then through the collector, some voltage is dropped across that resistor. That means we'll see less than 12 volts at the collector. Instead of one milliamp through the base, if that was a small varying audio signal, it would result in a large varying voltage at the collector. This is just one stage of many in a home audio amp.

The transistor has a different purpose in a regulator circuit. Instead of amplifying current, which it still does, we're using if for that 0.6 volts less it takes on the emitter to get current to flow through that junction. In the fifth drawing, the zener diode is a 5.6 volt zener, and it is going to hold the voltage on the base of the transistor very solid. Exactly 0.6 volts less will appear on the emitter, and that is the 5.0 volts that feeds the sensors and a lot of other circuitry inside the computer.

Now for the failure you asked about. Any time there's current flow, there's heat build-up, and heat is the deadly enemy of transistors and diodes. The most common failure would be the transistor shorts between the collector and emitter. Basically the three-part silicon crystal melts into one big blob that acts like a piece of wire. Since the sensor circuits draw very little current which is coming through the top resistor, very little voltage is dropped across it, so most of the 12 volts remains and is seen at the emitter and sensors.

A different failure might be the zener diode opens, meaning it's like it isn't in the circuit. The 12 volts coming in from the left resistor is supposed to be drawn down to 5.6 volts by the diode, but with it open, the full 12 volts will be seen on the base, then you'll find 11.4 volts on the emitter.

Those are just two examples of common failures. Often you'll find another zener diode from the emitter to ground, and that one will have a high enough zener voltage to never conduct current except during this type of failure. It might be a 6.0-volt zener that would limit how high the voltage could rise to if the regulator fails.

Another method is to use a similar regulator before this one that regulates the voltage to, . . . say, . . ...8.0 volts. If that first stage shorted, the second one would still do the job of regulating the 5.0 volts, but it would be under more stress. If the second stage shorted, the output voltage could only go to 7.4 volts, which wouldn't be acceptable, but it wouldn't be quite so bad. The disadvantage with multiple stages is you have multiple chances for a transistor to become open, then you'd have 0 volts instead of five volts.
Apr 17, 2019 at 5:39 PM
Avatar
CARADIODOC
  • CERTIFIED EXPERT
  • 34,306 POSTS
Now that I shared all that wondrous information, the entire circuit can be simplified by using a "three-terminal regulator" as shown below. Physically, these look exactly the same as a common power transistor, about 1/2" tall and 3/8" wide, with a screw mounting hole so it can be bolted to an aluminum heat sink. The difference here is you buy one made for the voltage you want, 5.0 volt and 8.0 volt being the most common, but there are very many more available, and you don't have to worry about all the other resistors, diodes, and connections between them. That is all built into the part, so you literally need to connect the middle lead to ground, and the input lead to any voltage higher than what will be coming out. These are very stable and rugged, but often they're used in place of the zener diode as a sort of pre-regulator stage.

These are also available in a smaller version, just smaller than a pencil eraser. The larger they are, the more current they're designed to handle. These don't fail often, but when they do, it seems it's more common for them to go open, resulting in 0 volts output. I never played with one to see what would happen if the ground leg was open. I assume the output voltage would go to 0 volts since its internal circuitry wouldn't turn on to do anything, but I suppose it's possible the output voltage could rise to near the input voltage.
Apr 17, 2019 at 5:59 PM
Avatar
THUNDERBOLT7777
  • MEMBER
  • 22 POSTS
neat where would I get one of these ? It would be real easy to just hook it to the 5 volt ref line and leave the same line disconnected from the computer .
Apr 17, 2019 at 6:47 PM
Avatar
THUNDERBOLT7777
  • MEMBER
  • 22 POSTS
actually just connect it to the violet? white cut PCM wire and let it send the 5 volts out to the sensors : ) I think I found one at best buy for $13.00 . I owe you if this would work : )
Apr 17, 2019 at 7:11 PM
Avatar
CARADIODOC
  • CERTIFIED EXPERT
  • 34,306 POSTS
I suspect this will not work, but first, Best Buy, if you can actually find a three-terminal regulator there , is charging way too much. Searching the web sites for the common electrical component suppliers is a huge lesson in frustration compared to paging through their paper catalogs years ago. I used to buy hundreds of transistors from Dalbani in Miami, but their web site is useless. Digikey and Mouser Electronics are two more popular stores, but I gave up trying to find any information there. If you have a Radio Shack store near you yet, they will have this part in a card hanging from a peg board hook for a couple of bucks. Finally, I did a Google search for "voltage regulator IC" and came up with this:

UA7805CKCS - Linear Voltage Regulator, 7805, Fixed, 7V To 25V In, 5V And 1.5A Out, TO-220-3

That's the heading on the page from Newark electronics. They actually list the prices, and this IC sells for 77 cents, and as low as 27 cents if you want to buy 10,000 of 'em.

The "UA" refers to the manufacturer, so that will be different for the same part from other suppliers. "7800" series is standardized for voltage regulators. The "5" in 7805 means it's a 5.0-volt regulator. "TO-220" is the package style, meaning what it looks like. That is what I drew with the mounting hole near the top. This one can handle up to 25 volts coming in, it will regulate the output at 5.0 volts, and it can pass up to 1.5 amps which is much more than all the sensors require.

The problem with this is it is not addressing the failure internal to the computer. That same 5.0-volt supply runs through a resistor, then out a different terminal to the coolant temperature sensor. When you unplug the sensor, there will be no current flow through that resistor, so no voltage dropped across it, and you end up at the sensor's plug and the terminal at the computer, with what you started with, which is over 12 volts. This is where, if I remember right, you found over 8 volts. There's other circuitry inside the computer well beyond the simple resistor I described. That's why the voltage you found is less than 12 volts.

You also have an intake air temperature sensor and possibly a battery temperature sensor that work the same way. They all start out from that 5.0-volt supply, then each sensor is fed from its own terminal in the computer's plug. I'd be willing to bet if you unplug either of those, you'll again find more than the 5.0 volts that's supposed to be there. There's no way for you to get inside the computer to fix that.

Once you have a different computer installed and you know it's going to solve the problem, I would entertain a notion to take the old one apart to see if it could be fixed. Well, it can be fixed. What I mean is if I could fix it myself. The circuit boards are almost always sealed in a translucent jell to seal out moisture and dust, but very often power transistors are mounted to an aluminum heat sink, and they stick up out of that jell.

The next problem is you will never find service information for a computer module from any manufacturer. That is closely-guarded proprietary information that they don't give out, partly because they don't want a competitor to be able to copy it, and partly to avoid liability issues if someone modifies it or repairs it incorrectly.

With no service literature, all we have to go by are the part numbers stamped on the parts, and those too are usually proprietary numbers. The UA 7805 could be the exact identical replacement part needed, but the one in the computer will have a totally different number on it that can't be cross referenced. The only way you could figure it out would be to have a good computer with the cover off, in the car and running the engine, so you could take voltage readings and deduce which one is a 5.0-volt regulator. That's an awful lot of work for such a rare problem. I go through this when diagnosing a car radio problem, but I mainly work only on Chrysler products, and I see the same failures multiple times. Spending hours on the first one allows me to know instantly how to fix the next one. Neither of us is likely to ever run into this problem again, so it doesn't make sense to try to figure it out. I would only attempt it on my own car for the personal satisfaction.
Apr 18, 2019 at 2:24 PM
Avatar
THUNDERBOLT7777
  • MEMBER
  • 22 POSTS
So you are saying if I buy a 12 to 5 volt step down regulator attach it in between the PCM and the sensors it wont fix the problem ?
Apr 18, 2019 at 2:35 PM
Avatar
CARADIODOC
  • CERTIFIED EXPERT
  • 34,306 POSTS
It would only work for the sensors on that circuit. That would be the throttle position sensor, MAP sensor, and possibly the EGR position sensor. For temperature sensors, the 5.0-volt feed wire is the signal wire, so they need their own separate terminals in the computer's plug. Those start with 5.0 volts, then the sensors draw that down, depending on temperature, to develop their signal voltage. Suppose coolant temperature is such that it draws that line down to 2.5 volts. Now you're starting with, lets say 8.0 volts instead. If the sensor draws that down half way again, you'd see 4.0 volts for its signal voltage. 4.0 volts is a whole lot different than 2.5 volts to the computer. That would be interpreted as a really cold engine instead of one that is almost fully warmed up.

On some car models there is an identical 8.0-volt regulator circuit to run the crankshaft position sensor and the camshaft position sensor. Regardless if they run on 8.0 volts or 5.0 volts, for them that supply voltage is not critical. They develop timing pulses that switch from near 0.0 volts to some maximum, which is usually 5.0 or 8.0 volts, but the computer doesn't look at that maximum voltage. It only looks at when it switches from one state to the other.
Apr 18, 2019 at 2:55 PM
Avatar
THUNDERBOLT7777
  • MEMBER
  • 22 POSTS
Okay, I see what you are saying , i am assuming that If the camshaft position sensor wasn't right it would probably not run or very poorly all the time ? It actually runs good until it gets warmed up . I also know the MAP sensor is working as it draws the volts down 3-4 when the throttle is opened . the vehicle only gave the MAP sensor circuit as a fault code and then the throttle position sensor which is on the same circuit . It never gave any other codes until the last time it ran but that was a miss on # 5 cylinder which didn't surprise me as I know it is missing . I would assume that it would have tripped the code for a bad coolant temp sensor or wrong voltage , which I don't get because it does have a hi voltage going to it , also the computer must be sending out commands albeit from getting 12 volts instead of 5 or it couldn't possibly run . Also the RPMS are higher when it is cold and lower when warm which would say to me the coolant temp sensor is operating and wouldn't the engine keep the higher rpm if it thinks its cold ?
I figure for the money im going to have a crack at the regulator just to see / Oh and the prices you mentioned tell me you are in the USA ? I am in Canada so the pricing up here is not only way higher especially for electronics but there is shipping fees added as well . We haven't had a Radio Shack up here in years : ) I figure if I can save $300.00 to $500.00 its worth a crack ?
Apr 18, 2019 at 4:14 PM
Avatar
CARADIODOC
  • CERTIFIED EXPERT
  • 34,306 POSTS
There's two things to consider with fault codes. The first is there is always a long list of conditions that must be met for a code to set. One of those is certain other codes can't already be set. Take the coolant temperature sensor and the intake air temperature sensor, for example. The computer knows that if the engine has been off for at least six hours, both of them had better be reading the same temperature. If you unplug the CTS, it will set a fault code for "ECT voltage high", and at that point, the computer knows it can't trust those readings so anything it compares them to will stop being tested. You could still set a fault code for the IAT if you unplug it and send its signal voltage up to 5.0 volts, but if the sensor is just reporting the wrong temperature, as long as its signal voltage remains within 0.5 to 4.5 volts, it won't trigger a fault code. The computer won't know the IAT sensor is out of range because it stopped testing for that.

There's a similar relationship between the MAP sensor and the throttle position sensor. If the computer sees a sudden drop in MAP voltage for more than a couple of seconds, it knows that can only occur during periods of high load or hard acceleration. Only a high TPS reading would agree with that. If the computer sees the TPS voltage at idle, and the MAP at high load, those two don't agree, so a code would be set after the computer figures out which one is wrong. Some of the tests on those circuits will be suspended because there is nothing reliable for comparison.

The second thing is when there's a fault code and the computer knows it can't use a sensor's signal voltage, it can disregard it and "inject" an approximate value to run on. In the case of a failing MAP sensor, which we used to see real often in the early '90s, that is the main sensor for fuel metering calculations, but with no reliable signal, the computer can run the engine based on throttle position, engine speed, and other factors. The engine won't run well, but it will run. MAP sensor voltages are critical and a few hundredths of a volt means a lot to the computer. When the signal voltage is off enough to cause severe running problems, but not off enough to trigger a fault code, you will often find engine performance improves if you unplug the MAP sensor. At that point the computer has no choice but to detect the defective condition, and use other information to run the engine.

As long as I'm at it, I should mention there was a scanner glitch on some GM car models in the '90s and with their "Tech2" scanner. I don't know if this applies to aftermarket scanners. When the computer set a code for a sensor, and injected its own approximate value to run on, that injected value is what was displayed on the scanner. That led to lots of confusion. You could have a fault code indicating the coolant temperature sensor is out of range, but on the scanner the numbers look perfect and change appropriately as the engine warms up. Erase the fault code and it comes right back when the signal voltage still looks okay. Once you knew about that, the way to verify the fault code was to measure the signal voltage yourself with a digital voltmeter.
Apr 18, 2019 at 5:53 PM
Avatar
THUNDERBOLT7777
  • MEMBER
  • 22 POSTS
Hi , I unplugged the MAP sensor and ran the car it immediately ran real bad missing and sputtering , I looked back and I see I have given you the opinion that the car is constantly missing which isn't totally accurate as it misses for a bit then runs good then misses then runs good but the intervals of running good and running bad are not to far apart . If im sitting at a idle and go to give it fuel in gear it will stumble and hesitate and miss . There is also a noticeable surging even at highway speed . If I give it fuel when it is in park it stumbles but catches and the rpms go up smoothly . So the signal voltage is not right so cant really rule anything until I can get that to where its supposed to be . By unplugging the MAP sensor I am assuming that the computer is giving commands to the engine based on the signal it is getting from the MAP sensor other wise it wouldn't change the engines running condition ? Which Im assuming would be messed up because it is getting a 12 volt signal and the throttle position sensor cant be working properly either as it is also getting a 12 volt signal and I am assuming that is why the cars RPM is going up and down a couple of 1000 rpm at times .
Apr 18, 2019 at 7:31 PM
Avatar
CARADIODOC
  • CERTIFIED EXPERT
  • 34,306 POSTS
Yup. When you unplug the MAP sensor, the computer is going to guess at fuel needs based on the other sensors' readings, and engine speed. With some fault codes already set, many routine tests will be suspended, so some defective sensor conditions will not be logged as a defect. If a reading is wrong, but still within acceptable limits, the computer will try to use those in the fuel metering calculations. It can also try to add or subtract a little fuel to see how engine performance responds. That might help it calculate fuel needs better, and it could explain why the engine surges or hesitates.
Apr 19, 2019 at 12:33 PM
Avatar
THUNDERBOLT7777
  • MEMBER
  • 22 POSTS
Oh boy this is going to make you shake your head ? I got to wondering last night how this car could possibly run with 12 volts being fed to the sensors doesn't make sense to me and was driving me nuts ? I remembered that I had phone charging cords around from previous phones Ive had . Well one of the cords takes house hold current ( 120 ) and drops it to 5 volts . So I cut the end off of it and plugged it in and put my volt meter on it to see and the volt meter did the exact same thing it did on the car ! it measured upwards of twelve volts how was I to know as it gave a 12 volt reading when connected directly to the battery so I assumed it was operational ? . It would appear as though my fault is with the volt meter and not the PCM ? However I am in the process of borrowing a digital meter so I can recheck all the cars readings I am now assuming that I,m willing to bet they will give the 5 volt reading they are supposed to ? Will let you know . If indeed they do read the proper readings I am sorry for putting you through all this . I still would have issues but not with the 5 volt ref .
Apr 19, 2019 at 12:54 PM
Avatar
CARADIODOC
  • CERTIFIED EXPERT
  • 34,306 POSTS
I have over a dozen digital meters from my tv / vcr repair days, and now I have some of those cheapies from Harbor Freight Tools. Those cheap ones work surprisingly well, but I do have a similar one, (not from Harbor Freight), that also reads incorrectly on the "DC Volts" ranges. I thought I had the only meter in the world that did that.

The bigger problem I have is when I use a friend's auto-ranging meter, I usually overlook the range the meter chose. More than once I thought I had 24 volts in a vcr when I really had 24 millivolts from stray pickup, and I really had 0 volts. Lots of wasted time following the wrong readings, as you're finding out.

You would have found this a lot sooner if you were fortunate enough to have a scanner. You would have seen the correct sensor voltages right away, and the one that was wrong. If you're going to be working on these types of problems in the future, consider looking on eBay for a scanner. I have a Chrysler DRB3 for all of my vehicles, but there is a limited range of model years it will work on. Out of the box they work on models back to '96 or '98, depending on the year it was made. 2003 was the last year they worked on Dakotas and Durangos. A few 2008 Jeep models was the last they worked on.

With an extra plug-in card, the DRB3 will work on Chrysler models back to 1994, and it will do emissions-related work on all brands of cars sold in the U.S. starting with '96 models. For that reason, a lot of independent shops bought them, and now you may find them for sale so they can invest in something newer.

With a different plug-in card, the DRB3 will work on every Chrysler product back to 1983 models. I have all the other specialty cards that can be used with this scanner, but I never used them. There is also an accessory kit that includes pressure sensors for transmission diagnostics, and a pile of other neat stuff, but I haven't used that yet either.

Also take a look at the Snapon Solus Edge. I got one on eBay less than a year ago for my 2014 Ram. The problem with these is the very high cost of the annual updates. I've heard different amounts from different people, as high as $1000.00 per year, and you can't skip any years. For example, if a shop was to buy one updated through 2014 and they wanted to get it updated to work on the latest 2019 models, they would have to buy the 2015 update before they could buy the 2016 update, then the 2017 update, and the 2018 update before they could buy the 2019 update when it comes out. The combined cost of those updates is higher than the cost of buying a brand new scanner. When you do buy a new one, you have to pay extra for European coverage.

This high cost of updates works in your favor if you don't need the newer year coverage. There's a bunch of these on eBay for less than $800.00 because they're only updated through around 2012 to 2016. Professionals don't want them because of that cost of updating them. That makes them attractive to do-it-yourselfers and inexperienced mechanics just starting out. One drawback to Snapon equipment is they are real proud of their stuff, and they charge accordingly for repairs and accessories. It can be a better value to a shop to sell a broken scanner and buy a new one.
Apr 19, 2019 at 1:47 PM
Avatar
THUNDERBOLT7777
  • MEMBER
  • 22 POSTS
my volt meter is as old as the hills and is a analog one but has settings for DC/AC volts , batteries and OHMS all the settings and values work except this ? I don't get it but as far as I can see the numbers and the fact the car runs cant lie but I will find out as soon as I can get my hands on a digital meter . I am curious as hell now what is ailing this car to act like it is if it isn't sensor or PCM related ? I know it needs a tune up ( plugs , wires etc ) as I think it has the original plugs in it but have no way of knowing ? They are autolite and from the look of the front bank of plugs they are in not to bad of shape but are getting upgrades as soon as I am ready to do the timing belt which is in the near future . I would assume a bad wire or spark plug would act up whether the engine is warm or not ? If all checks out with the digital meter I am going to start looking at the coil packs as I have heard they can over heat or act up when the Engine gets to operating temp ? I checked out prices and I already own a scanner but a cheapie which doesn't give me a lot . As for spending hundreds of dollars on something im probably not going to use much I think I will purchase a cheaper digital meter and go with that : )
Apr 19, 2019 at 2:16 PM
Avatar
CARADIODOC
  • CERTIFIED EXPERT
  • 34,306 POSTS
Keep me updated on your progress.
Apr 19, 2019 at 3:13 PM
Avatar
THUNDERBOLT7777
  • MEMBER
  • 22 POSTS
thankyou I will : ) You have helped me greatly and I so appreciate it !!!!!
Apr 19, 2019 at 3:14 PM
Avatar
THUNDERBOLT7777
  • MEMBER
  • 22 POSTS
Oh and you must be a Mopar fan ? I never have been although my favorite car is a 1969 or 1970 Charger , I lean towards the 1970 as I like the front fender louvers and the grill doesn't have the center piece . I gotta say though this Sebring is a thing of beauty , I have owned a lot of nice cars mostly GM . I have always wanted a convert and I think I picked myself one of the nicer ones made. it drives like a dream even with its Gremlins and is in my opinion one classy looking machine ! Mine is a JXI limited , silver metallic body black top , leather interior with factory racing rims and loaded . I have to admit I am definitely smitten, lol .
Apr 19, 2019 at 3:24 PM
Avatar
CARADIODOC
  • CERTIFIED EXPERT
  • 34,306 POSTS
You're going to get more than you bargained for now! I became a fan at first because so many parts interchanged between models and years. Later I became a fan of Richard Petty's, and he was all Chrysler. Next, while working at a Sears Auto Center in the '80s, I found all the common failures the manufacturers refused to address, and the big one was steering and suspension parts failures due to really poor designs, on Ford products. GM's engineers couldn't seem to standardize anything, and very few parts interchanged. Chrysler at that time had a choice of two PCV valves that covered every engine they offered. GM had over 50, but we only stocked the few most common ones and never had the right one. We used to joke that you needed to know the tire size, number of doors, and paint color to get the right PCV valve. One regular customer had to go to the dealer to buy an oil filter for her car because it was so rare, no one else made one. It was a real common model with a real common engine, but for that one model year, it took a totally different filter than for that same engine any other year or in any other model that year. Chrysler and Ford used the same oil filter for decades. Even an oil filter for a 350 c.i, in a Camaro was different than that for a 350 c.i. in a Firebird. If one was better, why not use it in both?

Once I went into teaching, I got to attend a real lot of high-level classes put on by car manufacturers and parts suppliers. This is where I learned there's a lot of love for Chrysler the company. They have been the industry leader in innovations that benefit the car owner. Those include the world's first "AC generator" for 1960 models, and they copyrighted the term, "alternator". GM and Ford had their copies in 1964 and 1966. Chrysler had the first electronic voltage regulator in 1970, first electronic ignition on Dodges in 1972 and Chryslers and Plymouths in 1973, first anti-lock brakes, (1969), first Engine Computer, (1976), first lock-up torque converter, (1977), first computer-controlled automatic transmission, (1989), first domestic front-wheel-drive car, (1978), first minivan, (1984), (that was supposed to be a Ford product, but the guy in charge laughed at the design), first air bag. And you can't overlook the 426 hemi that was built as a race engine, then detuned to put in passenger cars. GM's and Ford's versions were passenger car engines beefed up for racing. Even the little 2.5L could be modified to develop 400 horsepower, then adding nitrous got it to 500 horsepower, and the bottom end held up just fine.

Two common quotes from a national-level trainer for mechanics from independent repair shops are: "Chrysler is the only manufacturer that has been able to make an engine run right without using a mass air flow sensor", and, "the list of manufacturers with the most 'customer-friendly' business practices starts with Hyundai, Toyota, and Chrysler". GM, BMW, VW, and Audi are at the bottom of that list.

I first noticed GM liked to build everything in large assemblies so you had to buy more than you needed. Their second version AC generator that showed up around 1972 was a very nice unit and easy to repair, but it was a complete system that included the voltage regulator built in. They said that was for their mechanics who didn't understand how the systems worked so all they had to do was bolt on a new assembly without any diagnosis. Same for the "High Energy Ignition", (HEI) system. Drop in a new distributor and connect one wire to solve any problem. That too was not a bad system, but at the time no one knew how to repair it.

We used to have two small round head lights or one large one. In the mid '70s, GM lobbied NHTSA to allow for two sizes of rectangular head lights. Their assertion that won the argument was those were not so tall, so they could design a lower hood line for better visibility in front of the car. First model they used them on, they stacked them one on top of the other, so the hood line ended up being even higher than before.

I worked at a tv repair shop in the '70s that was authorized for GM warranty work on their radios. We were one of well over a hundred such shops in the nation that served all the GM dealerships. In 1976, a fellow from GM came around and said they were going from 100 shops to six, then to two, and he was pretty proud of that. In 1999 I was invited to visit one of the warranty shops, in Denver. They had been shipping out two UPS trailers each day filled with GM warranty radios, but that wasn't a large enough volume for GM. That shop lost their authorization, then there were two places left in the nation, just like that guy from GM said would happen two decades earlier.

GM was also bugged by the fact little hobbyists like me were fixing their radios, so they stopped allowing us to buy radio service manuals and parts after 1994. Next, they had a 100 percent failure rate of their CD player laser assemblies throughout the '90s, and since customers were now required to go to the dealer to have them remove the radio and send it in, a lot of those car owners just bought aftermarket replacement radios that held up better. To combat that, starting with some 2002 trucks, they built the Body Computer into the radio so it couldn't be removed. The aftermarket industry came up with "radio relocation kits" to let you mount the original radio under the front seat, then you'd cut the speaker wires and run those to the new radio in the dash. Without the original radio you'd have no turn signal click, no cruise control, and other functions. The dirty trick they pulled was that Body Computer is the master computer that all the others respond to. When you turn on the ignition switch, you're turning on the radio, and that tells all the other computers to turn on. What they did was they added a "Lock" selection on one of the drop-down menus on their scanner, that once pressed, it electronically locks every computer on the truck to that Body Computer. That programming can not be undone. The customer will never know a disgruntled mechanic did that until the radio fails and has to be replaced. All the other computers will only answer to the original radio, so now those are worthless to a salvage yard as they won't work in any other truck. If the radio fails, you have to replace every other computer on the vehicle. "Got'cha". There is no valid reason to pull a stunt like that other than to siphon more money out of their customers' wallets. In fact, GM has a whole pile of these "customer-unfriendly" business practices designed to cost their customers dearly after the sale.

In the mid '70s, someone at Ford figured out that grease fittings on ball joints and tie rod ends cost a nickel a piece, and if you leave four of them off each car, build a million cars, you save four million nickels. They weren't too concerned about ball joints that separate leading to loss of control and a crash. That got a lot worse with the '80's Ford-built "killer car" Escorts. Outer tie rods wore out in 15,000 miles, so fast, we couldn't keep up our inventory. Every Wednesday we got a shipment in from Sears headquarters that included a dozen ball joints and tie rod ends for GM products, a half dozen each for Chrysler products and all the imports, a dozen for the other Ford products, and 44 outer tie rod ends for Escorts. By Saturday we were buying more Escort tie rod ends locally. I did so many of these, I could replace both outers in less than five minutes without even taking off the wheels.

Ford is also famous for leaving off the most important alignment adjustment on their front-wheel-drive cars. The front wheels on most cars lean out on top just a little. On the Escorts and Tempos, they're tipped out so far, (and look so ridiculous), the tires wore down to the belts on the outer edges in as little as 15,000 miles. It seems their rationale was that made the little cars ride much better than those of their competitors. They just didn't want you to know you'd be buying tires every year. Most tire stores wouldn't even warranty their tires on those cars.

The Taurus didn't fare any better. They used the "rubber bonded socket" design for their outer tie rod ends. Basically, you drop the ball into the socket, then glue it together with molten rubber and hope it holds together. The alignment adjustment I just mentioned, "camber", causes a tire to want to roll in the direction it's leaning. Besides adjusting that to specs on both sides, it's critical they both be the same to insure the car goes straight when you let go of the steering wheel. Well, this is another one of their, "what you got is what you get", and there's no changing it when it's wrong. For years, as an alignment specialist, I struggled with how to make those cars go straight, then I asked a friend who was the alignment guy at the local Ford dealership. His method was if the car always pulled to the right, for example, he would break the tapered studs free for the two outer tie rod ends, turn the steering wheel to the left, then retighten the tie rod studs that way. Now, when you straighten the steering wheel, those two tie rods are twisted and trying to straighten out. They're putting pressure on the steering system to turn to the left, and that will counteract the car's pull to the right. This goes against everything professionals do to prevent installing a part with a permanent twist to a rubber bushing, but it was the only thing he could do to stop the customer complaints. Of course that led to even faster part failure, but once the tie rod tore apart and separated, there was no way to prove it had been under stress by the way it was installed. This is even worse than tying a rubber bungee strap between the body and the steering linkage. It's a cobble job, but it keeps the customer happy.

The Mercury Tracer was advertised as having 17 "features" not found on their competitors' models. Those included "steering", "brakes", and "wipers". The ads looked pretty enticing to anyone who didn't know the least little thing about the machines they trust to get them back home.

Ford advertised a much lower cost of maintenance than for all the other competitors' cars, but they based that on the "normal" use maintenance schedule. That specified oil changes every 7,500 miles. Standard for the quality of oils back then was to change it every 3,000 miles to replenish the additives that naturally wear out. If you look closely at the requirements to meet that "normal" driving, it can't be done. If you drive at night, in cold weather, in hot weather, on dusty roads, prolonged high-speed driving on paved roads, extended slow-speeds, etc, you fall under the "severe use schedule that specifies the same 3,000-mile interval that every other manufacturer called for.

GM did that with their use of Dex-Cool antifreeze. They advertised it as "lifetime" coolant to make it look like you never needed to replace it, but on the sticker under the hood, they say to replace it every three years. Even the Dex-Cool company says to replace it every two years. This was just another marketing trick. It resulted in lots of corroded heater cores and radiators, and the term "Dex-Mud" which is what the product turns into when mixed with other brands of antifreeze.

Toyota used to brag in their ads that the contacts in their air bag crash sensors were "gold-plated, for your safety". What they didn't tell you was all crash sensors on every car in the world have gold-plated contacts in their sensors. This is no different than the Tracer with its "rack and pinion steering", (the same as found in most other cars), their "steel-belted radial tires", (the same as found in most other cars), and their "delay wiper system", (the same as found in most other cars). All marketing hype that has no value.

These are just the most noticeable tricks the manufacturers pull to insult our intelligence. Unfortunately, whatever one of them dreams up, the rest all follow later, good or bad. GM gave us computers that have to be programmed to the vehicle's VIN, but of course only the dealer can do that. Now they all have that nonsense. It hurts the car owner and it hurts the salvage yards. It only benefits the manufacturer. That's why my daily drivers will be '95 and older Caravans for as long as I can find them. My 2014 truck is nice with all its toys and gimmicks, but I'm a nervous wreck worrying about the first computer to give up and what it's going to take to fix it.
Apr 19, 2019 at 5:58 PM
Avatar
THUNDERBOLT7777
  • MEMBER
  • 22 POSTS
WOW! You certainly have a lot of knowledge . My name is Ken , I am from Winnipeg Manitoba Canada . My last car was a 1997 Olds Achieva and the computer stuff you mention that was in the GM's of the 1990's I lived it lol . The car used to decide all on its own to not connect through the instrument panel and I bypassed the wiring but every now and again only half the dash lights would come on and it would turn over but not start so I would leave the key on and wait twenty minutes to half a hour and poof the rest of the dash lights would come on and it would start . Gm wanted to replace the whole instrument panel at my cost of course .
The all mighty dollar is what the car manufacturers are after when they make it so only they can fix them and they don't care about the little guy at all . I loved working on the older cars where you could do just about anything in the drive way if you had the smarts and the determination to do it .Although I guess I am a stubborn SOB as I still go to any length to do my own repairs . I have never taken my car to a dealer or garage for that mater so I sure as hell am not going to start now ! I am good with computers and wiring even though this little episode would not say that lol ? I did at least I think find the problem albeit my own equipment ?
If I wasn't so stubborn about it I would have probably given up by now and taken it in but that isn't going to happen as I figure I am not only saving money but bonding with the car in a way plus i am finding other little things about it along the way : ) which are on my going to fix that as well list . So far I have fixed the lifts on the trunk lid which are going to go over time . the passenger side door the rod for the handle had come off which I read on the internet the Sebring's are common for that . I didn't need any parts for that as it just needed to be lubricated some realigning and reattached , I also wired it so it sure as hell isn't coming off again lol . I worked on the fog lights which don't work there is no power to the fuse at the fuse block inside the car . I ran power through the wire that goes to the lights and they came on so the problem there is a short or broken wire that feeds the switch and maybe even the switch but il figure that out when I get the rest of the more pressing stuff done .
Hey I know this is probably a stretch but that wire that feeds that fuse for the fog lights or is supposed to couldn't have shorted somewhere in the harness and be causing the issue with the engine ? It is shorted or broken somewhere between the fuse and the feed from the battery . It also isn't the fuse because the right side headlight still works with the fuse in and not with the fuse out so there is continuity .
At any rate its really cool chatting with you . Have a great evening!
Apr 19, 2019 at 6:40 PM
Avatar
CARADIODOC
  • CERTIFIED EXPERT
  • 34,306 POSTS
We can tackle the fog lights next. That circuit feeds off the head light switch, but I'll have to dig up a wiring diagram to have something to follow. Consider starting a new question for that when the time comes. That helps the site to organize solutions to aid others who are researching the same problem.
Apr 19, 2019 at 7:14 PM
Avatar
THUNDERBOLT7777
  • MEMBER
  • 22 POSTS
Okay, sounds good thanks.
Apr 19, 2019 at 7:15 PM