Keeps stalling at idle and while driving?

1993 CHEVROLET CHEYENNE
1,005,449 MILES • 5.7L • 6 CYL • 2WD
Avatar
PATRICK WINDLE
  • MEMBER
  • 1 POST
Replaced fuel filter, water pump and radiator with was flushes and purged. Weird thing is it runs perfectly with the heat on. Never mind it just shut off after 10 minutes. Better with heat on but absolutely baffling. The fuel pump was checked before the filter was replaced. It, however, is the original. Help, lol.
Apr 9, 2023 at 12:32 PM
Advertisement
Avatar
STRAILER
  • CERTIFIED EXPERT
  • 53,855 POSTS
Hi Patrick,

With the heater on the load on the electrical system is changed which can affect the fuel pump which if it has not been changed is the first thing I would do. But to be sure when the engine stalls out let's check the ignition system for spark. This guide and video should help us see if the system is working when the engine stalls:

https://www.2carpros.com/articles/how-to-check-for-ignition-spark

and

https://youtu.be/baq_aEWNQ0Y

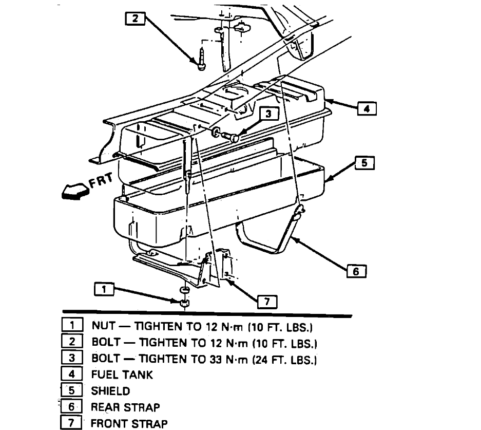
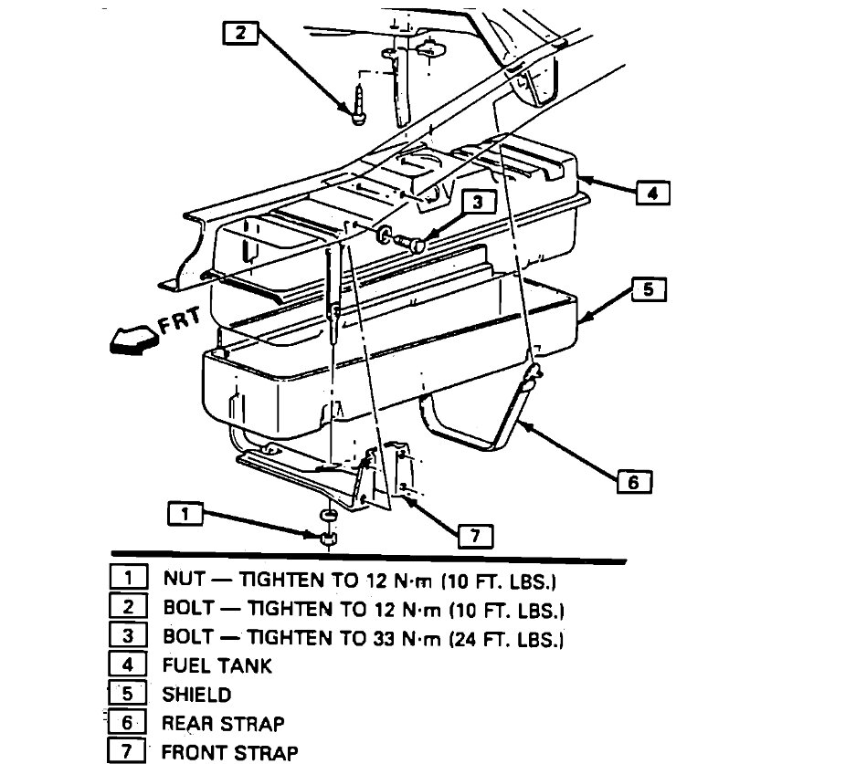
I have included how to change the fuel pump out in case you need it. Check out the images (below). Please let us know what happens.





Apr 10, 2023 at 12:47 PM