Engine shuts off when transmission is put in gear

1998 CHEVROLET 1500
260,000 MILES
Avatar
ICVMC
  • MEMBER
  • 16 POSTS
This truck has set for one year and ran fine before that. Now you can start the truck and the engine will run at idle all day but when you put the truck in gear it shuts off and you have to hold the accelerator to the floor to get it to restart and then it will shut off again. You let the truck set for several hours and it will start back up idle but still goes through the same problem.
Nov 15, 2018 at 6:49 AM
Advertisement
Avatar
ASEMASTER6371
  • CERTIFIED EXPERT
  • 52,796 POSTS
Good morning.

The first thing I would do since it has sat for so long is to drain the fuel tank, have it flushed out, replace the fuel pump and change the filter.

The old fuel is most likely the issue that will not allow it to work.

Roy

REMOVAL PROCEDURE
1. Drain the fuel from the tank. Refer to Draining Fuel Tank.
2. Raise the vehicle.

Diagram
imageOpen In New TabZoom/Print

3. Loosen the filler neck hose clamp at the fuel tank and disconnect the fuel tank filler neck from the fuel tank.

Diagram
imageOpen In New TabZoom/Print

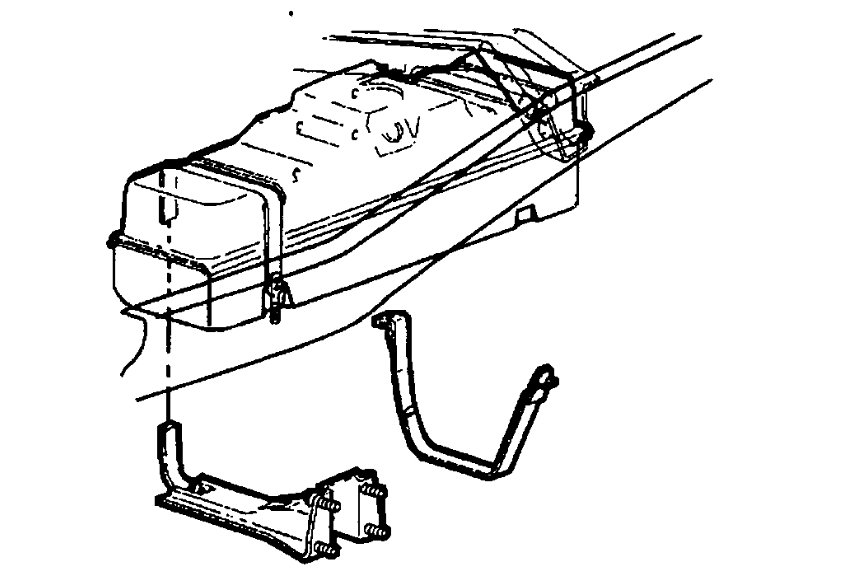
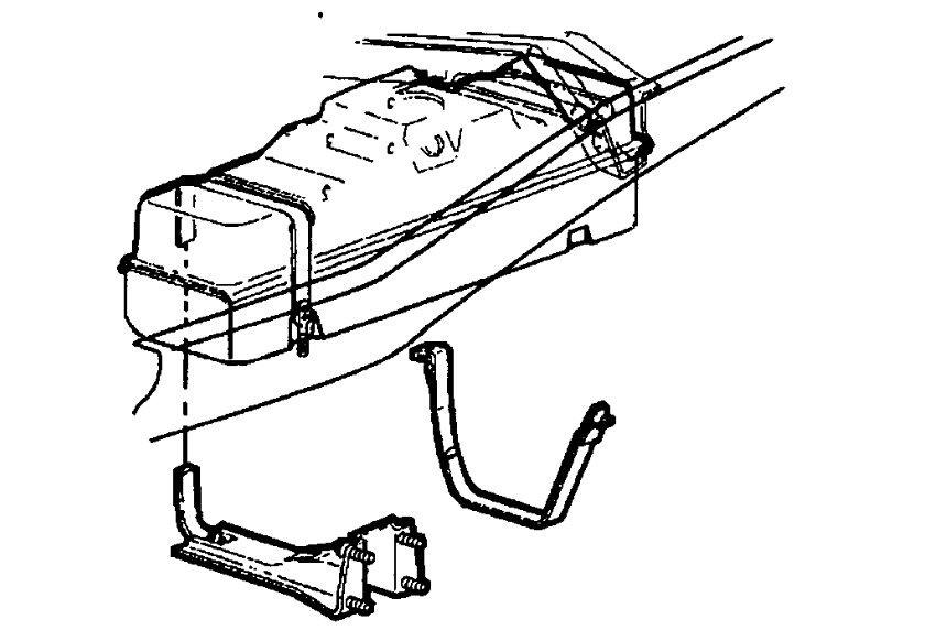
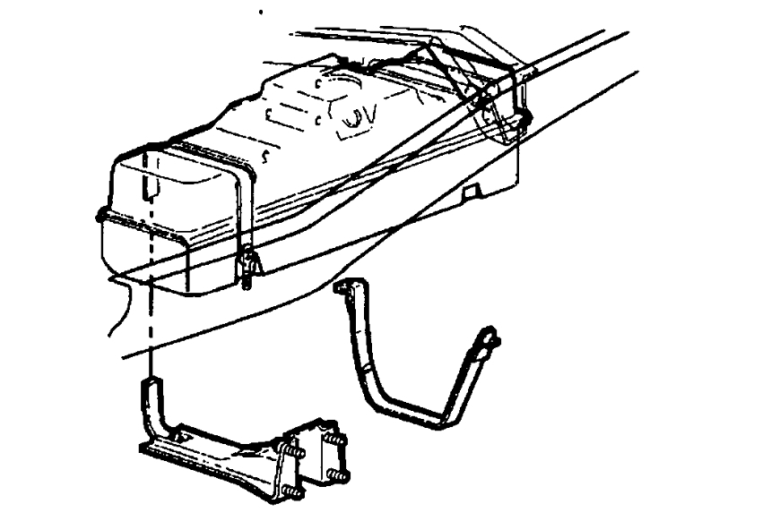
4. Support the fuel tank and remove the tank straps and insulator strips, it equipped.

Diagram
imageOpen In New TabZoom/Print

5. Remove the frame mounted bracket.

Diagram
imageOpen In New TabZoom/Print

6. Lower the fuel tank shield.

Diagram
imageOpen In New TabZoom/Print

7. Lower the fuel tank.

Diagram
imageOpen In New TabZoom/Print

8. Disconnect the fuel feed and vapor hoses. Disconnect the electrical connections at the sender.

Fuel Sender Assembly
imageOpen In New TabZoom/Print

9. Remove the fuel sender assembly and seal ring, using tool J 39785. Discard the old seal ring. Purge the tank, if the tank is being repaired.
Nov 15, 2018 at 7:35 AM
Avatar
JONNYB1963
  • CERTIFIED EXPERT
  • 263 POSTS
Welcome to 2CarPros!

Lets see if we can get to the bottom of this together. Can you answer some more questions just to get me more familiar with the problem.

When the engine is running at idle and in park, if you were to rev the engine and take your foot off the pedal, will it also stall?

When the engine requires you to floor-it in order to restart, what happens when it does start? Do you see black smoke coming from the exhaust when it finally fires? Also, when it does restart will it stay running as long as you have your foot on the gas? Will it stall if you take your foot off the gas?

If you could answer these it would be very helpful to get me looking in the right direction. Vehicles that sit for a long time without being used can develop glitches. Lets see if we can find out what this is.

Thanks,
Jon
Nov 15, 2018 at 7:38 AM
Advertisement
Avatar
ICVMC
  • MEMBER
  • 16 POSTS
I need to let you know that the fuel pressure sets between 56 and 60 when Idling, I cannot get a reading when in gear because engine stops.
Nov 15, 2018 at 9:22 AM
Avatar
ASEMASTER6371
  • CERTIFIED EXPERT
  • 52,796 POSTS
It should stay the same when the engine is off. If it drops, then you have a fuel pump issue.

Did you drop all the old fuel and clean the tank? Stale fuel will cause this issue.

Roy
Nov 15, 2018 at 9:35 AM
Avatar
ICVMC
  • MEMBER
  • 16 POSTS
I need to let you know that the fuel pressure sets between 56 and 60 when Idling. But I cannot get a reading when fear because truck shuts down.
Nov 15, 2018 at 9:40 AM
Avatar
ICVMC
  • MEMBER
  • 16 POSTS
Non I did not drain fuel yet. But pressure remains the same with truck off.
Nov 15, 2018 at 9:41 AM
Avatar
ICVMC
  • MEMBER
  • 16 POSTS
Did you get my last reply?
Nov 15, 2018 at 10:34 AM
Avatar
ICVMC
  • MEMBER
  • 16 POSTS
Question #1 is, because I have not checked the exhaust. Question #2, truck will not stay running with foot on gas. Question #3, yes.
Nov 15, 2018 at 12:15 PM
Avatar
ASEMASTER6371
  • CERTIFIED EXPERT
  • 52,796 POSTS
Okay, I still feel fuel quality is your issue. You need to start with getting rid of the bad fuel and starting with new fuel.

Roy
Nov 16, 2018 at 4:03 AM
Avatar
ICVMC
  • MEMBER
  • 16 POSTS
Okay, thank you. I will do that first and let you know if I have anymore issues. Thank you for time and patience with me.
Nov 16, 2018 at 4:32 AM
Avatar
ASEMASTER6371
  • CERTIFIED EXPERT
  • 52,796 POSTS
You are welcome.

We are always glad to help.

Roy
Nov 16, 2018 at 5:08 AM
Avatar
ICVMC
  • MEMBER
  • 16 POSTS
Fuel pressure stays the same with engine off in accessory. When engine running in idle you can accelerate and let off quietly the truck will shut off and have a hard time restarting.
I put new gas in without drain tank.
Mar 14, 2019 at 10:13 AM
Avatar
ASEMASTER6371
  • CERTIFIED EXPERT
  • 52,796 POSTS
The old fuel will still stay contaminated. New fuel does not change stale fuel.

Roy
Mar 14, 2019 at 2:23 PM
Avatar
ICVMC
  • MEMBER
  • 16 POSTS
Thank you.
Mar 14, 2019 at 4:25 PM
Avatar
ASEMASTER6371
  • CERTIFIED EXPERT
  • 52,796 POSTS
You are welcome.

Always glad to help.

Roy
Mar 14, 2019 at 4:27 PM
Avatar
ICVMC
  • MEMBER
  • 16 POSTS
If a fuel pump shows 60 psi in accessory and drops to 52 psi when running park is this normal?
Mar 22, 2019 at 5:33 AM
Avatar
ASEMASTER6371
  • CERTIFIED EXPERT
  • 52,796 POSTS
Yes, that is normal. A small drop is normal.

Roy
Mar 22, 2019 at 5:44 AM
Avatar
ICVMC
  • MEMBER
  • 16 POSTS
What about a fluctuation when running or a bounce between 50 to 53 while running in park?
Mar 22, 2019 at 6:29 AM
Avatar
ASEMASTER6371
  • CERTIFIED EXPERT
  • 52,796 POSTS
No, that is not normal at all. It should be rock solid with no variations.

Roy
Mar 22, 2019 at 6:31 AM
Avatar
ICVMC
  • MEMBER
  • 16 POSTS
What could be the issue?
Mar 22, 2019 at 7:45 AM
Avatar
ASEMASTER6371
  • CERTIFIED EXPERT
  • 52,796 POSTS
The fuel pump itself.

Did you drain the tank and flush it? that would have been the time to replace it.

Roy
Mar 22, 2019 at 7:54 AM
Avatar
ICVMC
  • MEMBER
  • 16 POSTS
Yes, but did not replace fuel because it was still showing 53 to 60. This fluctuation started later in the search of previous problem that we have been working on.
Mar 22, 2019 at 8:48 AM
Avatar
ASEMASTER6371
  • CERTIFIED EXPERT
  • 52,796 POSTS
Got it.

I would replace the pump.

Rockauto is the best place for pricing.

Roy
Mar 22, 2019 at 9:19 AM
Avatar
ICVMC
  • MEMBER
  • 16 POSTS
Okay, could a fuel pressure solenoid be bad? Are all the spark plug black and on wet?
Mar 30, 2019 at 8:11 PM
Avatar
ASEMASTER6371
  • CERTIFIED EXPERT
  • 52,796 POSTS
There is no solenoid for the fuel pump. There is a relay that commands it to work but does not regulate the pressure.

Roy
Mar 31, 2019 at 5:51 AM