Engine Overheating When Idle

2004 HYUNDAI SONATA
120,500 MILES • AUTOMATIC
Avatar
DEVON RAY
  • MEMBER
  • 2 POSTS
I have recently gotten a radiator flush for my car, but my car still is overheating when it is idle. I was wondering what I should do.
Aug 16, 2019 at 1:55 PM
Advertisement
Avatar
ASEMASTER6371
  • CERTIFIED EXPERT
  • 52,796 POSTS
Good afternoon,

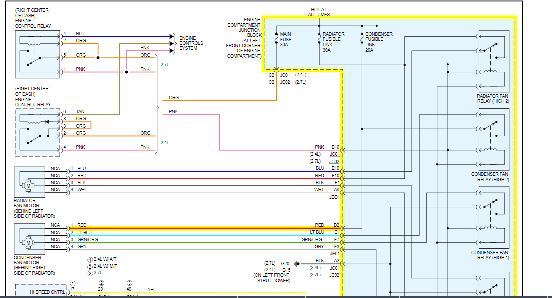
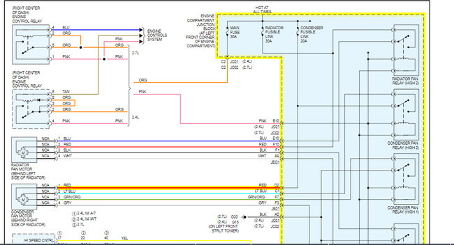
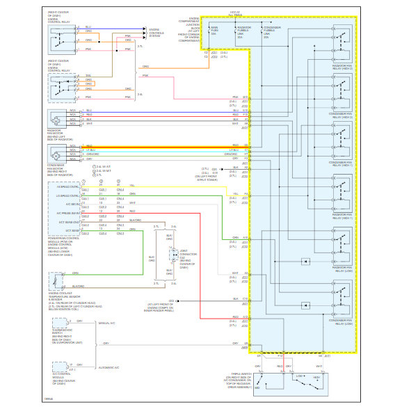
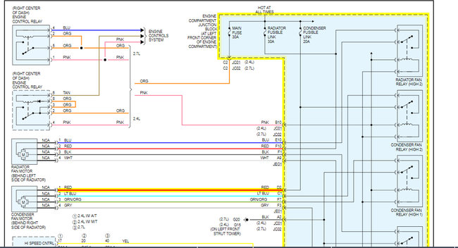
Does the cooling fan work at idle when it gets hot? If it does not, it will overheat.

https://www.2carpros.com/articles/how-an-electric-cooling-fan-works

Roy
Aug 16, 2019 at 2:30 PM
Avatar
DEVON RAY
  • MEMBER
  • 2 POSTS
I am not sure. What would I have to do to see if it works?
Aug 16, 2019 at 3:10 PM
Advertisement
Avatar
ASEMASTER6371
  • CERTIFIED EXPERT
  • 52,796 POSTS
You would hear the fan come on when it gets hot. It will make noise when it starts working.

Roy
Aug 16, 2019 at 3:22 PM