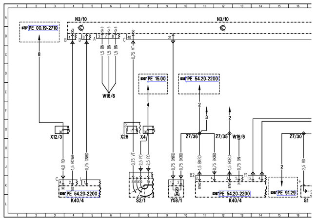
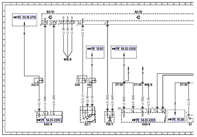
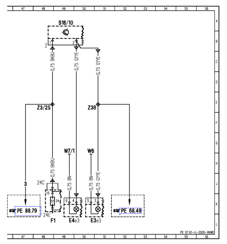
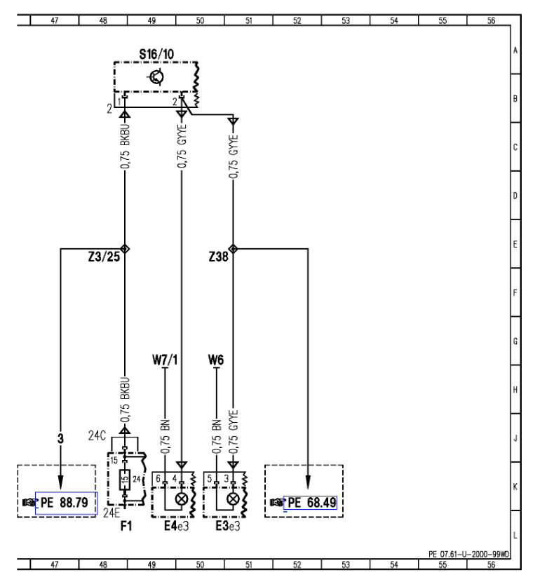
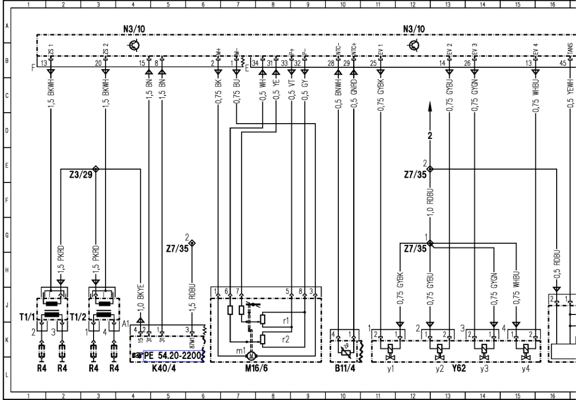
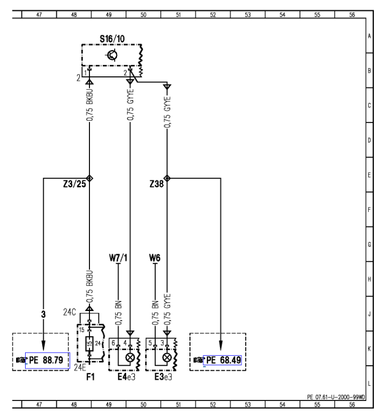
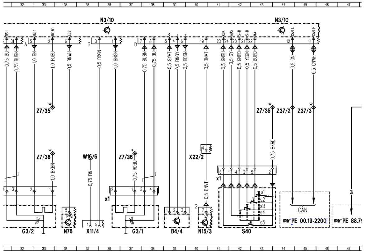
Hello, the engine of the vehicle was not starting, after diagnosis it was observed that the insulator on the wire harness was bad. The harness had been replaced but it seems that some connections are not right somewhere.
Could I get the circuit diagram of the engine?
Thank you very much.
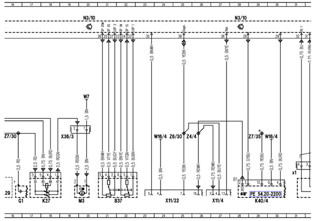
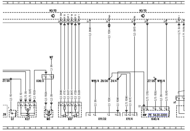
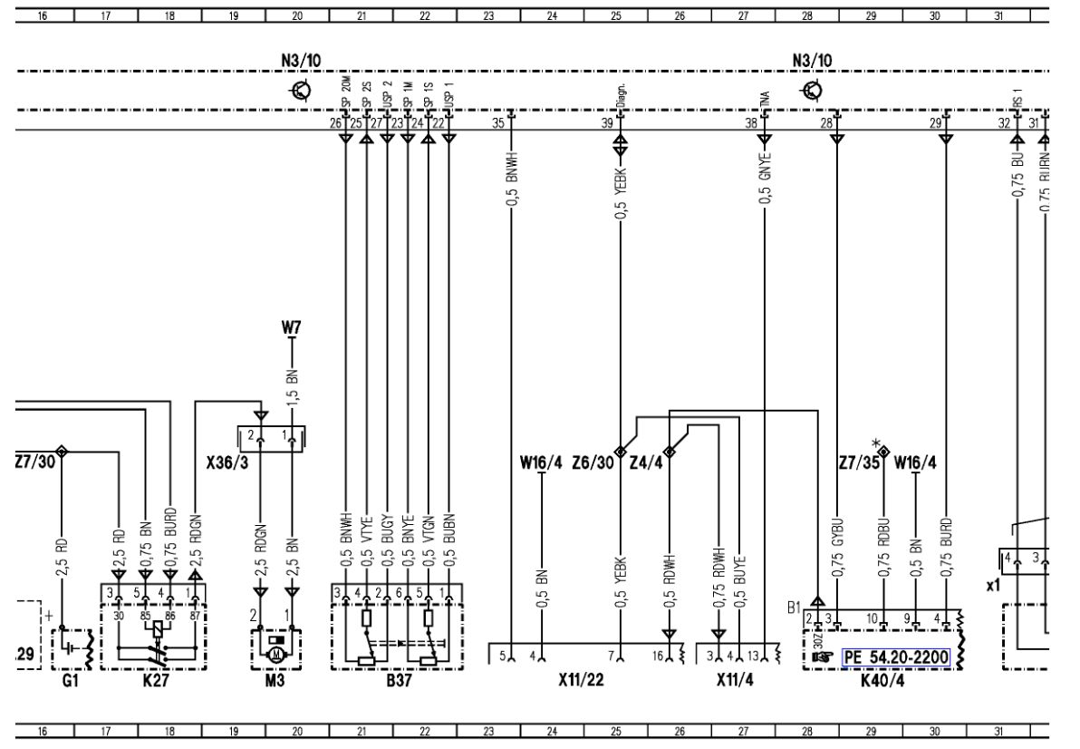
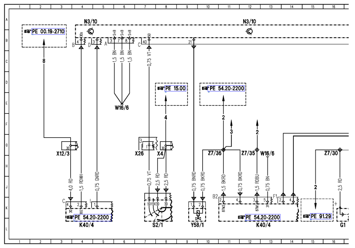
Could I get the circuit diagram of the engine?
Thank you very much.
Nov 19, 2024 at 11:15 AM







