Engine not Revving past 2,200 RPMs code on its memory is P2135?

2006 LEXUS RX 330
213,567 MILES • V6 • 2WD • AUTOMATIC
Avatar
BLESSING EWOBOR
  • MEMBER
  • 754 POSTS
When the vehicle was scanned, the code on its memory is P2135. When I checked the live data, the valves of the acceleration pedal were changing as the gas pedal is stepped on but there is no change in voltage on the throttle position sensor on the scanner tool. What could be the cause? Could I have the engine performance wire diagram? Thank you
Nov 21, 2023 at 9:26 AM
Advertisement
Avatar
STRAILER
  • CERTIFIED EXPERT
  • 53,854 POSTS
The diagnostic trouble code (DTC) P2135 for a 2006 Lexus RX 330 refers to an issue with the Throttle/Pedal Position Sensor/Switch 'A'/'B' Voltage Correlation.


So, this can be the throttle pedal sensor on the throttle body this is why many dealers change both at the same time.

I would change the throttle bore first because they have a higher failure rate. Here is how the job is done and please clear the codes when the job is complete. Check out the images (below). Please let us know what happens.



Nov 21, 2023 at 5:53 PM
Avatar
BLESSING EWOBOR
  • MEMBER
  • 754 POSTS
Thank you very much.
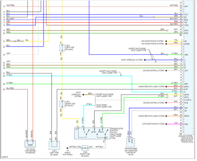
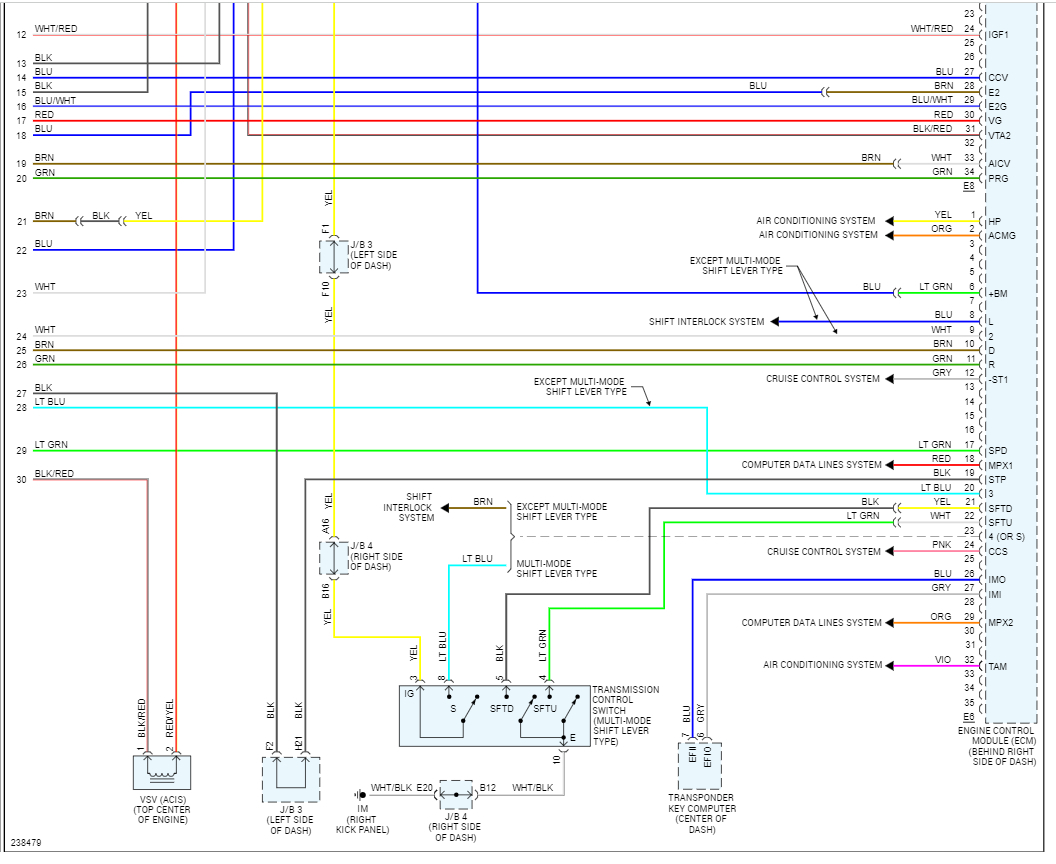
You didn't add the circuit diagram to it.
Nov 21, 2023 at 7:27 PM
Advertisement
Avatar
BLESSING EWOBOR
  • MEMBER
  • 754 POSTS
Two throttle body assembly has been replaced but the problem persist.
Nov 22, 2023 at 12:01 AM
Avatar
BLESSING EWOBOR
  • MEMBER
  • 754 POSTS
The vehicle had been fixed, testing the throttle assembly connector, I found that reference voltage (5v) was not available on pin 5. Tracing the wire, I was able to get where it cut, joining the wire restored the reference voltage.
Thank you very much.
Nov 22, 2023 at 11:30 AM
Avatar
STRAILER
  • CERTIFIED EXPERT
  • 53,854 POSTS
Glad you could get it fixed, thanks for letting us know. Please use 2CarPros anytime we are here to help. Sorry about the lack of wiring, here it is for future reference. Check out the images (below). Let us know if you need anything else.

Nov 23, 2023 at 9:43 AM