Engine missing

1999 OLDSMOBILE 88
114,000 MILES • 3.8L • V6 • 2WD • AUTOMATIC
Avatar
RONALD FRANKLIN
  • MEMBER
  • 14 POSTS
Ran car low on gas. acts like it is hitting on five cylinders instead of six. could it be the fuel pump or filter? If so where are they located? thanks for your help. other suggestions would be greatly appreciated. this car sat for about a year, but after a tune-up it ran great for about six months.
Aug 23, 2017 at 3:17 PM
Advertisement
Avatar
STRAILER
  • CERTIFIED EXPERT
  • 53,854 POSTS
In the tune up did you replace the spark plug wires? If not I would suggest AC/Delco wires you can get them from Amazon.

Please let us know what happens.

Cheers, Ken
Aug 24, 2017 at 11:38 AM
Avatar
RONALD FRANKLIN
  • MEMBER
  • 14 POSTS
When I did the tune-up I replaced wires, plugs, coils. seems to run well when engine is cool, but starts missing after a few minutes. I had it checked at a local auto parts store. the machine said it was caused by random misfire. any suggestions? thanks
Aug 24, 2017 at 2:25 PM
Advertisement
Avatar
STRAILER
  • CERTIFIED EXPERT
  • 53,854 POSTS
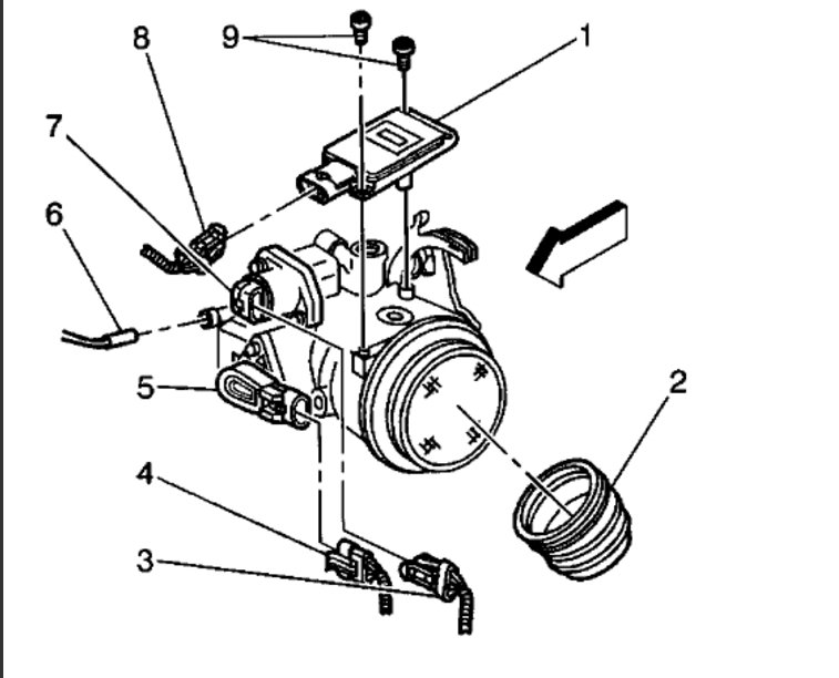
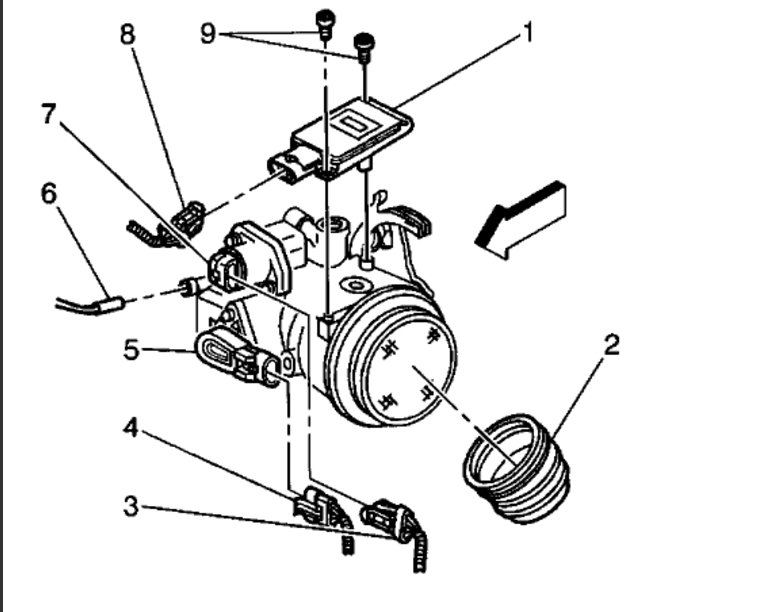
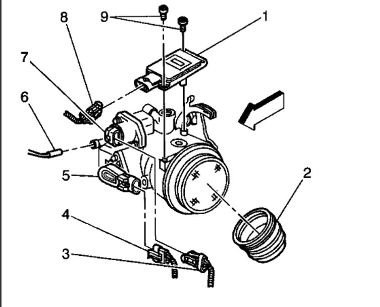
Nice work, a random misfire can be caused by mainly two things, first is the MAF sensor is off causing the system to run lean creating a random misfire. When this sensor goes out it may or may not trigger a code.

Here is a guide to help you get started.

https://www.2carpros.com/articles/how-to-replace-a-mass-air-flow-sensor-maf

The next is a vacuum leak, here is a guide to help you test to confirm and repair

https://www.2carpros.com/articles/how-to-use-an-engine-vacuum-gauge

Please let us know what happens.

Cheers, Ken
Aug 25, 2017 at 12:32 PM
Avatar
RONALD FRANKLIN
  • MEMBER
  • 14 POSTS
Thanks Ken, your the bomb
Aug 25, 2017 at 1:31 PM
Avatar
STRAILER
  • CERTIFIED EXPERT
  • 53,854 POSTS
Please let us know what happens so it will help others :)

Cheers, Ken
Aug 26, 2017 at 12:29 PM