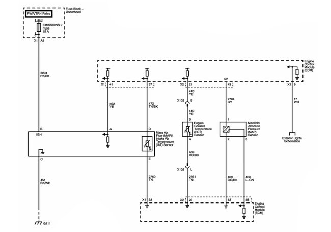
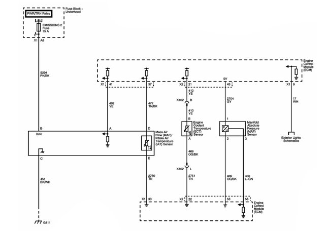
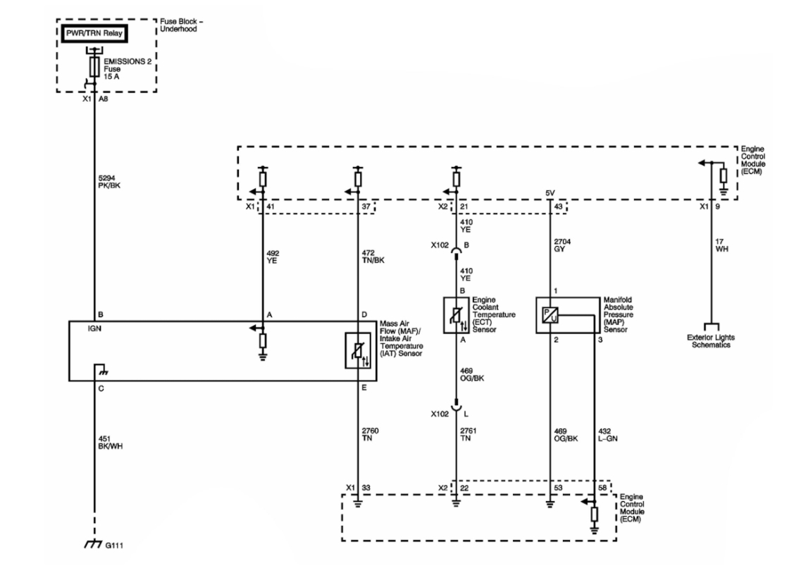
My engine light came on and then my engine started shutting off when I was slowing down or at a red light so I went to get it checked out. The MAP sensor code came up so I ended up replacing that. A week later the same problem started happening again so I took my car to chevy dealership. The MAP sensor came up again so I got it replaced again. The code is still coming up 2 months later. I'm not sure if there is something else triggering this code or there is another MAP sensor hidden. The one that was replaced was the one on top of the engine. This all started when one of my motor mounts went bad. Maybe that triggered something. I need help please.
May 4, 2021 at 6:27 AM










