After engine replacement all of a sudden the engine just shuts off?

2011 HOLDEN CRUZE
150,000 MILES • 1.8L • TURBO • 2WD • MANUAL
Avatar
JOHN_AMBROSE
  • MEMBER
  • 7 POSTS
My mechanic replaced my 2011 holden Cruze engine with 2013 holden Cruze engine. The car runs fine, but all of sudden the engine just shuts off, when you turn on again, it runs as if nothing happened and the same happens again. Any suggestions to fix the issue?
Oct 4, 2023 at 5:34 AM
Advertisement
Avatar
STRAILER
  • CERTIFIED EXPERT
  • 53,854 POSTS
It sounds like the throttle actuator, or the accelerator position sensor is bad, but can I ask if you have a check engine light on? We should run the codes to see if any are stored, this guide can help:

https://www.2carpros.com/articles/checking-a-service-engine-soon-or-check-engine-light-on-or-flashing

Here is how to change out the throttle body and accelerator sensor in case a code comes up for either one. Check out the images (below). Let us know what happens and please upload pictures or videos of the problem so we can see what's going on.
Oct 4, 2023 at 8:25 AM
Avatar
JOHN_AMBROSE
  • MEMBER
  • 7 POSTS
Thanks for your quick reply, Ken. I have shared your opinion with my mechanic and have asked if the engine light turns on, I will keep you posted once I hear from him. By the way I'm from Australia so the time zone differs, and my reply time might differ. Just letting you know and thanks for helping me out.
Oct 4, 2023 at 8:34 AM
Advertisement
Avatar
JOHN_AMBROSE
  • MEMBER
  • 7 POSTS
Hi Ken, the engine light does not turn on just now my mechanic confirmed.
Oct 5, 2023 at 1:02 AM
Avatar
STRAILER
  • CERTIFIED EXPERT
  • 53,854 POSTS
Hi John,

Even though the check engine light is not on it could still have codes, did the mechanic scan for codes anyway?

Oct 5, 2023 at 8:22 AM
Avatar
BORIS K
  • CERTIFIED EXPERT
  • 836 POSTS
Hello,

Has the mechanic carried out a CAN scan to see if any DTC are recorded in the ECM?
Not all DTC will cause the engine check light to come on.

How to:
https://www.2carpros.com/articles/can-scan-controller-area-network-easy

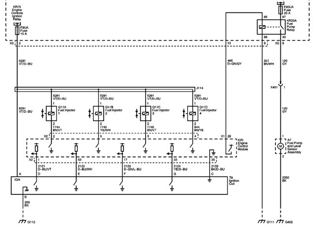
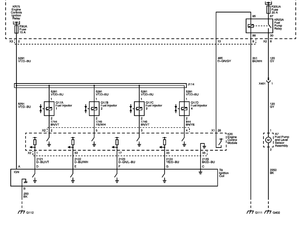
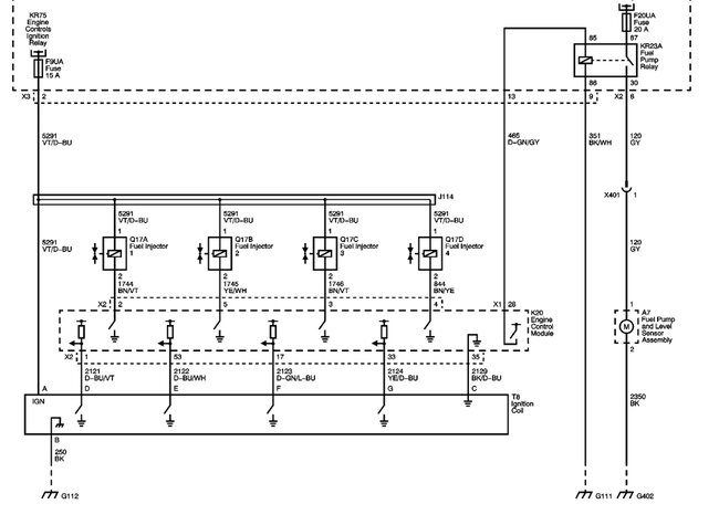
Also, I would suggest checking the coil pack connector.
While the engine is idling wiggle on the connector and ground wire, black wire.
See if the engine will cut out.
The ground wire, black wire, is bolted to the cylinder head just underneath the coil connector. Check that the terminal is clean and secure.
This problem will not set any fault codes.
Wiring diagram below.

A pdf
https://static.nhtsa.gov/odi/tsbs/2016/MC-10112283-9999.pdf

Cheers, Boris

Oct 5, 2023 at 8:26 AM
Avatar
JOHN_AMBROSE
  • MEMBER
  • 7 POSTS
Thanks for the suggestion Boris, my mechanic hasn't checked it yet, I'll keep you posted with updates.
Oct 6, 2023 at 12:38 PM
Avatar
JOHN_AMBROSE
  • MEMBER
  • 7 POSTS
Hello Boris! you nailed it. Coil pack was blown. Once it was replaced with a new one, it's thousand times better, but still there is a small lag or skip in the engine. My mechanic is looking for other faults in the engine. Will keep you posted with updates!
Oct 10, 2023 at 5:31 AM
Avatar
STRAILER
  • CERTIFIED EXPERT
  • 53,854 POSTS
BORIS K is one of our best! Thanks for letting us know, we are here to help, please use 2CarPros anytime.
Oct 10, 2023 at 8:48 AM
Avatar
JOHN_AMBROSE
  • MEMBER
  • 7 POSTS
Hi Boris, my mechanic has fixed the engine and now the engine light on the dashboard glows. But, when the vehicle is idle, stopping in traffic lights or stopping in round about it struggles for pickup and stalls a lot and stops sometimes. Do you think reprogramming the engine would fix the issue or please shed your expertise?
Oct 15, 2023 at 6:00 AM
Avatar
STRAILER
  • CERTIFIED EXPERT
  • 53,854 POSTS
Sorry, we only handle one problem per thread, please post your new question here, you must be logged in.

https://www.2carpros.com/questions/new

Cheers, Ken
Oct 15, 2023 at 11:01 AM