Engine Hot AC Off message turned on and codes $7EA, $7E8

2007 CHEVROLET EQUINOX
108,000 MILES • 3.4L • V6 • 4WD • AUTOMATIC
Avatar
MELVIND0O92
  • MEMBER
  • 15 POSTS
About a week ago the "Engine Hot A/C Off" came up on the dash and the fans kick on as soon as the car starts even after sitting for a couple of days in thirty degree weather. The temperature gauge reads normal and the heat works like it should. The check engine light is on. I have a cheap computer i hooked up and codes $7EA, $7E8 came up but when i hit read codes there is nothing. I have never seen those codes before. I was curious if it could be a bad temp sensor or maybe the thermostat is stuck open.
Oct 28, 2020 at 10:17 AM
Advertisement
Avatar
ASEMASTER6371
  • CERTIFIED EXPERT
  • 52,796 POSTS
Good afternoon,

If the engine is running hot, then the thermostat is stuck closed not open.

https://www.2carpros.com/articles/engine-overheating-or-running-hot

https://www.2carpros.com/articles/replace-thermostat

https://www.2carpros.com/articles/coolant-flush-and-refill-all-cars

As far as the codes, they are not codes. The codes will start with a P and 4 numbers.

https://www.2carpros.com/articles/checking-a-service-engine-soon-or-check-engine-light-on-or-flashing

Roy

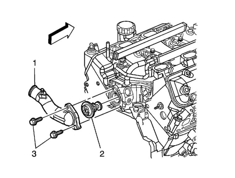
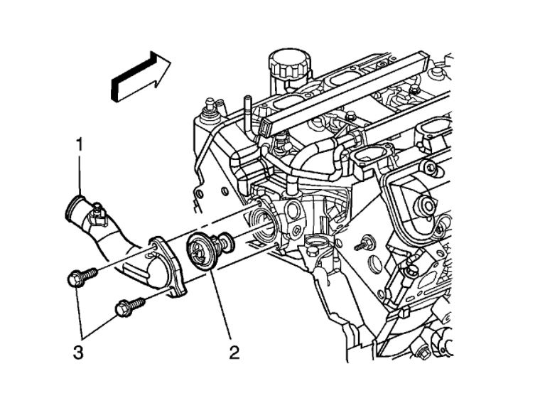
Engine Coolant Thermostat Housing Replacement

Removal Procedure

1. Remove the fuel injector sight shield.
2. Drain the coolant until the coolant level is below the thermostat.
3. Remove the crossover exhaust pipe.
4. Remove the radiator hose from the thermostat housing.


imageOpen In New TabZoom/Print

5. Remove the thermostat housing bolts (2) and clean any sealer from the bolt threads.
6. Remove the thermostat housing (1).
7. Remove the thermostat (3).
8. Clean the mating surfaces.

Installation Procedure


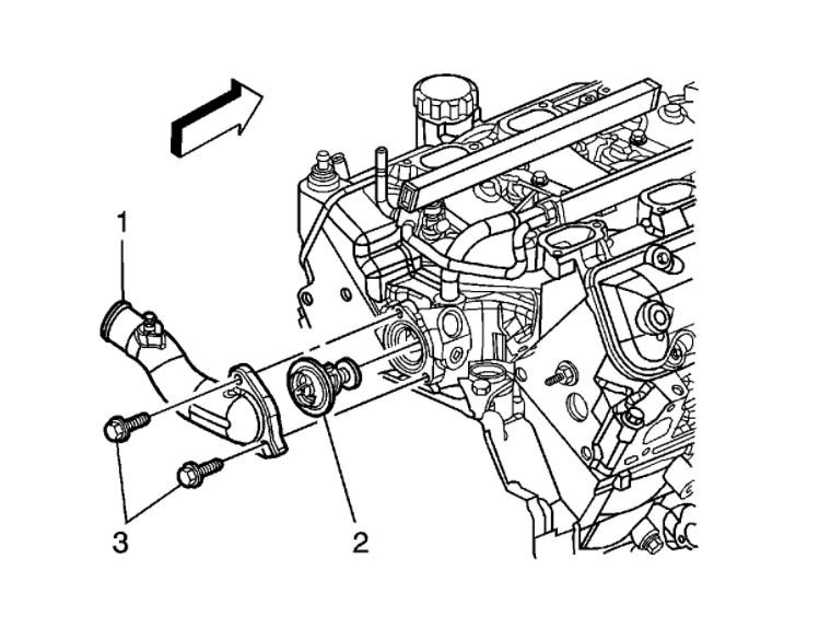
imageOpen In New TabZoom/Print

1. Install the thermostat (3).
2. Install the thermostat housing (1).
3. Install RTV sealer, GM P/N 12378478 (Canadian P/N 88900041) or the equivalent, to the thermostat housing bolt threads.

Notice: Refer to Fastener Notice .

4. Install the thermostat housing bolts (2).

Tighten the bolts to 25 N.m (18 lb ft).

5. Install the radiator hose to the thermostat housing.
6. Install the crossover exhaust pipe.
7. Install the fuel injector sight shield.
8. Fill the cooling system.
9. Inspect the cooling system for leaks. Repair as necessary.


Oct 28, 2020 at 2:58 PM
Avatar
MELVIND0O92
  • MEMBER
  • 15 POSTS
Even with the engine as cold as the air outside the fans still kick on. I was doing some reading and I found other people have had those same numbers ($7ea, $7e8) pop up. I know they're not codes but there was several other people that have seen them before. In those forums someone mentioned a bad connection for the fan relay or temperature sensor could cause the engine hot ac off light to come on. I was just curious if anyone had a solution before i start going through everything. Thanks for the response.
Oct 28, 2020 at 3:12 PM
Advertisement
Avatar
ASEMASTER6371
  • CERTIFIED EXPERT
  • 52,796 POSTS
When the engine shows high temperature, it will disable the A/C system. That is programmed into the ECM.

If it were the coolant sensor, it would code for it. Since you have no codes, I doubt that is your issue.

Can you take a screenshot of where you see those numbers?

Roy


Information

Scan Tool Data Definitions

Use the Scan Tool Data Display Values and Definitions Information in order to assist in diagnosing control module problems. Compare the vehicles actual scan tool data with the typical data display value table information. Use the data information in order to aid in understanding the nature of the problem when the vehicle does not match with the typical data display values.

The scan tool data values were taken from a known good vehicle under the following conditions:

The ignition switch is in the ON position.
The engine is running at idle.
The vehicle is in PARK.
The doors are closed.
The windows are closed.
The A/C is ON, in UPPER mode.
The ambient air temperatures are at 22-27°C (70-80°F).

The HVAC Scan Tool Data Definitions contains a brief description of all HVAC related parameters available on the scan tool. A given parameter may appear in any one of the data lists. In some cases, the parameter may appear more than once or in more than one data list in order to group certain related parameters together.

BCM-Battery 1
The scan tool displays the level of battery voltage at the BCM.

BCM-A/C Sensor
BCM-Switch Inputs-A/C Request
The scan tool displays On or Off. The BCM uses the A/C switch input in order to determine if A/C compressor operation is being requested by the HVAC control module.

ECM-A/C Disengage
The scan tool displays the None, A/C Pressure, Engine Speed, Batt Voltage, Anti Stall, RPM Unstable, WOT, Launch Perf., Coolant Hot disable of the a/c compressor.

ECM-A/C High side Pressure Sensor
The scan tool displays 0-3570 kPa (0-518 psi). This parameter represents the high side pressure sensor voltage signal converted to pressure.

ECM-A/C High Side Pressure Switch
The scan tool displays the High Pressure/Normal status of the high side pressure switch.

ECM-A/C Off for WOT
The scan tool displays the high throttle disable of the a/c compressor.

ECM-A/C Off Due to Pressure
The scan tool displays the status of the a/c high side pressure sensor. The scan tool displays Active/Inactive.

ECM-A/C Auto Recirc
The scan tool displays the status of the recirculation actuator.

ECM-A/C Relay Command
The scan tool displays On or Off. On is displayed when the ECM has energized the A/C clutch relay.

ECM-A/C Refrigerant Pressure
The scan tool displays 0-4000 kPa (0-580 psi). This parameter represents the A/C refrigerant pressure sensor voltage signal converted to pressure.

ECM-A/C Refrigerant Pressure
The scan tool displays 0 to 5 volts. The output of the A/C refrigerant pressure sensor.

ECM-A/C Request
The scan tool displays Yes or No. Yes is displayed when the BCM is requesting A/C system operation.

ECM-ECT
The scan tool displays a range of 40-151°C (40-304°F). The ECM applies 5 volts to the ECT sensor circuit. The sensor is a thermistor which changes internal resistance as the engine temperature changes. When the sensor is cold, internal resistance is high, the ECM senses a high signal voltage and interprets the voltage as a cold engine. As the sensor warms, internal resistance decreases, the voltage signal decreases, and the ECM interprets the lower voltage as a warm engine.

ECM-Ignition 1 Signal
The scan tool shows available voltage at the ECM.
Oct 28, 2020 at 3:24 PM
Avatar
MELVIND0O92
  • MEMBER
  • 15 POSTS
This is with the vehicle running. The temperature gauge on the dash never goes above normal while driving down the road or sitting at idle.
Oct 28, 2020 at 3:32 PM
Avatar
ASEMASTER6371
  • CERTIFIED EXPERT
  • 52,796 POSTS
They are not codes, they are systems.

In live data, can you post the engine temperature?

Roy
Oct 28, 2020 at 3:40 PM
Avatar
MELVIND0O92
  • MEMBER
  • 15 POSTS
It's a friends car. I wont be able to get to it until tomorrow around noon. But i will let you know what it reads. My cheap scanner did not bring up any codes but the check engine light was on.
Oct 28, 2020 at 4:35 PM
Avatar
ASEMASTER6371
  • CERTIFIED EXPERT
  • 52,796 POSTS
Okay, you will need a better scanner.

Keep me updated.

Roy
Oct 28, 2020 at 4:37 PM
Avatar
MELVIND0O92
  • MEMBER
  • 15 POSTS
Okay. Will do.
Oct 28, 2020 at 4:38 PM
Avatar
ASEMASTER6371
  • CERTIFIED EXPERT
  • 52,796 POSTS
You can also go to a parts store and have them read it for free.

Roy
Oct 28, 2020 at 4:40 PM
Avatar
MELVIND0O92
  • MEMBER
  • 15 POSTS
Oh, okay. Thanks for the info.
Oct 28, 2020 at 4:43 PM
Avatar
ASEMASTER6371
  • CERTIFIED EXPERT
  • 52,796 POSTS
You are welcome.

Always glad to help.

Roy
Oct 28, 2020 at 4:44 PM
Avatar
MELVIND0O92
  • MEMBER
  • 15 POSTS
Hello. So I got more info for you. The scanner is saying the engine is running at 203 degrees after running for 45 minutes. Also I got a P0405 code to come up. Not sure if that helps at all.
Oct 29, 2020 at 10:56 AM
Avatar
ASEMASTER6371
  • CERTIFIED EXPERT
  • 52,796 POSTS
Okay, this code is for the EGR valve. What you need to do is remove the valve and start the engine. You should have a exhaust leak as well as a strong vacuum leak sucking sound.

If you have both of them, replace the EGR valve.

Roy

1. Remove the exhaust gas recirculation (EGR) pipe (4).
2. Disconnect the EGR valve electrical connector.
3. Remove the EGR valve bolts (2).
4. Remove the EGR valve (1).
5. Remove the EGR valve gasket.
6. Clean the EGR valve mating surface.
Oct 29, 2020 at 11:04 AM
Avatar
MELVIND0O92
  • MEMBER
  • 15 POSTS
I forgot to add the service traction control and service stabilitrak lights are on.
Oct 29, 2020 at 11:05 AM
Avatar
ASEMASTER6371
  • CERTIFIED EXPERT
  • 52,796 POSTS
Then there is another code. They are part of the ABS system.

https://www.2carpros.com/articles/abs-warning-light-on-easy-repair-guide

There is an ABS code stored. You need to have the code read by someone with a scanner that can access the ABS system.

https://www.2carpros.com/articles/checking-a-service-engine-soon-or-check-engine-light-on-or-flashing

Roy
Oct 29, 2020 at 11:08 AM
Avatar
MELVIND0O92
  • MEMBER
  • 15 POSTS
Okay, thank you. I'm going to go pull the EGR valve and I will let you know what happens.
Oct 29, 2020 at 11:14 AM
Avatar
ASEMASTER6371
  • CERTIFIED EXPERT
  • 52,796 POSTS
You are welcome.

Keep us updated.

Always glad to help.

Roy
Oct 29, 2020 at 11:17 AM
Avatar
MELVIND0O92
  • MEMBER
  • 15 POSTS
I got it off and it does have a vacuum leak as well as the exhaust leak.
Oct 29, 2020 at 11:48 AM
Avatar
ASEMASTER6371
  • CERTIFIED EXPERT
  • 52,796 POSTS
Then I would replace the EGR valve.

Roy
Oct 29, 2020 at 11:58 AM
Avatar
MELVIND0O92
  • MEMBER
  • 15 POSTS
Okay. Thanks for the help. It's greatly appreciated. I will let you know what happens when I get the new one.
Oct 29, 2020 at 12:09 PM
Avatar
MELVIND0O92
  • MEMBER
  • 15 POSTS
I got the new EGR valve installed last night. So far so good. Thanks for helping me out. Also, for whatever reason the service traction control and service stabilitrak lights are off now as well.
Oct 30, 2020 at 10:37 AM
Avatar
ASEMASTER6371
  • CERTIFIED EXPERT
  • 52,796 POSTS
Good deal.

You are welcome.

Let me know if you have any other questions.

Roy
Oct 30, 2020 at 2:05 PM