Engine hesitate on acceleration?

2015 LEXUS RX 350
233,765 MILES • 3.5L • 6 CYL • 2WD • AUTOMATIC
Avatar
BLESSING EWOBOR
  • MEMBER
  • 754 POSTS
The engine is hesitating when accelerating, I have scanned the vehicle but there are no fault codes on the Engine. I have checked the spark plugs and the fuel injectors, fuel pump and they are in good condition.
Please could I get the engine performance wire diagram.
Thank you
Oct 5, 2023 at 12:34 AM
Advertisement
Avatar
BORIS K
  • CERTIFIED EXPERT
  • 836 POSTS
Hello,

Most common causes for hesitation under acceleration/load is a high-tension issue.
This could be caused by arcing ignition coils or spark plugs.
It could also be caused by bad fuel, blocked fuel or air filter.

A good link regarding possible causes for hesitation:
https://www.2carpros.com/articles/engine-hesitates

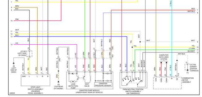
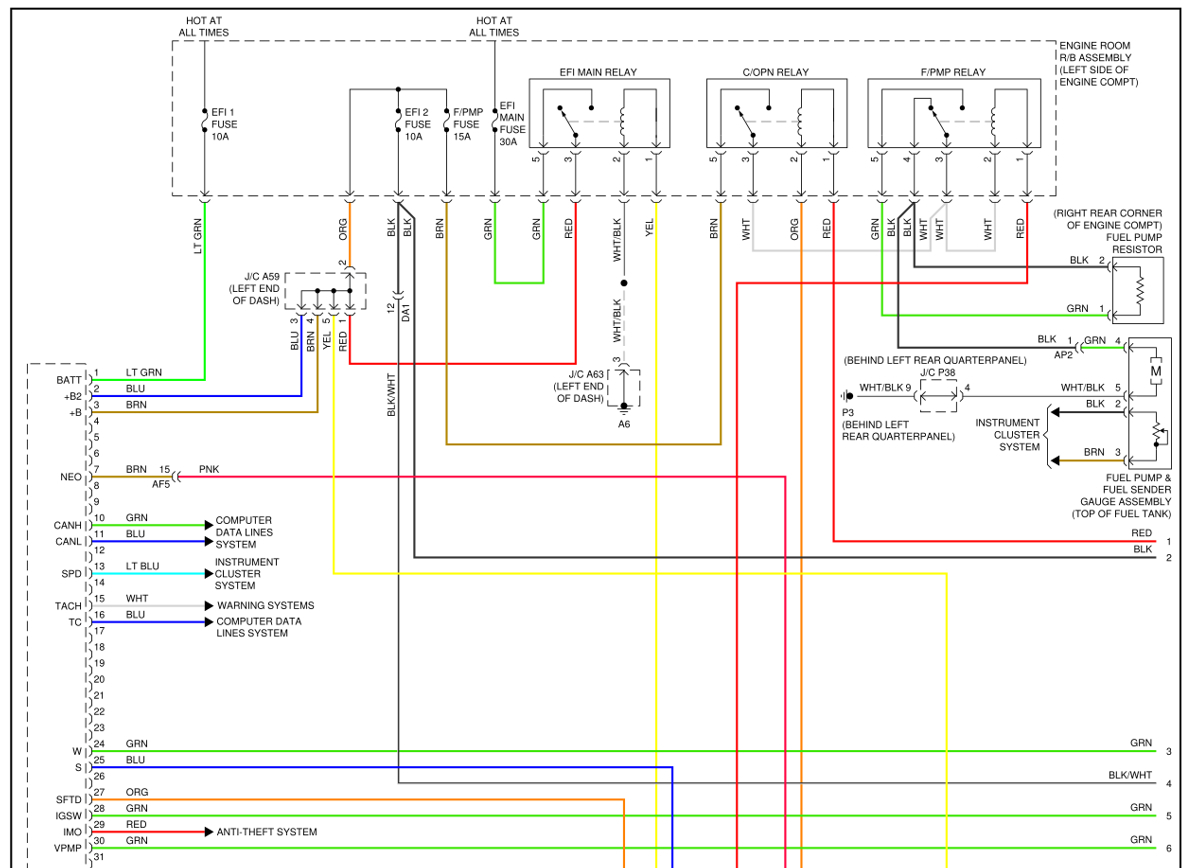
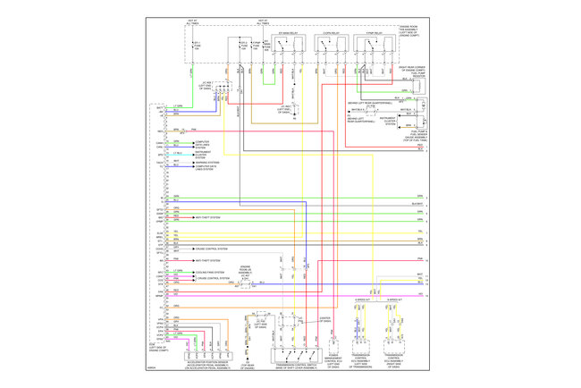
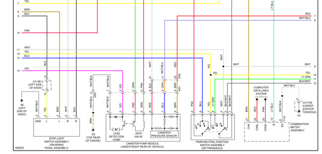
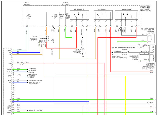
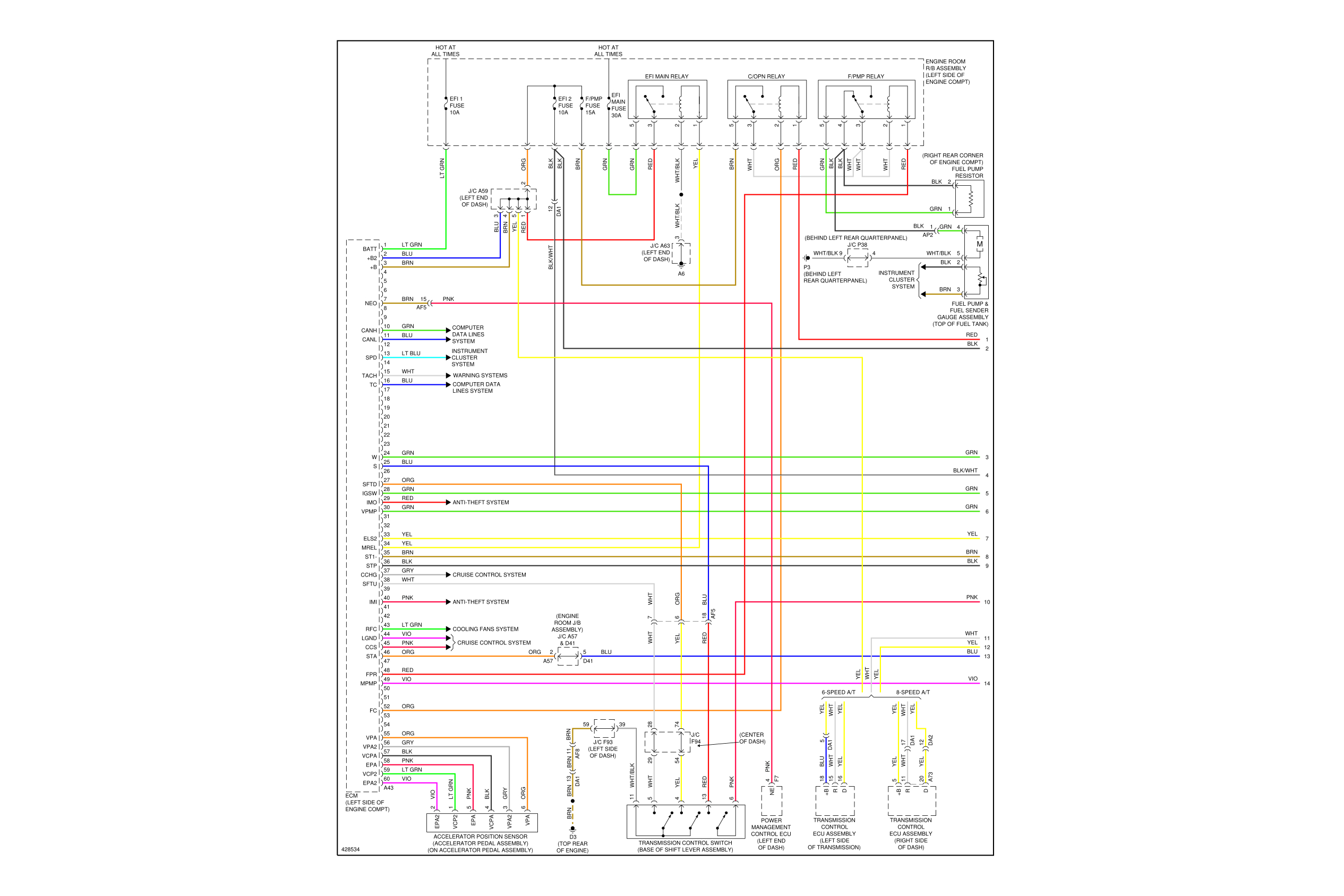
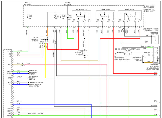
Please see images below regarding the requested diagrams.
I had to cut the images and enlarge them for better display.

Cheers, Boris
Oct 5, 2023 at 4:17 AM
Avatar
BLESSING EWOBOR
  • MEMBER
  • 754 POSTS
Thank you very much for the diagrams and the article.
Oct 5, 2023 at 7:26 PM
Advertisement
Avatar
BLESSING EWOBOR
  • MEMBER
  • 754 POSTS
The problem has been fixed.
Thank you
Oct 6, 2023 at 6:07 PM