Engine fan randomly comes on without the car being started?

2008 MINI COOPER S
137,000 MILES • 1.6L • 4 CYL • TURBO • 2WD • MANUAL
Avatar
RAYNE OLIVIER
  • MEMBER
  • 2 POSTS
Hi,

It runs for about 5 minutes, switches off and runs again. It does this for about an hour then it stops. Also, when I start it in the morning it has a jerking sound like it's struggling to maintain its 1,000 RPMs on Idle.

Please can someone advise me what to do?

Thanks
Apr 9, 2023 at 12:41 AM
Advertisement
Avatar
STRAILER
  • CERTIFIED EXPERT
  • 53,854 POSTS
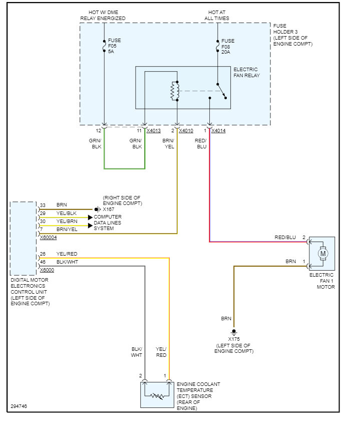
We only handle one problem per thread so please start a new question for the "struggling to maintain its 1,000 RPMs on Idle" problem. Yep, it sounds like the digital motor electronics control unit on the left side of the engine compartment is going out. I believe this is the location of the unit that needs to be replaced. Can you double check to make sure you can find this part? Check out the images (below). Please let us know what happens. Also here are the cooling fan wiring diagrams so you can see how the system works.
Apr 10, 2023 at 10:27 AM