Code P0238, engine fan?

2016 FORD F-150
125,000 MILES • 3.5L • 6 CYL • TURBO • 4WD • AUTOMATIC
Avatar
DONSABARESE
  • MEMBER
  • 1 POST
It started with my engine fan running on high whenever I put either the heat or A/C on will not shut off until either was turned off. Also, the A/C would randomly be cold or blow warm air. I recently flushed the radiator both because it was due and hopeful that might solve the problem…it didn’t! I checked the refrigerant and it read within the limits.

Since then, the fan still runs on high and now I’m getting a whining noise. I have yet to get a check engine light and the truck isn’t overheating. My buddy came over with his code scanner and it came up with a P0238 code.

I’m really at wits end with this. I just paid the truck off and now things seem to be breaking. Any help/advice would be greatly appreciated.
Feb 25, 2023 at 1:45 AM
Advertisement
Avatar
STRAILER
  • CERTIFIED EXPERT
  • 53,855 POSTS
So, it looks like these are separate problems, but you never know until we get it fixed. P0238 the intake boost pressure sensor A input circuit out of specifications. So, this can be the sensor problem or a turbo going out. When you said it had a scan done was it a CAN scan which does the entire car? Here is info on it. You can get a CAN scanner (Controller Area Network) from Amazon for about $35.00.

Here is a video to show you how:

https://youtu.be/u-4syLc-ifQ

and

https://www.2carpros.com/articles/can-scan-controller-area-network-easy

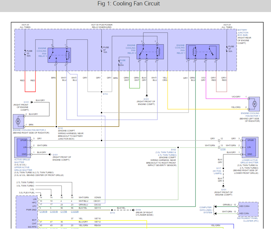
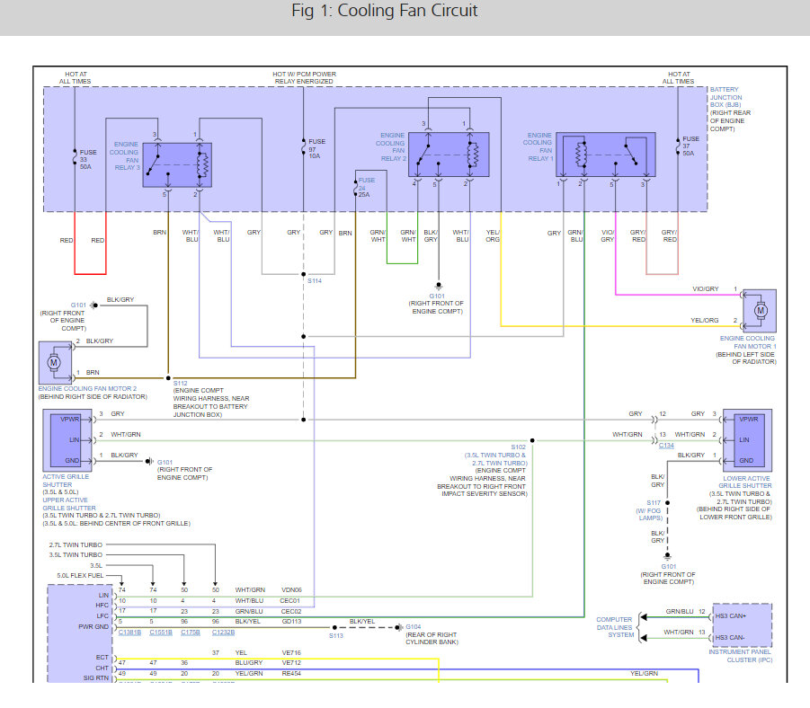
This will do the HVAC system as well. Also, the cooling fan is controlled by the engine cylinder head temperature sensor which could be bad. I would connect a scanner capable of reading the sensor values when the engine is cold and if one of them says the engine is hot the sensor is bad. Here are the location of the sensor and the cooling fan wiring diagram so you can see how the system works. Check out the images (below). Please let us know what you find. We are interested to see what it is. As you can see it is at the rear of the engine and not too easy to get to :/



Feb 25, 2023 at 5:17 PM