Hello, engine electronics lamp is up. My car listed above is for the European market!
Error displayed is:
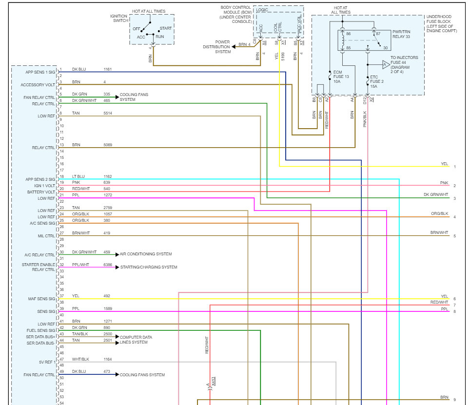
P0013 - Camshaft Position Actuator "B" Control Circuit/Open (Bank 1).
Could it be a timing chain problem or just an Exhaust fumes solenoids?
Thank you for considering my question.
Srdjan Avramov
Error displayed is:
P0013 - Camshaft Position Actuator "B" Control Circuit/Open (Bank 1).
Could it be a timing chain problem or just an Exhaust fumes solenoids?
Thank you for considering my question.
Srdjan Avramov
Oct 9, 2023 at 10:45 AM













