Engine shutting off?

2005 HYUNDAI SONATA
178,000 MILES • 2.7L • V6 • 2WD • AUTOMATIC
Avatar
RANDY1955
  • MEMBER
  • 71 POSTS
Okay, try to figure this one out. This thing started when you put it in reverse it would shut off not all the time. When it did it would start right back up and the heater would come on. Now it is doing the same thing in drive, now it is happening more often.
So, does anyone have a theory?
Apr 30, 2023 at 2:19 PM
Advertisement
Avatar
AL514
  • CERTIFIED EXPERT
  • 5,465 POSTS
Hello, this definitely sounds like a strange one. Does the vehicle start back up in Drive or Reverse? Or do you need to put it back in Park and restart it? And when you say the heater comes on, do you mean just the blower motor turns on, and you have air pushing out the vents and is it any specific speed it comes on? If the engine restarts in Drive or Reverse, then there is some issue with Transmission Range switch which should only allow the vehicle to start in Park or Neutral. Going through the wiring diagrams I don't see anything yet that can put the 2 issues together yet. Has the Check engine light been on at any point and possibly gone off? Where there might be a code stored in the engine computer. But my first couple of questions might help us get some direction here. Possibly a corroded connector somewhere that feeding or shorting power to other circuits.
Also does your vehicle have the Sport Mode switch, that you can use to shift the transmission up or down in a manual type mode? And does that affect the concern?
Apr 30, 2023 at 7:32 PM
Avatar
AL514
  • CERTIFIED EXPERT
  • 5,465 POSTS
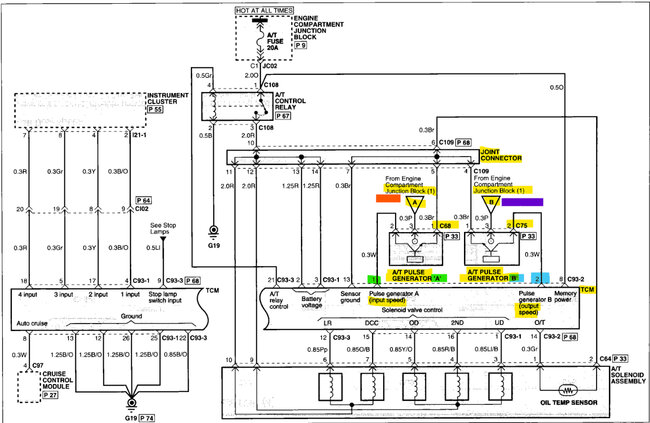
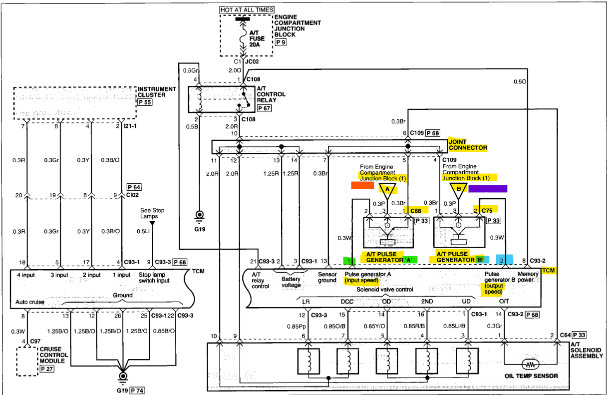
So, here's a theory: after going through pages of service info and coming across some Technical Service Bulletins (TSB) about either Output and Input speed sensors on the transmission malfunctioning or pin contact inside the connectors. Or the Transmission Control Module (TCM) connector pin issues. Diagrams 1-3 are for the Transmission Output and Input speed sensors, diagrams 4,5 show the relationship of the speed sensors and the power feed diagrams. In the 3rd diagram you can see that it also feeds power to the Blower Motor relay.
Diagrams 6,7 are the TCM connector C933 where the Transmission Range Switch, 8 is the TCM speed sensor connector C93-2.
According to the TSB malfunctions in these areas can trigger faults when shifting from Park to Reverse or Park to Drive. So having the transmission control module and engine computer for any diagnostic trouble codes may show something.

The 9th diagram shows a location where there might be a wire pinched under a bolt or hold down screw. These locations shown should be on the passenger side down where the foot area is. In the 1st picture you can see the side of the blower motor.

The connectors in the 7,8 diagrams are on the Transmission Control Module which is located behind the lower center of the dash (diagram 10).
There is a huge list of TSBs for this transmission, so the manufacturer is aware there are a lot of problems with them. But I would start with having the vehicle scanned for any diagnostic codes, a full vehicle scan. If there are no codes stored at all, which there should be with the stalling out. But if there are none, then inspecting the connectors and wiring would be next.
Apr 30, 2023 at 9:51 PM
Advertisement
Avatar
RANDY1955
  • MEMBER
  • 71 POSTS
You have to put it in park to start it back up. And no, the check engine light is not on. And when this happens the heater is on blowing. And it does have that sport mode manually, but I have never used it. Like I say this started happening about a week ago and it first started happening when I put it in reverse it dyed but now it is happening in drive not all the time just once in a while.
May 1, 2023 at 9:45 AM
Avatar
AL514
  • CERTIFIED EXPERT
  • 5,465 POSTS
With intermittent issues like this that progress and get worse, i would start with having scanned the transmission control module to see if there are any stored codes. There are multiple TSBs on this Park to Reverse or Park to Drive "Shock" they're calling it. If the transmission is sending a signal that is incorrect from one of the speed sensors, neither the TCM nor engine computer doesn't know what to do. And it might be defaulting to a failsafe mode. These input and output speed sensors are Pulse Generators with built in transistors, the output speed sensor happens to be on the same power feed as the blower motor. I have seen transmission shift solenoids being activated and deactivated so fast by a faulty circuit that there was 29volts back feeding into the fuse panel. So, checking wiring and scanning for codes to begin with is a must. There's no way to give you an absolute answer to what might be happening with the vehicle, Thats why these manufacturers post the TSBs, it gives technicians a place to start checking. They only put out recalls or TSBs if they have seen thousands of the same issue coming into the dealerships. You can try pulling these Blower Motor fuse and see if there's any change, but I think the heater coming on is a result of the problem, not the cause.
All the modules in the vehicle are on a data bus network together, so almost anything is possible these days. Start checking some of the wiring harness plugs on the transmission for bad connections or corroded contacts. You might unplug something, plug it back in and the issue disappears. With the pins in these connectors heating up and cooling down year after year, especially with the high mileage you have, pin fitment becomes a huge issue. With the key off, I would check every connector on the transmission, and the control module if you can find it behind the center of the dash.
And the only way to check the speed sensors correctly is to monitor them with a scan tool or oscilloscope and see if one is faulting or if there are any voltage spikes while shifting into Drive, and that's what kicking on the heater control. Bad ignition coils can cause voltage spikes that trigger other sensors as well, we see that all the time. These vehicles are also known for the wiring harness inside the transmission breaking the solder joints.
May 1, 2023 at 3:21 PM