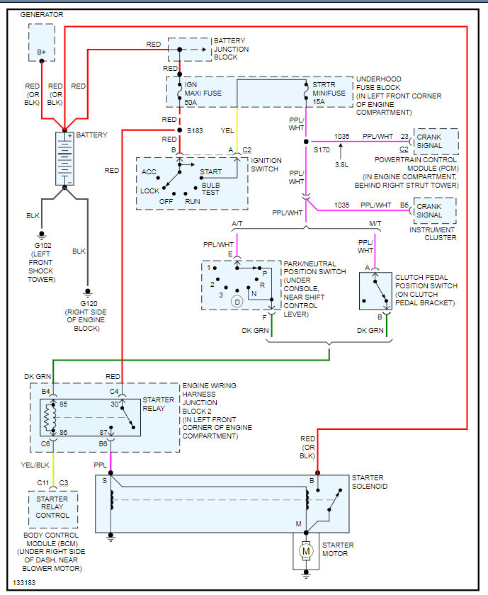
I had a too lean code and the car would bog out and shut off. I would wait about an hour before it would restart. Then I changed starter and intake manifold then had misfire code. The car dies and wouldn't turn over then went silent. Makes no sound when turning key. It has a new battery and a new starter.
Aug 24, 2020 at 1:44 PM

