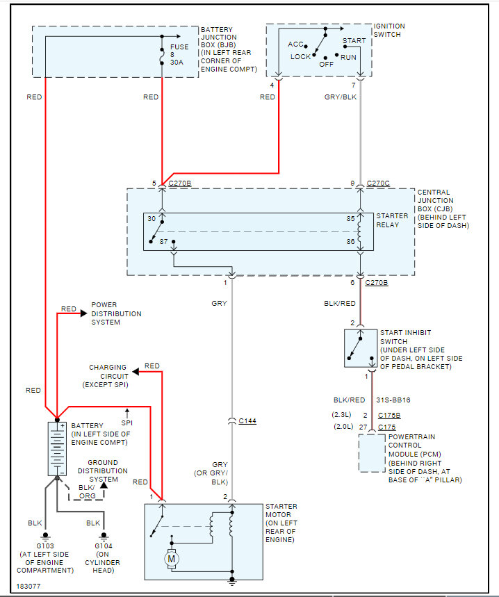
engine does not turn over with key. I opened the ignition relay and pushed the points together. the engine swings but does not start. could it be a faulty relay.
Jan 26, 2015 at 9:22 AM
