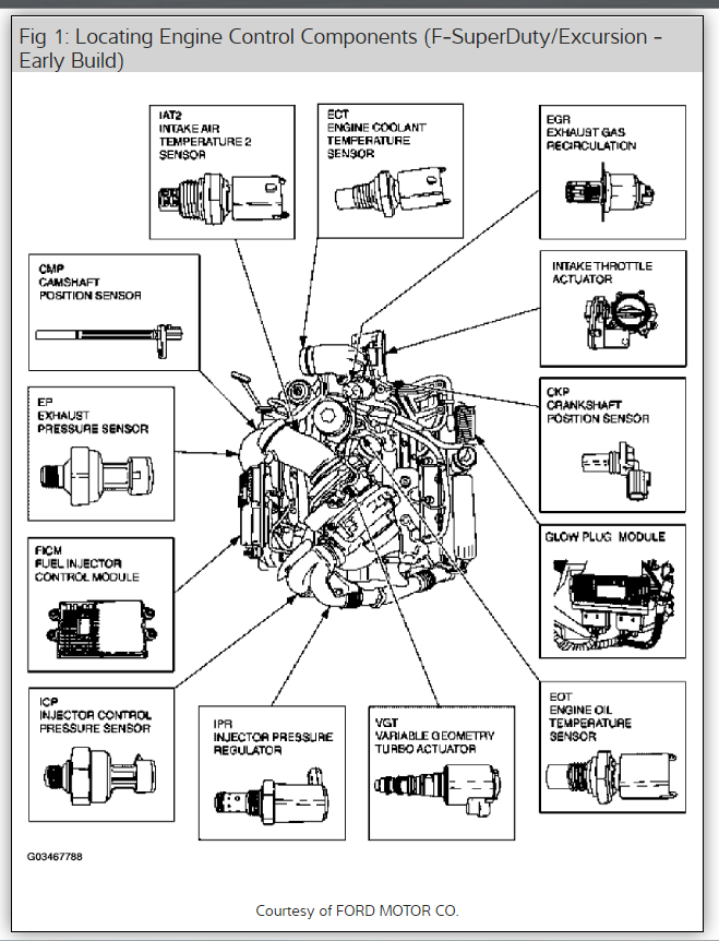
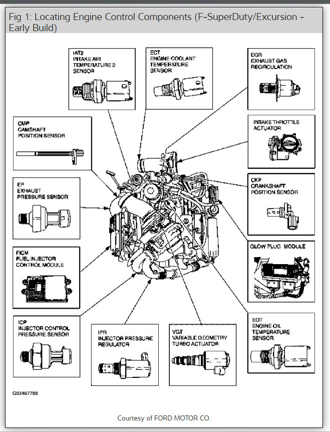
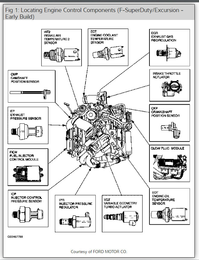
The first thing I would check is the Injection Control Pressure (ICP) sensor or the wire harness and connector to the ICP sensor. The last one of these I did, I had to replace the connector because it was damaged and corroded. The sensor is located on the right (passenger side) valve cover next near the oil fill neck. These sensors have a tendency to leak and cause problems but if I were a betting man, I would lean more towards the wiring or connector.
The 6.0 Power-stroke uses high pressure oil to operate the fuel injectors. The ICP monitors the oil pressure supplied to the fuel injectors. If it sees no pressure, the controller will shut down the injectors electrically. There are tools you can buy that will allow you to monitor critical engine parameters while driving. This might help you get a clearer picture of what is going on.
Since the problem is intermittent, I suspect the wiring but start with the ICP, then the next thing I would check is the cam position sensor (CPS) and it is associated wires and connector. The CPS sensor is located on the front of the engine at about the 11-o'clock position from the crank pulley. Let me know what you find.
Jon
Nov 1, 2018 at 6:40 AM