Engine cranks but will not produce spark

1990 BUICK SKYLARK
58,000 MILES • 6 CYL • 2WD • AUTOMATIC
Avatar
RANDALL729
  • MEMBER
  • 59 POSTS
The car ran well when I got it. Soon the car would not start when the engine was hot. When it cooled down, it could be started again. Now, it will not start and no spark to any of the plugs. It will pump fuel. I have replaced about everything to do with the ignition system. I recently got a code reader. Will this give me a code even with the engine not running?
Oct 13, 2018 at 1:54 PM
Advertisement
Avatar
ASEMASTER6371
  • CERTIFIED EXPERT
  • 52,796 POSTS
Good evening.

No, there will be no code at all. this is the OBD 1 system and it is too old for that.

What exact parts did you replace?

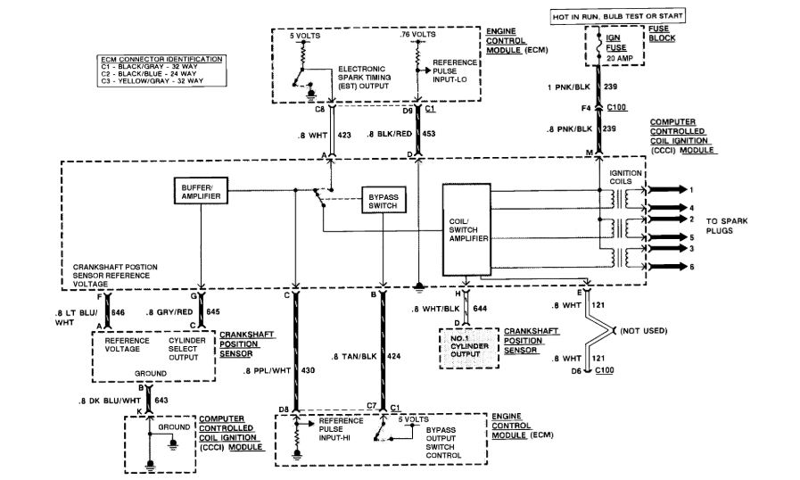
The most common cause for no spark is either the crank sensor or the ignition module.

Roy

https://www.2carpros.com/articles/how-to-test-an-ignition-system
Oct 13, 2018 at 5:21 PM
Avatar
RANDALL729
  • MEMBER
  • 59 POSTS
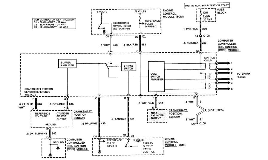
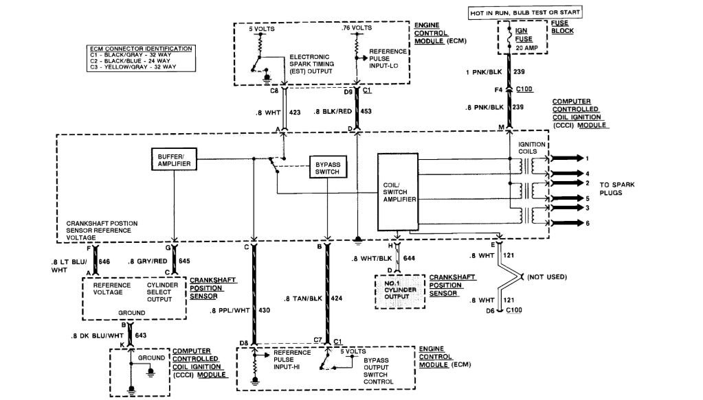
I replaced crankshaft sensor, camshaft sensor, ignition module, relays, coils, coolant temperature sensor, fuel pump, spark plugs, on and on etc. Checked wires and fuses. There is not anything more I can think of. Thank you for any advice. It is too nice of a car to get towed to a scrap yard. My uncle bought it new and now is deceased so being the nephew I have it. I will be looking at the images you sent for sure. Is there a light blue wire with white stripe that is going into the ignition module, that I should attempt to put 12 volts to? I was reading about in one of the articles. On your wiring diagram I am seeing a bypass switch? Would I be trying to look into this and where is it roughly?
Oct 14, 2018 at 12:36 PM
Advertisement
Avatar
ASEMASTER6371
  • CERTIFIED EXPERT
  • 52,796 POSTS
No, do not apply power to any wire as you may cause damage to the module and the ECM.

Check the fuse listed for the pink/black wire for power with the key on.

Roy
Oct 14, 2018 at 12:54 PM