Engine cooling system

1995 CADILLAC SLS
90,000 MILES • 4.6L • V8 • 2WD • AUTOMATIC
Avatar
JOHN 57
  • MEMBER
  • 6 POSTS
No fans unless A/C on. Both fans on at 220 degrees with A/C on. Do you have a wiring schematic? I have seen schematics for other years and it appears on low speed the fan motor grounds through the other motor , but two different PCM controlling methods.
I assume the temperature sensor and fans are good since the fans came on, with A/C on, when temperature got to 220. Most likely a relay or two.
Jan 23, 2018 at 11:29 PM
Advertisement
Avatar
STEVE W.
  • CERTIFIED EXPERT
  • 15,113 POSTS
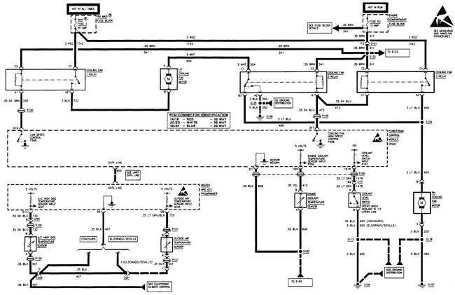
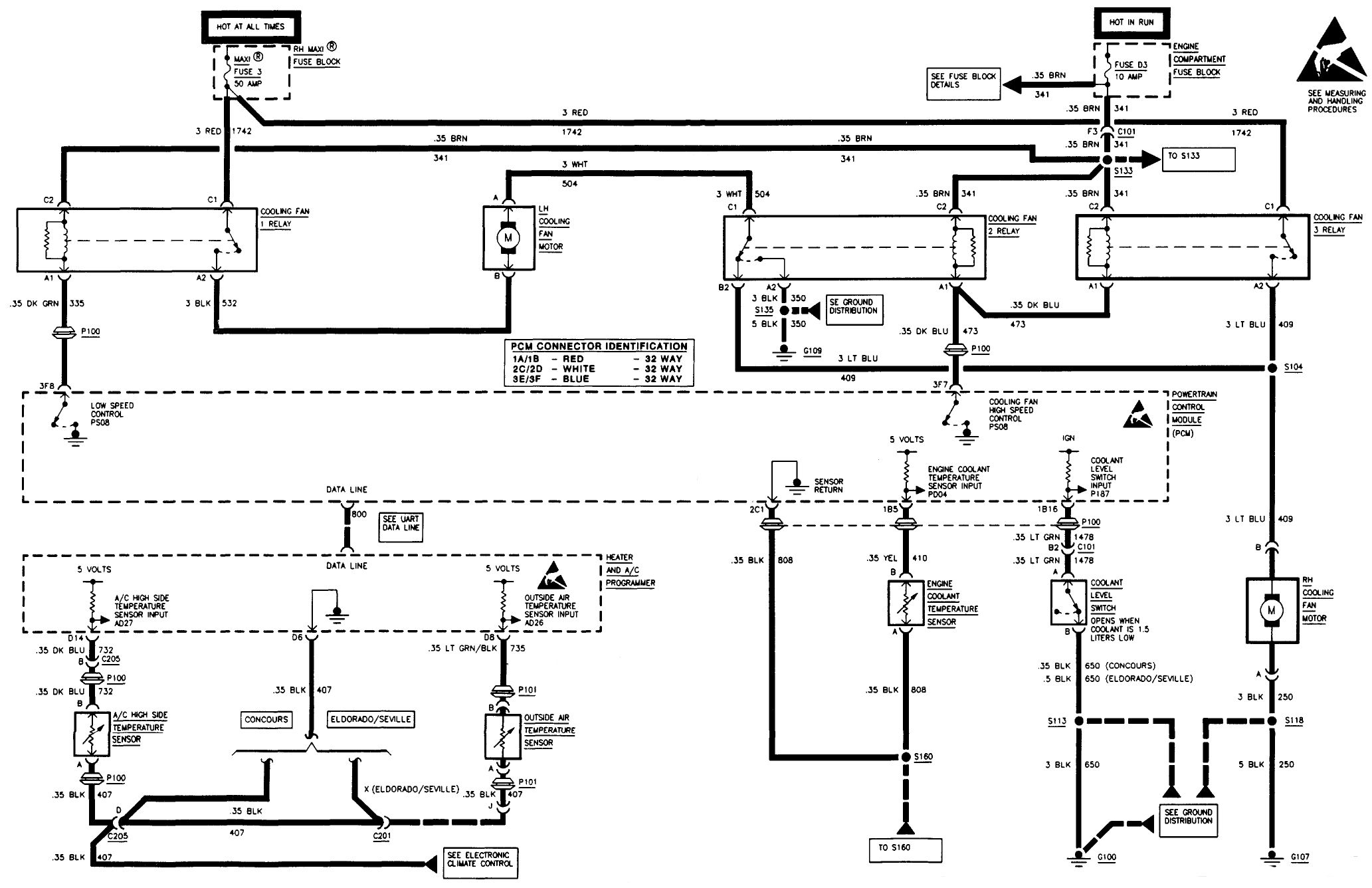
Here is a wiring diagram. However, the fan control system sounds like it is working okay. It will not turn the fans on low speed until the coolant temperatures hit 223 and high comes on at 230 degrees. Now if you are setting still with the AC off and you get no fans until it exceeds those numbers then I would start at the coolant temperature sensor. The AC uses a different sensor to turn the fans on/off.


The power-train control module (PCM) controls both cooling fans by controlling three relays through two outputs. There are two modes of cooling fan operation: low speed and high speed. In the low speed mode, the cooling fans are powered in series. Cooling Fan one relay is energized by the PCM and both cooling fans run at low speed. In the high speed mode the cooling fans are powered in parallel which allows the fans to run at high speed. Cooling fans operate only when the ignition is in "run".

Low Speed Conditions

The PCM turns on the cooling fans at low speed when the engine coolant temperature exceeds 106°C (223°F) . The cooling fans turn off when the engine coolant temperature falls below 102°C (215°F) . The PCM monitors engine coolant temperature using the engine coolant temperature sensor input on CKT 410.

The PCM also activates low speed operation if the transaxle temperature exceeds 115°C (239°F) . The cooling fans turn off when the transaxle temperature falls below 102°(216°F) . The PCM monitors transaxle temperature using the transaxle temperature sensor input on CKT 585.

The Heater and A/C Programmer requests the PCM to turn on the cooling fans at low speed through the UART data line when the A/C high side refrigerant temperature exceeds 50°C (122°F) . The Programmer requests that the cooling fans be turned off once the A/C high side refrigerant temperature falls below 47°C (117°F) .

The PCM turns on the cooling fans at low speed if a low coolant level is detected and the engine coolant temperature exceeds 80°C (176°F) . The cooling fans turn off when the engine coolant temperature drops below 76°C (168°F) . The PCM monitors coolant level using the coolant level switch input on CKT 1478.

Low Speed Operation
Low speed cooling fan operation occurs when the PCM grounds the Cooling Fan 1 Relay coil on CKT 335. With only Cooling Fan 1 Relay energized, voltage is applied to both the LH and RH Cooling Fan Motors. The voltage path to the motors is through the Cooling Fan 1 Relay contacts, CKTs 532, 504 and 409, and the Cooling Fan 2 Relay contacts. The two motors are connected to each other through a series circuit. This causes the voltage applied by Maxi(R) Fuse 3 to be divided between the two motors. The division of the voltage causes the motors to operate at a lower speed. In the series mode the fans are grounded through CKT 250 and ground G107.

High Speed Conditions
The PCM turns on the cooling fans at high speed when the engine coolant temperature exceeds 110°C (230°F) or the Engine Coolant Temperature Sensor circuit has failed. The PCM switches the cooling fans to low speed operation once the engine coolant temperature falls below 105°C (221°F) .

The PCM also activates high speed operation it the transaxle temperature exceeds 120°C (250°F) . The PCM switches to low speed operation once the transaxle temperature falls below 115°C (239°F) .

The PCM turns on the cooling fans at high speed if a low coolant level is detected and engine coolant temperature exceeds 85°C (185°F) . The PCM switches to low speed operation once the engine coolant temperature drops below 80°C (176°F) .

147 The Heater and A/C Programmer requests the PCM to turn on the cooling fans at high speed through the UART data line if the A/C high side refrigerant temperature exceeds 64°C (147°F) .The Heater and A/C Programmer requests that the cooling fans switch to low speed operation when the A/C high side refrigerant temperature falls below 51°C (124°F) .

High Speed Operation
The cooling fans run at high speed when Cooling Fan 1, 2, and 3 Relays are grounded by the PCM on circuits 335 and 473. With cooling Fan 1 Relay energized, battery voltage is applied to the LH Cooling Fan Motor through the relay contacts. The LH Cooling Fan Motor runs at high speed because the fan motor is grounded directly through the contacts of the Cooling Fan 2 Relay, CKT 350 and ground G109.

Since Cooling Fan 3 Relay is also energized during high speed operation, battery voltage is applied directly to the RH Cooling Fan Motor through the closed contacts of the relay. The fan runs at high speed since it is no longer in series with the LH Cooling Fan Motor.
Jan 24, 2018 at 12:24 AM
Avatar
JOHN 57
  • MEMBER
  • 6 POSTS
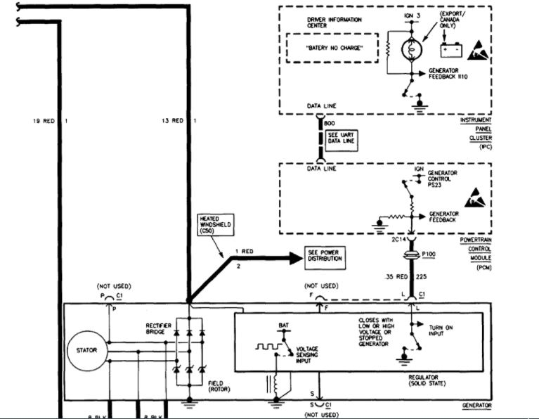
Cooling circuit good. Now battery not charging. need charging schematic and some of your great imput!
Jan 24, 2018 at 7:30 PM
Advertisement
Avatar
ASEMASTER6371
  • CERTIFIED EXPERT
  • 52,796 POSTS
Good morning

Attached the charging system diagram you requested.

As far as the cooling fans, with the engine off and the key on, remove the connector from the coolant sensor by the thermostat. if the fans come on that checks the entire circuit.

let me know the results.

Roy
Jan 27, 2018 at 6:34 AM