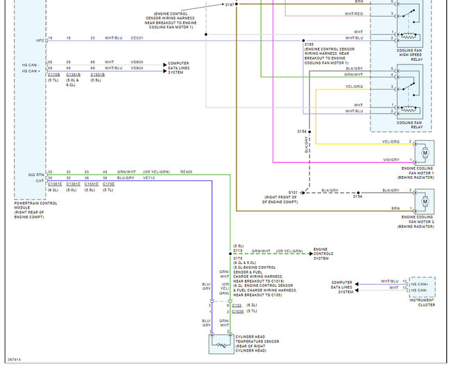
Hello, the vehicle had a blown head gasket, it had been replaced but it was observed that the engine cooling fan is not functioning, even when the A/C is put on, none of the fan is rotating. All fuse has been checked, and they are in good condition.
What could have been the cause?
Could I have the wire diagram for the system?
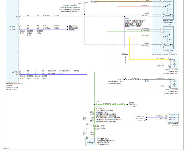
What could have been the cause?
Could I have the wire diagram for the system?
Dec 1, 2024 at 7:55 AM

