Engine cooling fan not working

2011 FORD FIESTA
120,000 MILES • 1.6L • 4 CYL • 2WD • AUTOMATIC
Avatar
T41M4DG3
  • MEMBER
  • 1 POST
Cooling fan does not come on when A/C is on in turn blows hot air from A/C when not in motion.
Sep 22, 2019 at 12:18 PM
Advertisement
Avatar
STRAILER
  • CERTIFIED EXPERT
  • 53,854 POSTS
Hello,

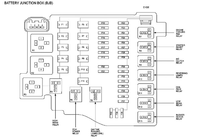
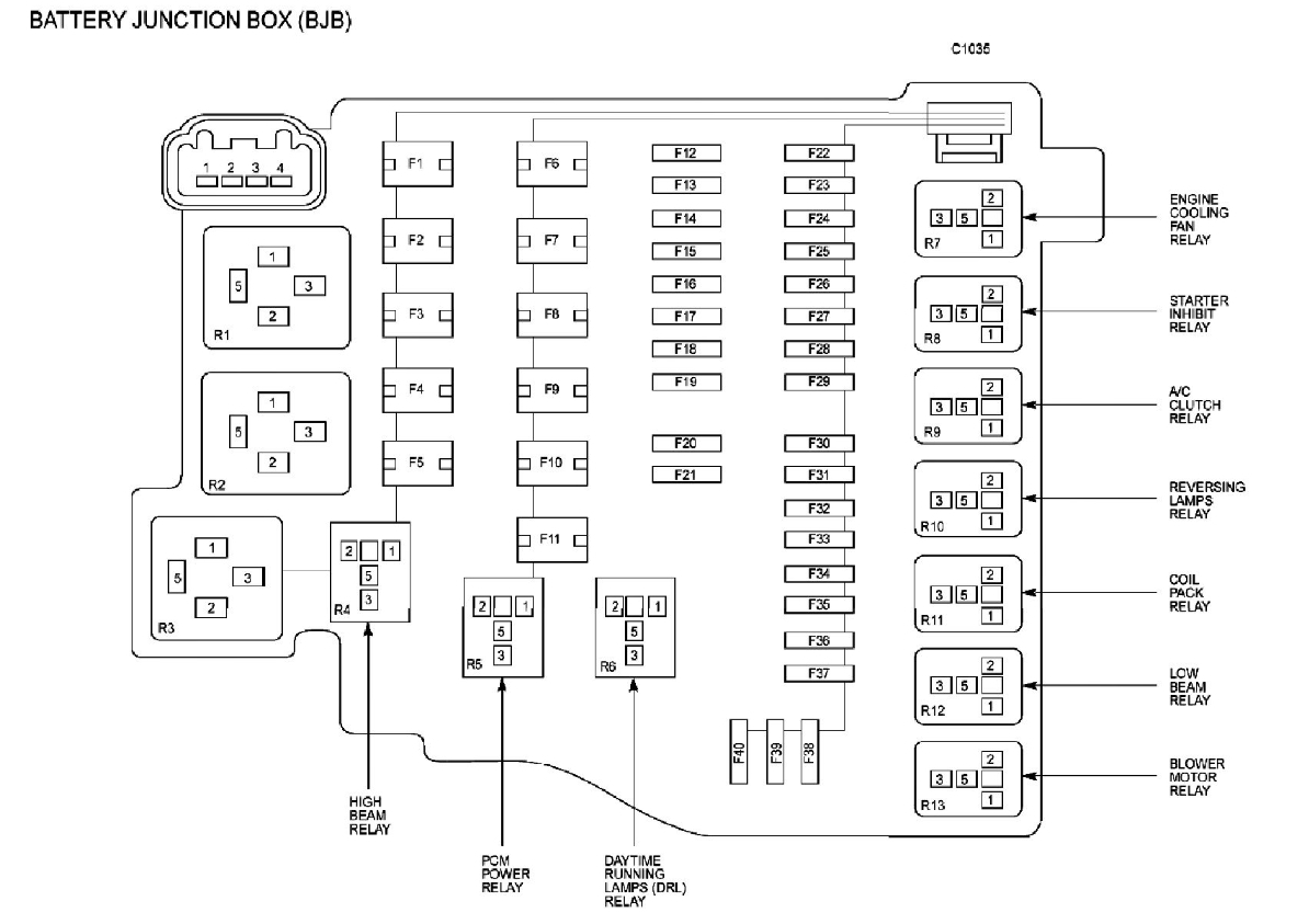
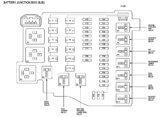
This sounds like the motor or the relay is bad. here are two guides to help us fix the problem with the cooling fan wiring diagrams below with the fuse and relay locations as well with diagrams below to show you your car:

https://www.2carpros.com/articles/how-to-check-an-electrical-relay-and-wiring-control-circuit

and

https://www.2carpros.com/articles/replace-electric-fan-motor

Check out the diagrams (below). Please let us know what you find. We are interested to see what it is.
Sep 23, 2019 at 1:02 PM