Engine coolant boiling

2008 FORD FOCUS
236,438 MILES • 1.6L • 4 CYL • 2WD
Avatar
SANELE
  • MEMBER
  • 19 POSTS
My coolant get boiling then cascade out of the coolant bottle and some vaporized. So I don't know what the real problem is.
Apr 22, 2019 at 4:51 AM
Advertisement
Avatar
HARRY P
  • CERTIFIED EXPERT
  • 2,292 POSTS
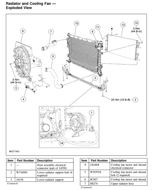
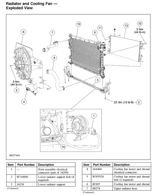
Hello and welcome to 2CarPros. If you can see/hear the electric cooling fan running without the AC running, then I'd bet on a bad thermostat. I'm attaching Alldata's information on how to replace it in the images below. Start there and follow up on this thread and we'll go from there.

Hope this helps!
Apr 22, 2019 at 6:41 AM
Avatar
SANELE
  • MEMBER
  • 19 POSTS
I was also think so but why it boiling if it thermostat and both two pipes are hot I mean inlet and outlet pipes
May 1, 2019 at 10:02 AM
Advertisement
Avatar
STRAILER
  • CERTIFIED EXPERT
  • 53,854 POSTS
This could be becasue the head gasket is blown lets find out by following these two guides

https://www.2carpros.com/articles/head-gasket-blown-test

and

https://www.2carpros.com/articles/engine-overheating-or-running-hot

Please run down these guides and report back.
May 3, 2019 at 1:26 PM
Avatar
HARRY P
  • CERTIFIED EXPERT
  • 2,292 POSTS
Hmm yes that could be a head gasket issue. Definitely run the test that Ken has laid out. It's easy and cheap enough to do. Also, pull out the oil dipstick and see what the oil looks like. If it looks like a milkshake (muddy,cruddy, whitefish brownish gunk), then you've got either a head gasket issue or an intake manifold gasket issue. This us because when one of those fails, coolant will get by the seals and gaskets and mix in with the oil. If you see this muddy gunk in there, do not drive the car anywhere until it is fixed. Driving it could cause catastrophic engine damage.
May 5, 2019 at 1:03 PM
Avatar
HARRY P
  • CERTIFIED EXPERT
  • 2,292 POSTS
Just a thought, but if it's not actually overheating, you might just need a new radiator cap. They cost about $10.00 to $15.00 at parts shops. Grab one and see what happens.
May 7, 2019 at 3:56 AM