Engine starts to run hot when car is stopped

2002 OLDSMOBILE ALERO
90,000 MILES • 3.4L • 6 CYL • 2WD • AUTOMATIC
Avatar
MOLLYDAD
  • MEMBER
  • 28 POSTS
My car started running a little hot, little low on coolant but got it up to level. when going down road gauge reads a little over half as usual but noticed now at stop light it goes up to 3/4 on gauge then back down when moving. Any ideas?
Jul 16, 2021 at 4:56 PM
Advertisement
Avatar
SQM
  • CERTIFIED EXPERT
  • 6,383 POSTS
Hello,

It almost sounds like the cooling fan might not be operating properly. That's why when you are at a stop light air does not flow thru the radiator, then when you get moving it cools back down.
When the car is running check to see if both of the fan come on. Sometimes one fan failure can cause the engine to overheat.
You might also want to make sure the radiator cap is in good condition.

You might find this article helpful:

https://www.2carpros.com/articles/engine-overheating-or-running-hot

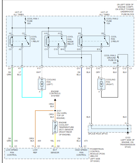
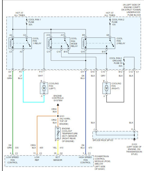
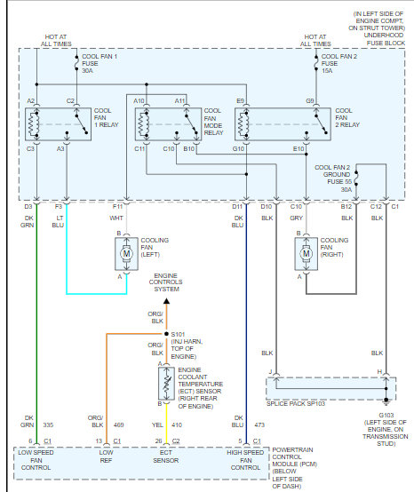
I have also attached the cooling fan diagram for your reference.

Please let me know if you have any questions.

Thank you.
Jul 16, 2021 at 5:45 PM
Avatar
MOLLYDAD
  • MEMBER
  • 28 POSTS
Seems like both fans working but now that it got cooler outside it seems like I'm not getting hot air out of heater.
Oct 25, 2021 at 11:54 AM
Advertisement
Avatar
SQM
  • CERTIFIED EXPERT
  • 6,383 POSTS
So does is not run hot when you are at standstill?
Not getting heat can mean low fluid, block in the heater core etc.
Oct 25, 2021 at 2:56 PM
Avatar
MOLLYDAD
  • MEMBER
  • 28 POSTS
Runs a little warm but it drops back down when moving.
Oct 25, 2021 at 3:23 PM
Avatar
SQM
  • CERTIFIED EXPERT
  • 6,383 POSTS
Do you get no heat out of the heater when its stand still or driving? or both?
Does the temperature drops below the normal range?
Oct 25, 2021 at 5:30 PM
Avatar
MOLLYDAD
  • MEMBER
  • 28 POSTS
Temperature stays about half to 3/4 on gauge. It does take a while for temperature gauge to go up at first. Gets some heat but not like it used to.
Oct 25, 2021 at 9:53 PM
Avatar
MOLLYDAD
  • MEMBER
  • 28 POSTS
I noticed overflow cap getting hard to get off, hard to turn.
Oct 26, 2021 at 9:14 AM
Avatar
SQM
  • CERTIFIED EXPERT
  • 6,383 POSTS
Is it leaking coolant? Many times a bad cap will make the coolant to come out.
Oct 28, 2021 at 8:53 PM
Avatar
MOLLYDAD
  • MEMBER
  • 28 POSTS
Can't find a leak.
Nov 23, 2021 at 2:16 PM
Avatar
SQM
  • CERTIFIED EXPERT
  • 6,383 POSTS
Is your heater still do not work? and you still have the overheating issue?
Nov 23, 2021 at 9:35 PM
Avatar
MOLLYDAD
  • MEMBER
  • 28 POSTS
Not running hot but no heat, maybe thermostat?
Nov 24, 2021 at 3:19 PM
Avatar
SQM
  • CERTIFIED EXPERT
  • 6,383 POSTS
A stuck open thermostat is one of the possibilities. If it is the thermostat then the engine will not reach the operating temperature. Usually, it will show on the temperature gauge.
It can also be due to a clog in the heater core.

Take a look at this article, it has some very helpful information:

https://www.2carpros.com/articles/car-heater-not-working

Let me know of any questions.
Nov 24, 2021 at 10:42 PM
Avatar
MOLLYDAD
  • MEMBER
  • 28 POSTS
Still running hot, all hoses feel hot, temperature gauge going up to red after a while, had to shut it down other day. Coolant was a little short, still not getting much heat.
Jan 23, 2022 at 12:05 PM
Avatar
SQM
  • CERTIFIED EXPERT
  • 6,383 POSTS
Can you recap of what you have done so far?
Have you done any repairs or changed anything?
I just want to get a clear picture so we can figure out what could be the cause of this.
Jan 23, 2022 at 12:31 PM
Avatar
MOLLYDAD
  • MEMBER
  • 28 POSTS
Just added coolant and new cap on tank, can't work on car a lot back getting bad.
Jan 23, 2022 at 2:15 PM
Avatar
SQM
  • CERTIFIED EXPERT
  • 6,383 POSTS
Are you able to confirm if the cooling fan is turning on?

This could be a faulty thermostat. Which can lead to the heat not working. Also, this will create a temperature difference between the upper and lower radiator hose.

So, check the hoses for temperature difference. It is easier if you have an infrared thermostat.

https://www.2carpros.com/articles/how-to-use-an-infrared-temperature-meter

Without checking off a few items off of the list, it will be impossible to know the root cause of the problem.
Jan 23, 2022 at 2:36 PM
Avatar
MOLLYDAD
  • MEMBER
  • 28 POSTS
Cooling fans are coming on, don't have Infared thermometer.
Jan 23, 2022 at 2:45 PM
Avatar
SQM
  • CERTIFIED EXPERT
  • 6,383 POSTS
It is good that the fan is working. But the next step for you would be to check and see if the thermostat is functioning properly. Without knowing that it will be difficult to take the next step.
Jan 23, 2022 at 11:04 PM