Where is the Engine Coolant Sensor located?

2020 LINCOLN NAVIGATOR
62,000 MILES • 2.7L • V6 • AUTOMATIC
Avatar
GEMMINYE
  • MEMBER
  • 1 POST
Where is the engine coolant sensor location for a 2020 Lincoln Nautilus reserve?

The engine coolant over temperature light is coming on but the car was not on prior for it to be overheating.
Jan 11, 2025 at 4:21 PM
Advertisement
Avatar
CARADIODOC
  • CERTIFIED EXPERT
  • 34,307 POSTS
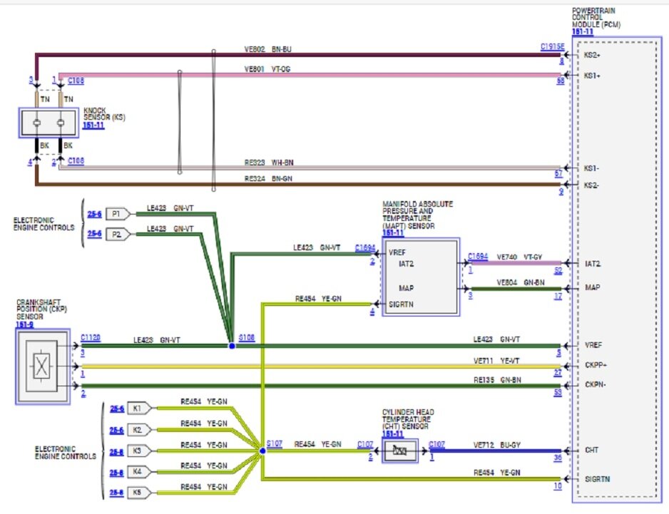
Ford no longer uses a coolant temperature sensor. Here's the procedure for the cylinder head temperature sensor for a 3.5L engine.
Jan 12, 2025 at 10:03 PM