Hello guys,
First of all, I appreciate what you are doing, sharing valuable information and knowledge with us car enthusiasts.
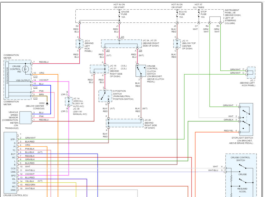
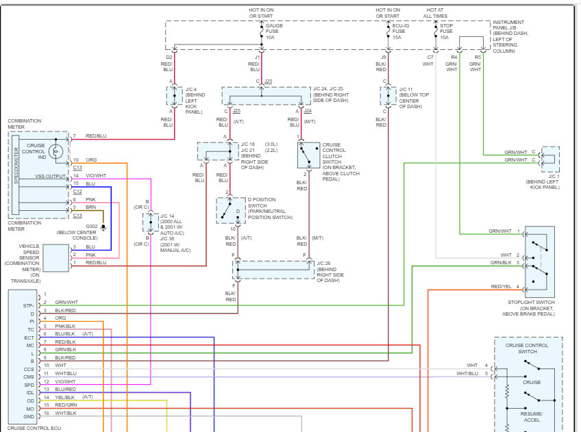
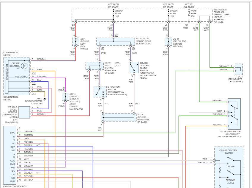
I am trying to install the Bee-R rev limiter to my car listed above. However, I am not able to identify the Ignition cut wire and the NE+ crank wire. Does somebody perhaps have the 5S-FE ECM Pin Out or Know the color of these two wire and their Pin position? I will highly appreciate your help.
Thanks much!
First of all, I appreciate what you are doing, sharing valuable information and knowledge with us car enthusiasts.
I am trying to install the Bee-R rev limiter to my car listed above. However, I am not able to identify the Ignition cut wire and the NE+ crank wire. Does somebody perhaps have the 5S-FE ECM Pin Out or Know the color of these two wire and their Pin position? I will highly appreciate your help.
Thanks much!
Nov 29, 2022 at 7:22 PM













