Emission code

2005 TOYOTA TUNDRA
190,000 MILES • 4.7L • V8 • 4WD • AUTOMATIC
Avatar
RNMCCHIP
  • MEMBER
  • 1 POST
Getting p1445 code. do the bypass kits really work and how do I get one?
Feb 13, 2019 at 3:52 PM
Advertisement
Avatar
SCGRANTURISMO
  • CERTIFIED EXPERT
  • 4,897 POSTS
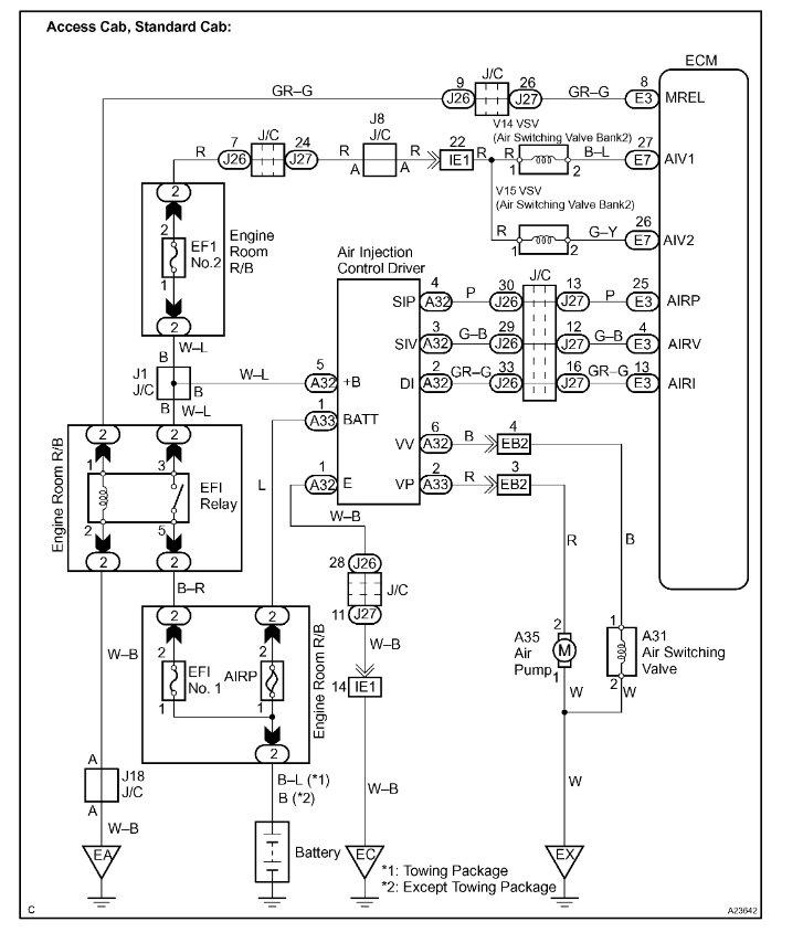
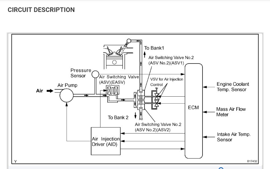
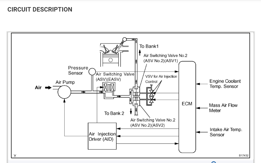
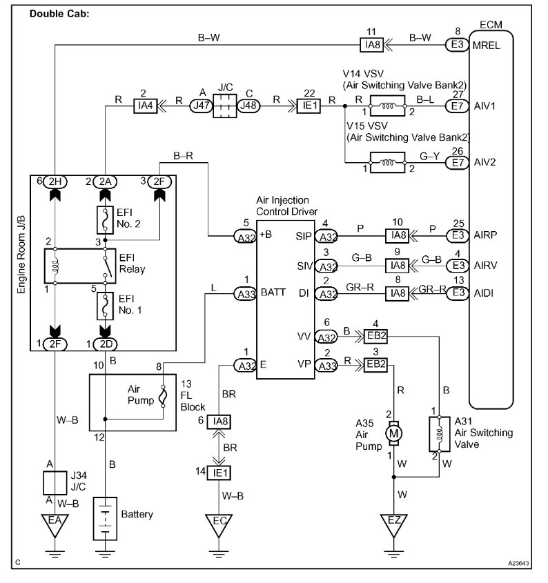
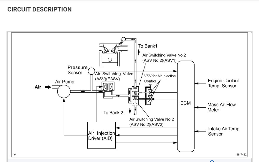
Hello, Direct Trouble Code(DTC) P1445 is secondary air system switching valve #2 stuck closed bank two. I have included a step by step flowchart, description of dtc, and wiring diagrams in the diagrams below. Please go through the troubleshooting flowchart and get back to us with what you find out.

Thanks,
Alex
2CarPros
Feb 14, 2019 at 9:12 AM