timing belt?

1998 LEXUS GS 300
250,000 MILES
Avatar
CHRISTA DICKSON
  • MEMBER
  • 148 POSTS
It literally is stuck so far down in there i can not see it anymore at all . i'm trying to figure out how to remove the lower bottom half of the timing belt cover to get access to it or is there any chance that it feel completely to the bottom and wont mess anything up. I'm sorry but I have never done a timing belt and honestly not completely positive what's all down there. Right now i'm stuck in a friend's parking lot in a really bad part of town and its already dark out. I can't even see it any more , can i go or do i need to pull off more to be sure to completely remove all of it? I'm ready to go but can not afford to do any damage to my only vehicle . please let me know what needs to be done so i can get it done and go home . thanks .

PS. to give you a better idea it's down in where my finger is pointing on the picture but again i can't see it in there.
May 11, 2020 at 8:21 PM
Advertisement
Avatar
JACOBANDNICKOLAS
  • CERTIFIED EXPERT
  • 110,175 POSTS
Okay, we need to get you out of there but it isn't a 2 minute job to remove the timing belt cover. Do you have a magnet or anything that can reach down in there and hopefully grab it?

If you look at the attached picture, I circled the bottom cover. But to remove it, you have to remove several other components.

Let me know what I can do to help.

Joe
May 11, 2020 at 8:43 PM
Avatar
CHRISTA DICKSON
  • MEMBER
  • 148 POSTS
Thanks for your reply. it was a small 16 to 22 gauge butt connector if that makes any difference whatsoever. there's some weird guy lingering around my car right now so I'm sitting in with the doors locked. I wont hesitate to beat him with my tools if i have to, lol . but id prefer to go ahead and leave i'm not far from home. do you think it would be okay to try to make it home ? Or is it likely to do major damage if i do? I just don't know how serious its is like i said i can see it down there at all anymore and I have spent the last hour at least trying to. is it possible it fell to bottom or is it a location where it wont mess anything up? If you say it's too risky I will trust it and try to find a ride home for the night and I will come back tomorrow i guess, but if its okay i would like to try to head home in it . how likely is it to do major damage?
May 11, 2020 at 9:20 PM
Advertisement
Avatar
CHRISTA DICKSON
  • MEMBER
  • 148 POSTS
Okay, never mind it has already managed to put a few nicks in the timing belt so i'm not driving it. i have a friend on way. next random question i have some flex seal adhesive if i put it over the nicks and let it dry over night would that help reinforce the strength or not a good idea?
May 11, 2020 at 10:10 PM
Avatar
CHRISTA DICKSON
  • MEMBER
  • 148 POSTS
Also, if I could please get directions on the easiest way to get that cover off so I can make sure I got the right tools and I'm going to get that done tomorrow. Thanks
May 12, 2020 at 1:51 AM
Avatar
CHRISTA DICKSON
  • MEMBER
  • 148 POSTS
Do i need to mark anything or any certain tools i will need to tale with me? If i could get step by step directions i would be really appreciate it so that i know i'm doing it correctly.
May 12, 2020 at 9:34 AM
Avatar
STRAILER
  • CERTIFIED EXPERT
  • 53,854 POSTS
Hello,

Here is the timing belt and timing cover instructions in the diagrams below. Check out the diagrams (below). Please let us know what happens.
May 12, 2020 at 12:13 PM
Avatar
CHRISTA DICKSON
  • MEMBER
  • 148 POSTS
Is there any easier was to just remove the #3 timing belt cover without having to all the steps above? Or no?
May 12, 2020 at 4:29 PM
Avatar
JACOBANDNICKOLAS
  • CERTIFIED EXPERT
  • 110,175 POSTS
To remove the bottom timing cover, you need to remove the crankshaft pulley. There really isn't an easier way. Maybe if you remove the retaining bolts you can open it enough to access, but that is going to be tough.

Now, how badly was the timing belt damaged? You don't want it to break. If this is a 1998, it has an inline 6 cylinder engine and it is an interference engine. If the belt was to break, it will likely cause internal engine damage. And no to the flex seal. It won't help the belt.

Let me know.

Joe
May 12, 2020 at 9:10 PM
Avatar
CHRISTA DICKSON
  • MEMBER
  • 148 POSTS
I tried blowing it out with compressed air and seen something come out so i assumed i had gotten it . i got out to the car and started it , i had not put the car in gear yet. I was just sitting idling (not accelerating or moving) . or i heard the belt pop. I'm freaking right now i attached a picture of what happen. Since i was not moving at all is there any chance i can get away with replacing it? Or is the engine ruined? I really hope it not but please let me know what you think. I really hope it pray its salvageable if i put in the work to fix it because i'm broke and cannot afford another vehicle.
May 13, 2020 at 7:21 PM
Avatar
JACOBANDNICKOLAS
  • CERTIFIED EXPERT
  • 110,175 POSTS
Hi,

That was my biggest concern. Here is what we need to do. Since you were at an idle, hopefully nothing was damaged; however, I can't be certain. We have two choices. One is to replace the belt, make sure it is properly timed, and pray for the best. If it doesn't start, then we will have to further diagnose.

The second choice, and I don't recommend this one, is to take the cylinder head off and see if any contact was made between the pistons and valves.

__________________________________

Let me know which way you want to go and we'll proceed.

Joe
May 13, 2020 at 8:34 PM
Avatar
CHRISTA DICKSON
  • MEMBER
  • 148 POSTS
We are going with option #1 replacing the belt. I'm about to go get one from AutoZone. i'm going to take this opportunity to go ahead and replace the cam crank seals since there is a oil leak. i have been trying to figure out where it's coming from and I will already have it torn down. Ant tips or us there anything i need to do separately or differently from the above directions because it did break? I'm currently draining coolant and waiting on my ride to run me to AutoZone to get the belt and seals.
May 14, 2020 at 5:38 PM
Avatar
JACOBANDNICKOLAS
  • CERTIFIED EXPERT
  • 110,175 POSTS
Hi,

Ken provided all the directions above. Listen, don't put a lot of money into this until we can confirm there is no engine damage.

Please let me know if you have trouble or have questions.

Joe
May 14, 2020 at 7:42 PM
Avatar
BRIANMCKEE
  • MEMBER
  • 3 POSTS
I don't know what to think of this. He is a certified Nissan/Infinity mechanic but says he has done plenty of Lexus timing belts. He says the timing is off now when they try to start it. He says all of his mechanics have looked at it. What could be wrong? What does "as long as it has been timed when dismantled" mean?

thx
Brian
May 15, 2020 at 11:45 AM (Merged)
Avatar
MHPAUTOS
  • CERTIFIED EXPERT
  • 31,937 POSTS
Hi there, you must set the engine up on TDC No 1 when removing the timing belt, this way all reference marks are aligned and it is easy to fit the new belt and ensure that the valve timing is correct, some people remove the belt first and then try to set the vale timing, this is how you get into strife, this is an interference type engine, that is if the valve timing is set incorrectly the pistons will strike the valves with serious damage resulting, you cant turn the crank or cam with the belt off, as damage will be done as well, that is why it is important to ensure the timing is set correct when the belt is removed so there is no major adjustments when the new belt is installed.

Mark

mark (mhpautos)
May 15, 2020 at 11:45 AM (Merged)
Avatar
BRIANMCKEE
  • MEMBER
  • 3 POSTS
Thanks for the reply Mark. They have the whole engine apart now. All I could see left was the bottom half of the engine block. No pistons, etc... I think they must have damaged the engine like what would have happened if the timing belt broke while running. He claims they are going to rebuild it good as new. He has ordered more parts. What do I need to ask him? Should he have replaced the valves? pistons? Is it possible to repair the damage that was probably done?

thx,
Brian
May 15, 2020 at 11:45 AM (Merged)
Avatar
MHPAUTOS
  • CERTIFIED EXPERT
  • 31,937 POSTS
HI there, Did you authorize this work before they ripped the motor apart? if not they had no right to do this without your OK, i feel that they may have got the timing wrong and did some damage, anyway at worst they only bend valves and the bottom end is normally ok, i hope that you are not paying for there mistake...
Mark (mhpautos)
May 15, 2020 at 11:45 AM (Merged)
Avatar
2CP-ARCHIVES
  • MEMBER
  • 4,540 POSTS
replaced timing belt,cam and crank seals. after work was done car would not stay running and im getting a PO1300 code. car ran fine before work.
May 15, 2020 at 11:45 AM (Merged)
Avatar
BRIANMCKEE
  • MEMBER
  • 3 POSTS
No, I'm not paying for the extra parts and labor. I'm just worried that it won't run like before. What a disaster $#@%#!
May 15, 2020 at 11:46 AM (Merged)
Avatar
RANDICO
  • CERTIFIED EXPERT
  • 174 POSTS
P01300 is ignition control for Lexus,this can be from wiring,or ignition module, doesnt hurt to recheck the timing mark,
May 15, 2020 at 11:46 AM (Merged)
Avatar
MHPAUTOS
  • CERTIFIED EXPERT
  • 31,937 POSTS
Ok , thats good to know, put this mess on the back burner and have a great Xmas and new year, keep me informed on the progress,

Cheers Mark in a very hot Australia......
May 15, 2020 at 11:46 AM (Merged)
Avatar
DOCFIXIT
  • CERTIFIED EXPERT
  • 18,828 POSTS
Any electrical connectors removed in process? is there an engine miss?
May 15, 2020 at 11:46 AM (Merged)
Avatar
GOODLOOKINGOUTAUTOREPAIR
  • MEMBER
  • 2 POSTS
how do i install timing belt on lexus 1994 gs 300
May 15, 2020 at 11:46 AM (Merged)
Avatar
MHPAUTOS
  • CERTIFIED EXPERT
  • 31,937 POSTS
see text and pics for instaltaion.

mark (mhpautos)
May 15, 2020 at 11:46 AM (Merged)
Avatar
GOODLOOKINGOUTAUTOREPAIR
  • MEMBER
  • 2 POSTS
Thank You very much Sir I have had a heck of a time with this Lexus job. Its my roommate and it started out fixing a oil leak that turned into a replacement of the # 4 crankshaft spacers that I found in the oil pan when I had to break oil pan open someone my someone with 50 years of x told me I didn't need them he was wrong when i put back the oil spewed out the crank seal that made it a crankshaft job having to break both pans and Toyota silo cone is no joke. i'm now putting belt on to turn over to see if seal is good. I'm new to all this car repair I'm new SHO owner that cut part of his pinky off working on wheel bearing so decided to become a repairman and learning a lot. Good Looking Out Sir
May 15, 2020 at 11:46 AM (Merged)
Avatar
CHRISTA DICKSON
  • MEMBER
  • 148 POSTS
What is the correct way to adjust the gear next to upper left cam gear ? A 14 mm hex? Which I will have to get... But if so left or right? And just rotate it until TDC?
May 17, 2020 at 7:01 PM
Avatar
JACOBANDNICKOLAS
  • CERTIFIED EXPERT
  • 110,175 POSTS
Hi, Christa,

I'm not sure what happened, but we have had other posts added to yours. I have to be honest, I'm not sure I understand what you are asking. So, I decided to add all the directions for replacement with pics to help.

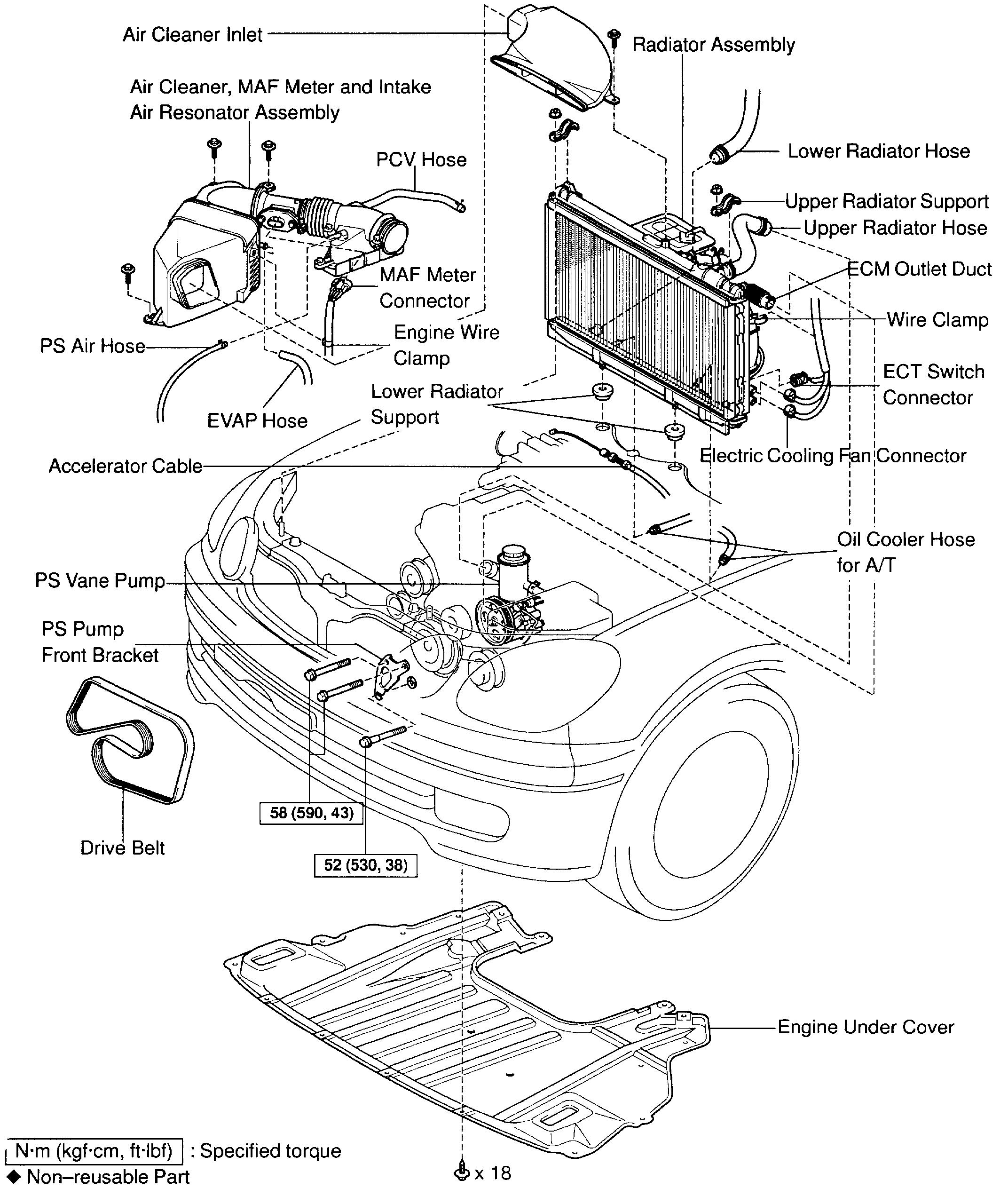
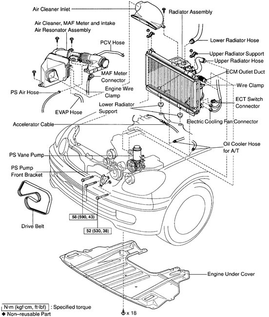
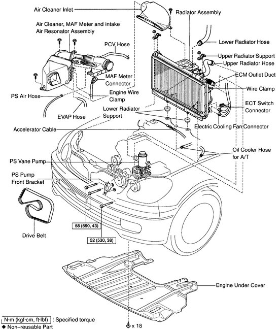
Here are the directions for belt replacement. The attached pics correlate with the directions.



1998 Lexus GS 300 L6-3.0L (2JZ-GE)
Installation
Vehicle Engine, Cooling and Exhaust Engine Timing Components Timing Belt Service and Repair Removal and Replacement Installation
INSTALLATION

pic 1


pic 2



INSTALLATION


pic 3


1. Install crankshaft timing pulley.
a. Align the pulley set key with the key groove of the pulley.
b. Slide on the timing pulley facing the flange side inward.

NOTICE: Do not scratch the sensor part of the crankshaft timing pulley.


pic 4


c. Install the timing belt plate with the bolt.

Torque: 8.0 Nm (71 inch lbs.)


pic 5


2. Install idler pulley.
a. Apply adhesive to 2 or 3 threads of the pivot bolt.

Adhesive: Part No. 08833-00080, THREE BOND 1344, LOCTITE 242 or equivalent

b. Using a 10 mm hexagon wrench, install the plate washer and pulley with the pivot bolt.

Torque: 35 Nm (26 ft. lbs.)

c. Check that the pulley bracket moves smoothly.


pic 6

3. Temporarily install timing belt.

NOTICE: The engine should be cold.

a. Use the crankshaft pulley bolt to turn the crankshaft, and align the dot mark on the crankshaft timing pulley and the timing mark on the oil pump body.
b. Remove any oil or water on the crankshaft timing pulley and idler pulley, and keep them clean.


pic 7


c. Install the timing belt on the crankshaft timing pulley and idler pulley.

HINT: When reusing timing belt:
Align the matchmarks of the crankshaft timing pulley and timing belt, and install the belt with the arrow pointing in the direction of engine revolution.


pic 8


4. Install timing belt guide.
Install the guide, facing the cup side outward.
5. Install No.1 timing belt cover
a. Install the gasket to the timing belt cover.
b. Install the timing belt cover with the 5 bolts.

Torque: 8.0 Nm (71 inch lbs.)


pic 9


6. Install crankshaft pulley.
a. Align the pulley set key with the key groove of the pulley, and slide on the pulley.
Check that the sub timing mark (60° mark BTDC) of the crankshaft pulley is aligned with the timing mark "0" of the No.1 timing belt cover.

HINT: At this time, the crankshaft pulley set key groove and the timing mark (TDC mark) of the crankshaft pulley are as shown the illustration.


pic 10


c. Temporarily install the pulley bolt.
7. Install VVT-i (Intake Camshaft Timing)pulley.
a. Align the camshaft knock pin with the VVT-i pulley, a push the VVT-i pulley by hand until you feel it touch the bottom.


pic 11


b. Check that the outer circumference of the VVT-i pulley easily rotates through 30 .


pic 12


c. Holding the hexagon portion of the camshaft with a wrench.
d. Using a 10 mm hexagon wrench, and the set bolt.

Torque: 81 Nm (60 ft. lbs.)

Using a 14 mm hexagon wrench, install the straight screw plug with the seal washer to the set bolt.

Torque: 15 Nm (11 ft. lbs.)

e. Align the dot mark on the camshaft timing pulley with the timing mark of the No.4 timing belt cover.
f. Remove the wrench.


pic 13


8. Connect No.1 oil pipe.
a. Install the union bolt to the oil control valve filter.

NOTICE: In case of touching the filter, avoid holding the mesh part and holding the frame part.

b. Install the oil pipe with 2 new gasket and the union bolt to the No.3 camshaft bearing cap.

Torque: 55 Nm (41 ft. lbs.)

9. Install camshaft timing oil control valve.


pic 14


10. Install No.1 cylinder head cover.
a. Install the cylinder head and gasket with the 6 bolts and 2 nuts.

Torque: 8.5 Nm (75 inch lbs.)

b. Install the high-tension cords and clamps with the 2 bolts.

Torque: 8.0 Nm (71 inch lbs.)

c. Using a 5 mm hexagon wrench, install the engine wire protector with the bolt and nut.
11. Install throttle body and intake air connector assembly.


pic 15


12. Install exhaust camshaft timing pulley.
a. Align the camshaft knock pin with the groove on the pulley, and slide on the timing pulley.
b. Slide the timing pulley on the camshaft, facing the front mark forward.
c. Using Special Service Tool (SST), install the pulley bolt.
SST 09960-10010 (09962 - 01000, 09963 - 01000)

Torque: 81 Nm (60 ft. lbs.)


pic 16


d. Using SST, align the dot mark on the camshaft timing timing pulley with the timing mark of the No.4 timing belt cover.
SST 09960-10010 (09962-01000, 09963-01000)


pic 17


13. Connect timing belt to camshaft timing pulleys.

HINT: When re-using timing belt:
- Check that the matchmarks on the timing belt matches the end of the No.1 timing belt cover.
If the matchmarks does not align, shift the meshing of the timing belt and crankshaft timing pulley until they align.
- Align the matchmarks of the timing belt and camshaft timing pulleys.


pic 18


a. Remove any oil or water on the camshaft timing pulley, and keep it clean.
b. Install the timing belt, checking the tension between the crankshaft timing pulley and intake camshaft timing pulley.


pic 19


14. Set timing belt tensioner.
a. Using a press, slowly press in the push rod using 981 - 9,807 Nm (100 - 1,000 kgf, 220 - 2,205 lbs.) of force.
b. Align the holes of the push rod and housing, pass a 1.5 mm hexagon wrench through the holes to keep the push rod retracted.
c. Release the press.


pic 20


d. Install the dust boot onto the tensioner.


pic 21


15. Install timing belt tensioner.
a. Temporarily install the tensioner with the 2 bolts.
b. Alternately tighten the 2 bolts.

Torque: 27 Nm (20 ft. lbs.)


pic 22


c. Remove the 1.5 mm hexagon wrench from the tensioner with pliers.


pic 23


16. Check valve timing.
a. Slowly turn the crankshaft pulley 2 revolutions from TDC to TDC.

NOTICE: Always turn the crankshaft clockwise.


pic 24


b. Check that each pulley aligns with the timing marks as shown in the illustration.
If the marks do not align, remove the timing belt and reinstall it.


pic 25


17. Tighten crankshaft pulley bolt.
Using SST, install the pulley bolt.
SST 09213-70010, 09330-00021

Torque: 330 Nm (243 ft. lbs.)

18. Install drive belt tensioner.
Install the tensioner with the 3 bolts.

Torque: 21 Nm (15 ft. lbs.)

NOTICE: Be careful not to drop the bolts inside the timing belt cover.

19. Install No.2 timing belt cover.
a. Install the gasket on the timing belt cover.
b. Using a 5 mm hexagon wrench, install the timing belt cover with the 3 bolts.

Torque: 8.0 Nm (71 inch lbs.)


pic 26


20. Install No.3 timing belt cover.
a. Install the gasket on the timing belt cover.
b. Using a 5 mm hexagon wrench, install the timing belt cover with the 4 bolts.

Torque: 8.0 Nm (71 inch lbs.)

c. Install the oil filler cap.
21. Install PS pump and front bracket.
a. Temporarily install the vane pump to the bracket.
b. Install the plate washer and front bracket with the 3 bolts.

Torque:
58 Nm (43 ft. lbs.) for A bolts
52 Nm (38 ft. lbs.) for B bolt

22. Install drive belt.
23. Install radiator assembly.
24. Fill engine with coolant.
25. Start engine check for leaks.
26. Install engine under cover.
27. Road test.
Check for abnormal noise, shock, slippage, correct shift points and smooth operation.
28. Recheck engine coolant level.

__________________________________________

If you look at the next to the last pic below, you will see where the timing marks all need to align for proper timing.

Let me know if that answers your question. Please let me know how things are going or if you have other questions.

Joe
May 17, 2020 at 7:43 PM
Avatar
JACOBANDNICKOLAS
  • CERTIFIED EXPERT
  • 110,175 POSTS
Christa,

This thread has shown up again but there was no reply from you. Usually, I only get the indication if you replied to me. I'm just checking to see if something didn't go through for you.

Joe
May 18, 2020 at 9:14 PM
Avatar
CHRISTA DICKSON
  • MEMBER
  • 148 POSTS
Thanks. well, i got everything off adjusted everything to TDC and got the belt on. i went to turn it by hand 2 revolutions to make sure it's right and the crank will only got maybe a 1/4 of a turn then stops . i'm tired, i worked on it until i lost all daylight. Pulled the plugs same thing. I'm not sure how much i rotated it getting the dang crank bolt out but i tried to keep it to minimum. What would you suggest to do now or where do i go from here?
May 18, 2020 at 10:54 PM
Avatar
JACOBANDNICKOLAS
  • CERTIFIED EXPERT
  • 110,175 POSTS
Christa,

If you are certain the timing is correct, it sounds like there may be a bent valve stuck open and hitting which is stopping the engine from turning. What happens if you turn it the opposite direction. Does it go further before stopping?

Let me know.

Joe
May 19, 2020 at 9:18 PM