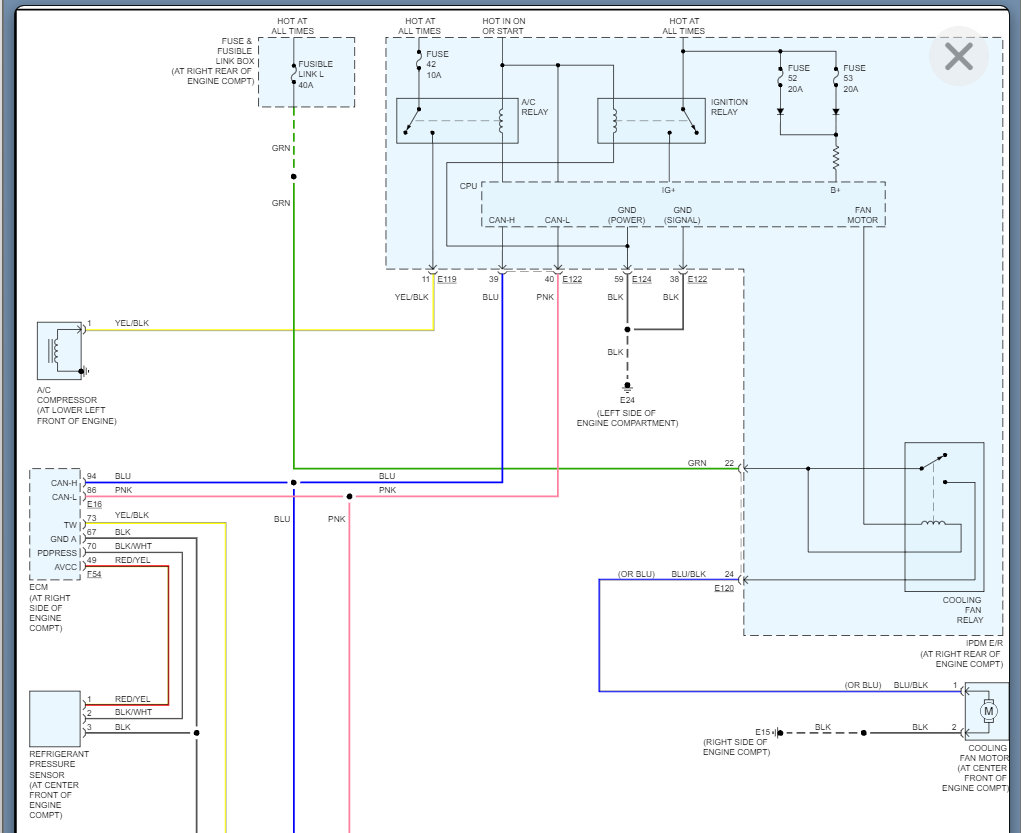
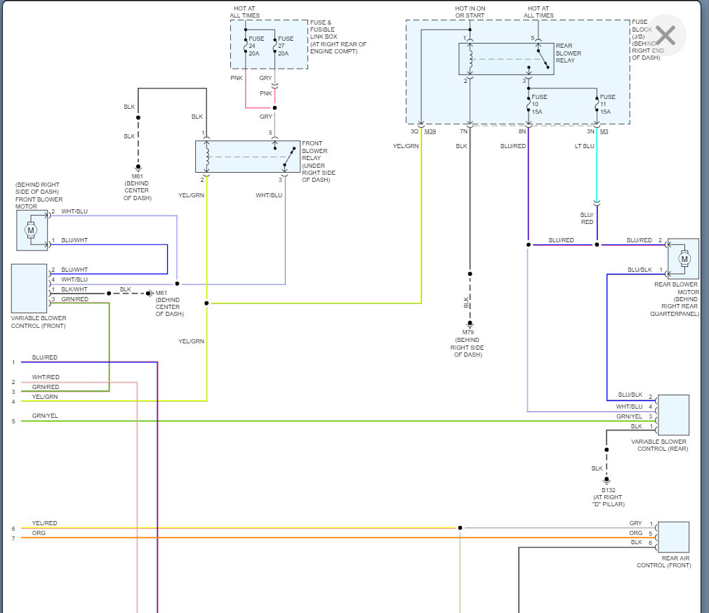
This could be a number of things, so we need to start with checking fuses and power going to the control module.
https://www.2carpros.com/articles/how-to-check-a-car-fuse
However, the most likely reason for this is a failed control module.
So, this means we should check for codes when possible and that will give us a better idea if there are any wiring issues (circuit issues) or other issues that would induce a code to point us in the correct direction.
https://www.2carpros.com/articles/checking-a-service-engine-soon-or-check-engine-light-on-or-flashing
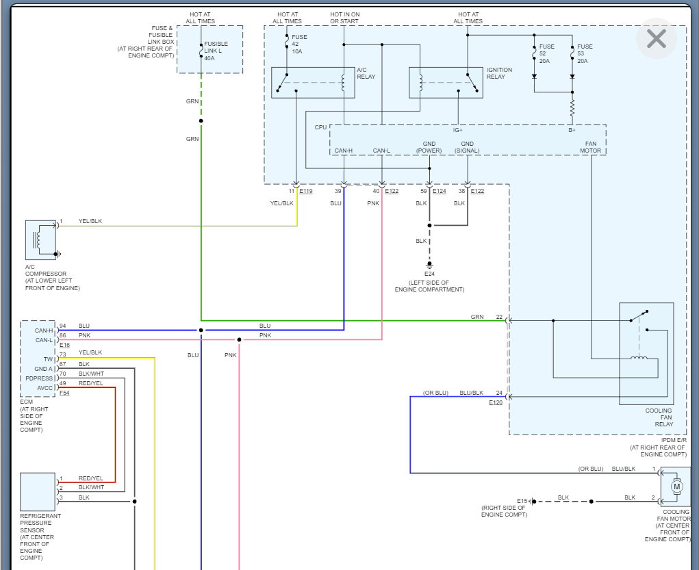
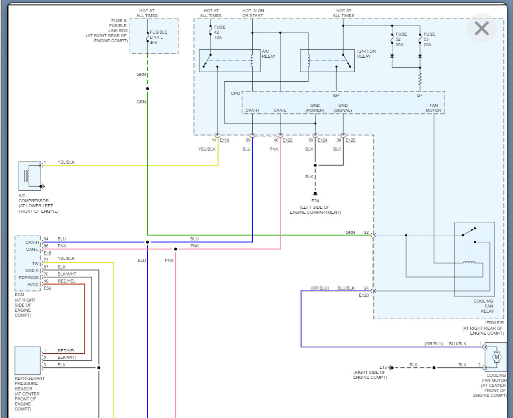
Please see the wiring diagrams below and that will help us test the fuses and wiring.
Let us know what other questions you have, and we can go from there. Thanks
Images (Click to enlarge)
Oct 17, 2021 at 8:09 AM