When turning on the headlights the taillights and marker light do not turn on

1990 FORD F-250
100,000 MILES • V8 • 4WD • MANUAL
Avatar
DONALDJVILLA
  • MEMBER
  • 1 POST
Truck listed above is a F-250 Custom. Taillights and marker lights won't come on when you turn on headlights. I need help with electrical and Wiring trouble shooting.
Oct 1, 2021 at 5:32 PM
Advertisement
Avatar
KASEKENNY
  • CERTIFIED EXPERT
  • 18,907 POSTS
The most likely cause of this is a faulty switch or wiring issue. If the headlights work, then there could be an issue in the switch that are not signaling on the other lights.

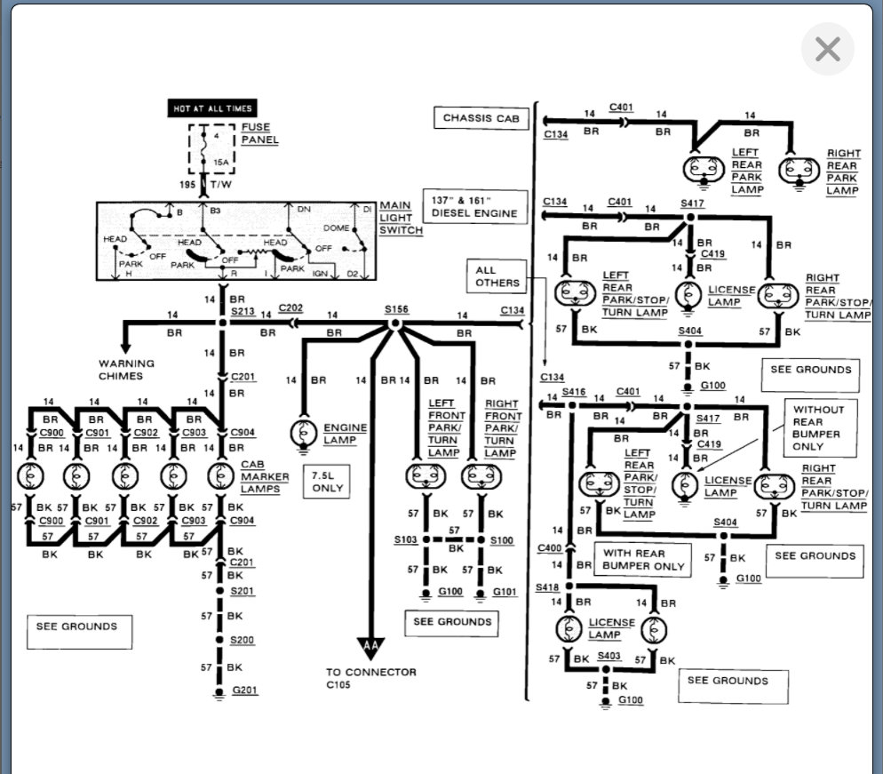
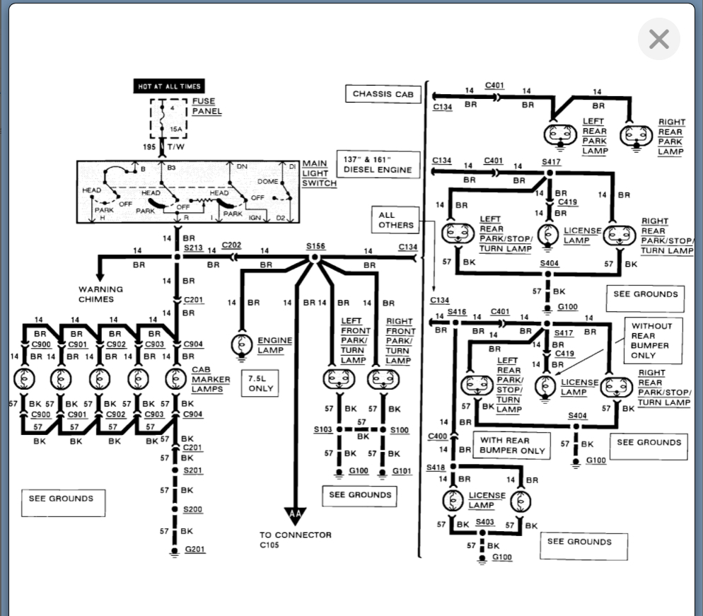
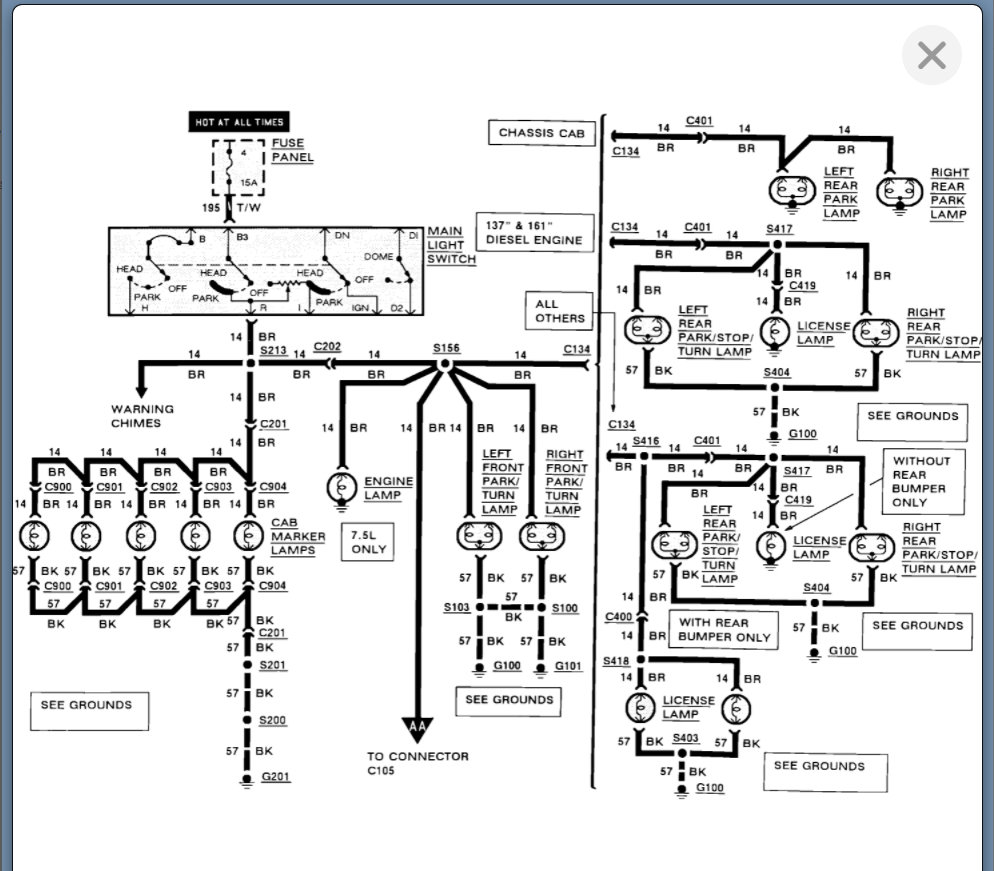
The way to check this is to see if there is power on the wire shown (brown) coming out of the switch when they are turned on.

https://www.2carpros.com/articles/how-to-use-a-voltmeter

https://www.2carpros.com/articles/how-to-check-wiring

Please see the wiring diagram below and let us know what you find with testing this wire. If you have voltage out of the switch, then we need to check past each of these splices as there are a couple that can cause an issue.

Please let us know what questions you have. Thanks
Oct 2, 2021 at 3:47 PM