Hello friends,
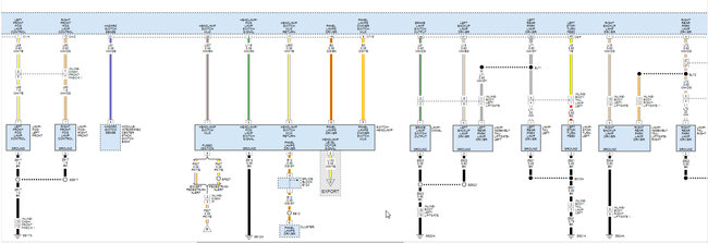
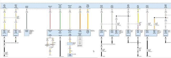
I bought the vehicle listed above from Carolina USA. I live in EU country and I have to do some modification. I would like to know the wiring diagram for front and back lamps. I have to change front park bulbs color, change rear turn signal color and add rear fog lamp for EU regulations. And if it is possible I would like to know where is paced the wiring in trunk which goes to rear door/hatch.
Thank you for yours reply.
Have a nice day,
Pawel
I bought the vehicle listed above from Carolina USA. I live in EU country and I have to do some modification. I would like to know the wiring diagram for front and back lamps. I have to change front park bulbs color, change rear turn signal color and add rear fog lamp for EU regulations. And if it is possible I would like to know where is paced the wiring in trunk which goes to rear door/hatch.
Thank you for yours reply.
Have a nice day,
Pawel
Apr 28, 2021 at 8:16 AM





























