Hello friends,
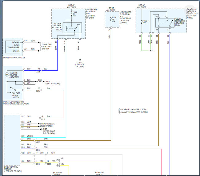
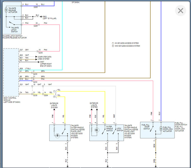
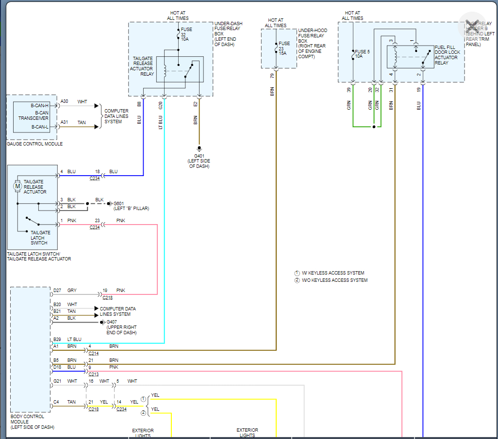
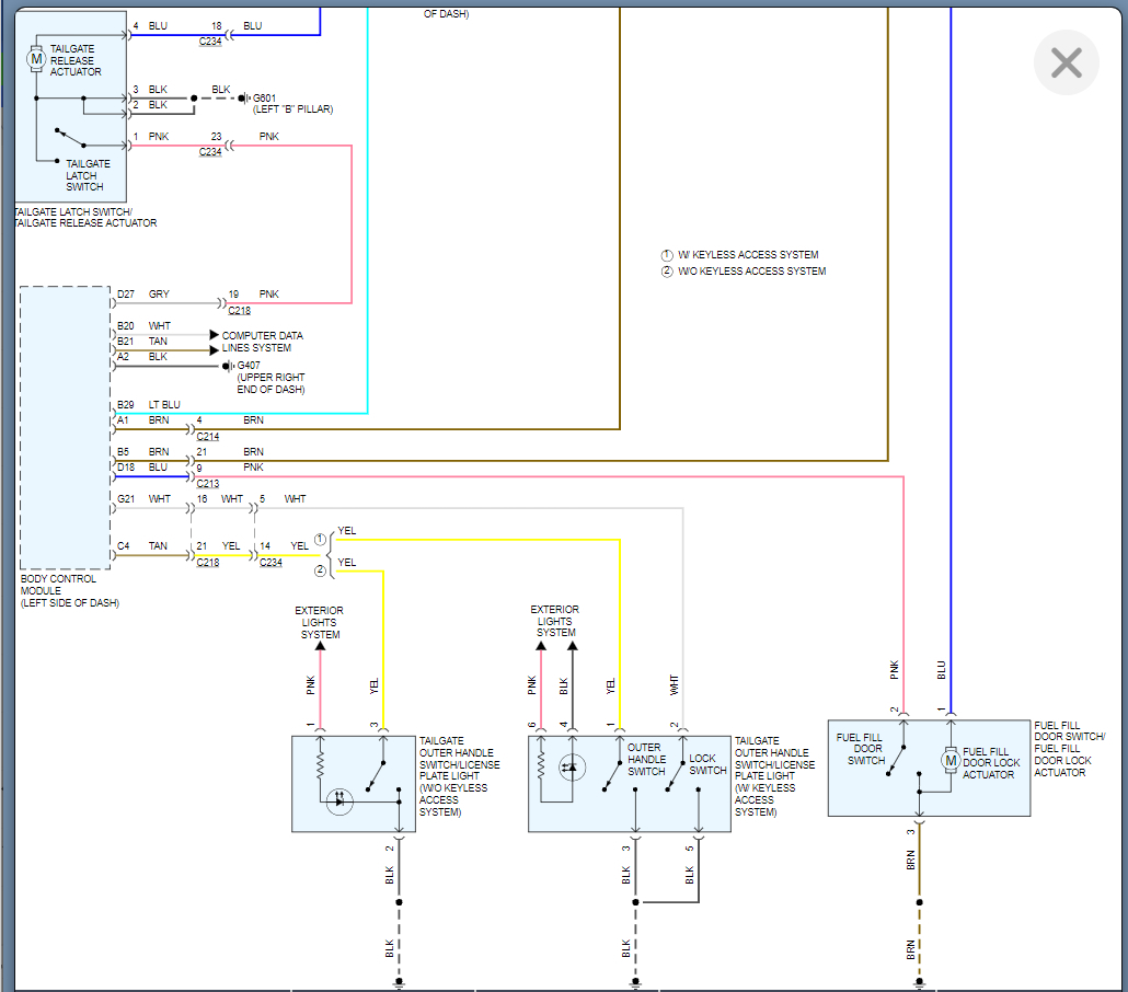
Fuel filler door is broken. Cannot open this small door. It looks like the motor for remote open door not working. I do not know if some wire is broken or motor, or microswitch which are for pushing and then the motor opens this door.
The electrical wiring diagram will be very helpful for me. Will check this motor and the microswitch if are okay.
Thank you for your help.
Have a nice day,
Pawel
Fuel filler door is broken. Cannot open this small door. It looks like the motor for remote open door not working. I do not know if some wire is broken or motor, or microswitch which are for pushing and then the motor opens this door.
The electrical wiring diagram will be very helpful for me. Will check this motor and the microswitch if are okay.
Thank you for your help.
Have a nice day,
Pawel
Oct 10, 2021 at 11:14 AM



