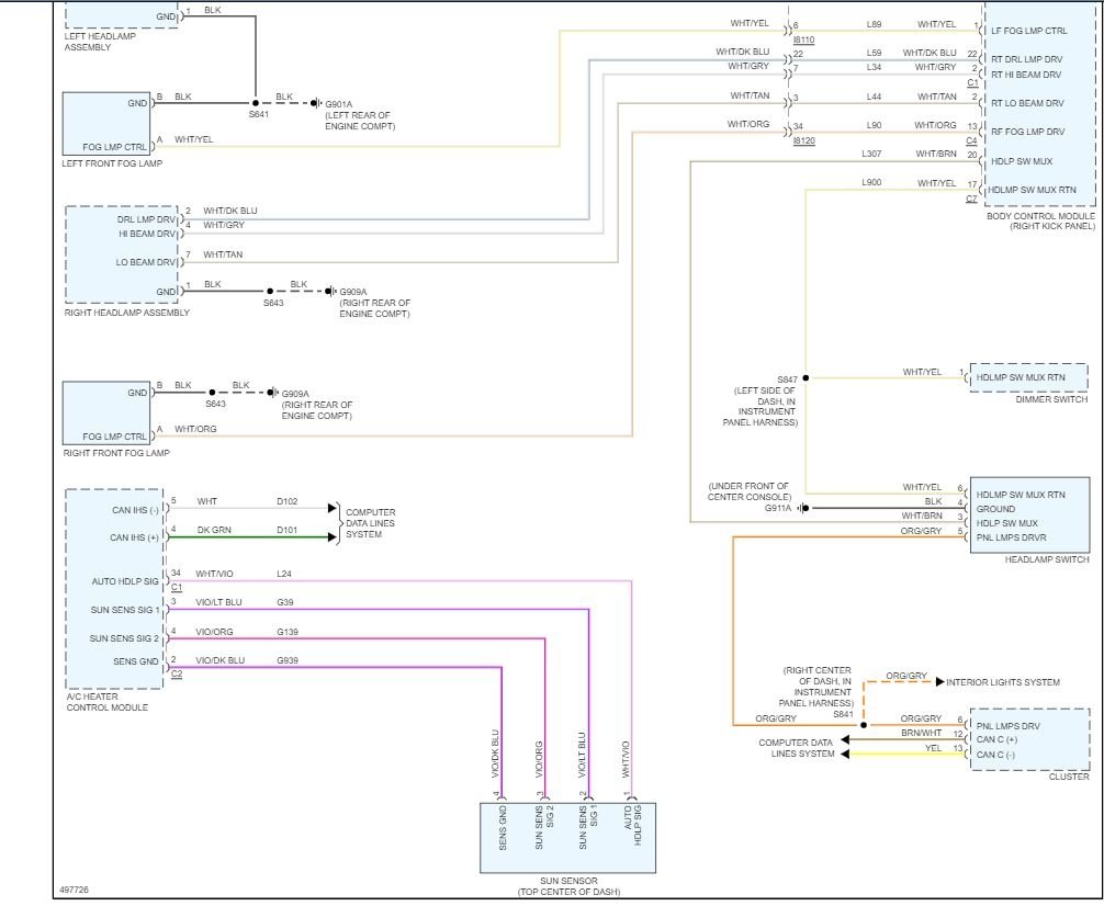
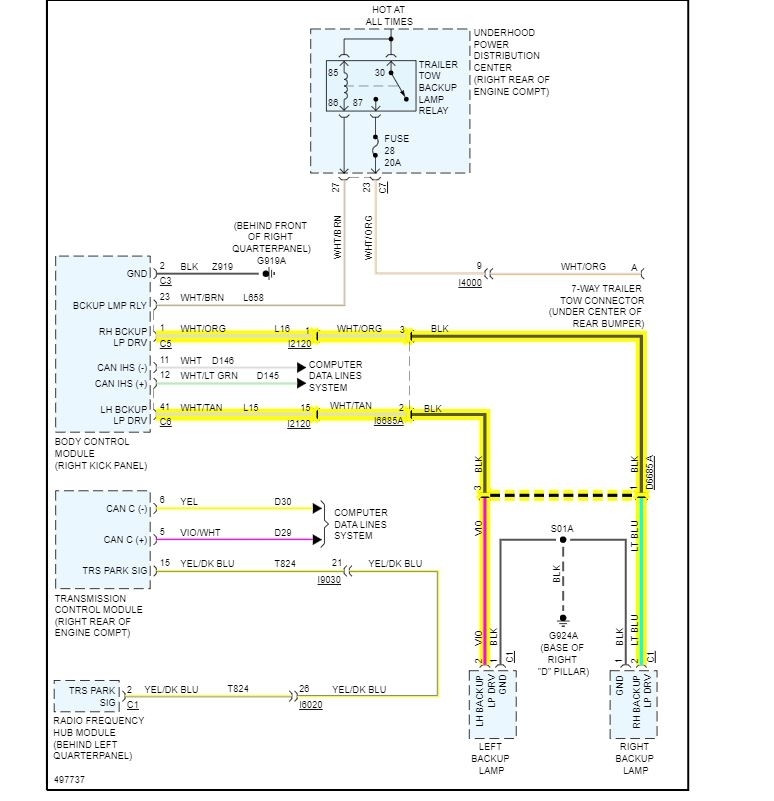
I bought the vehicle listed above from USA market. I live in EU country and I have to do some modification. I would like to know the wiring diagram for front and back lamps. I have change rear turn signal color and add rear fog lamp for EU regulations. I can see that there are 4 bulbs for reverse gear. I would like to know where the wires go to?
Thank you for yours reply.
Have a nice day,
Pawel
Thank you for yours reply.
Have a nice day,
Pawel
Mar 28, 2022 at 3:37 AM







