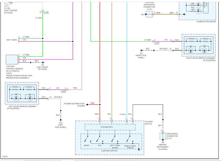
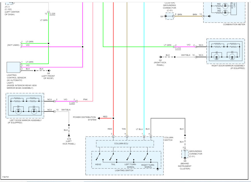
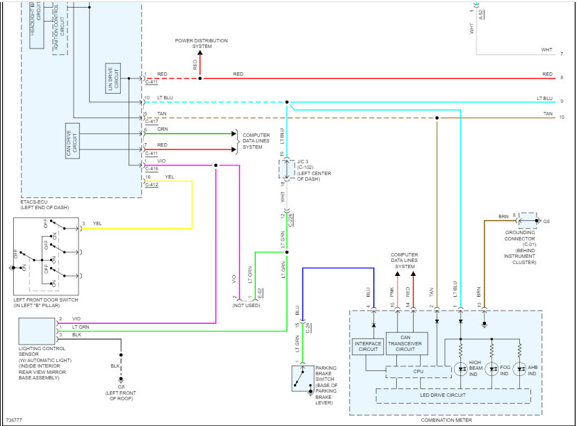
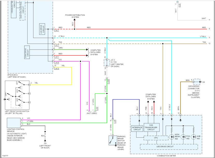
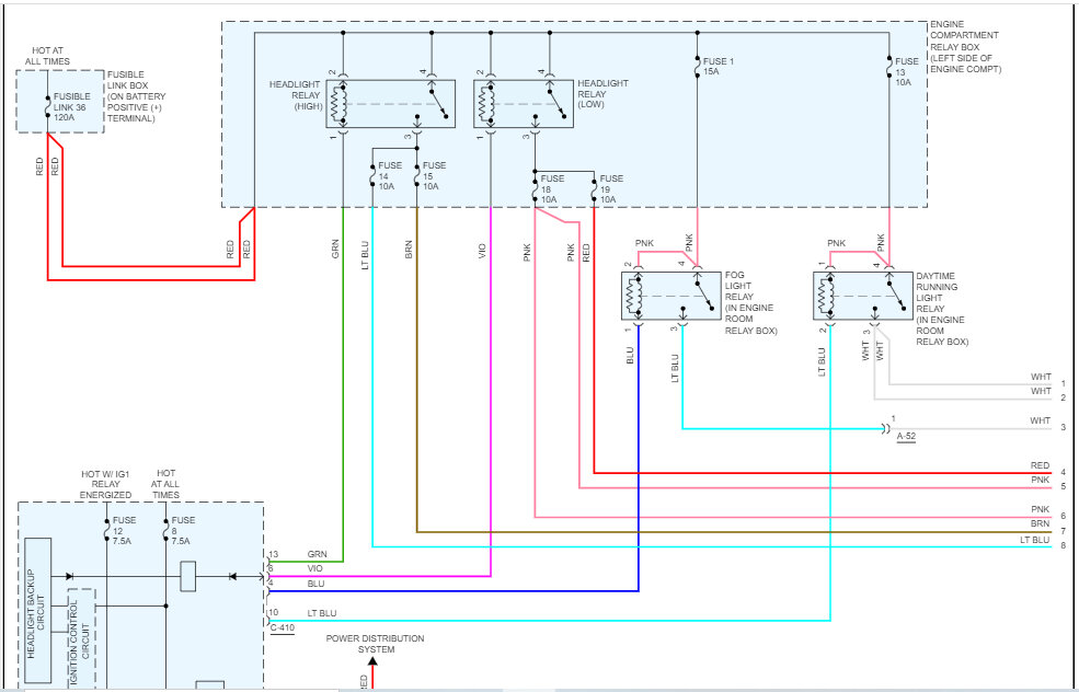
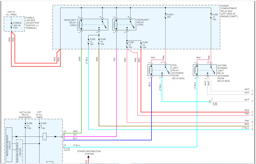
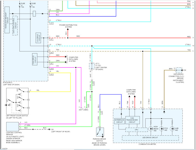
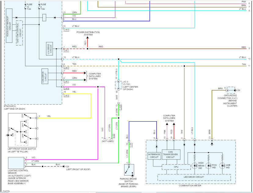
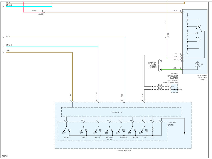
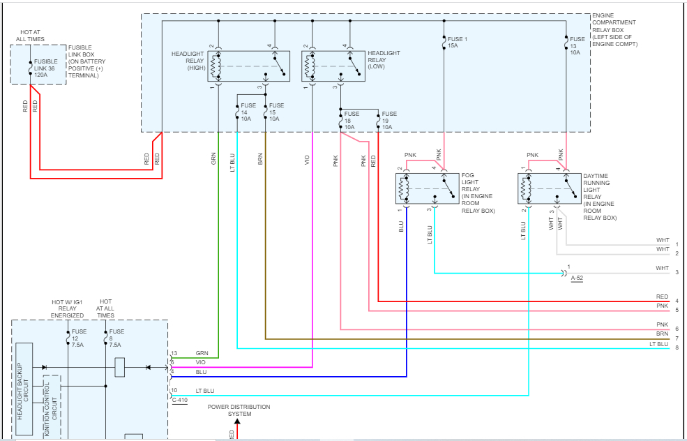
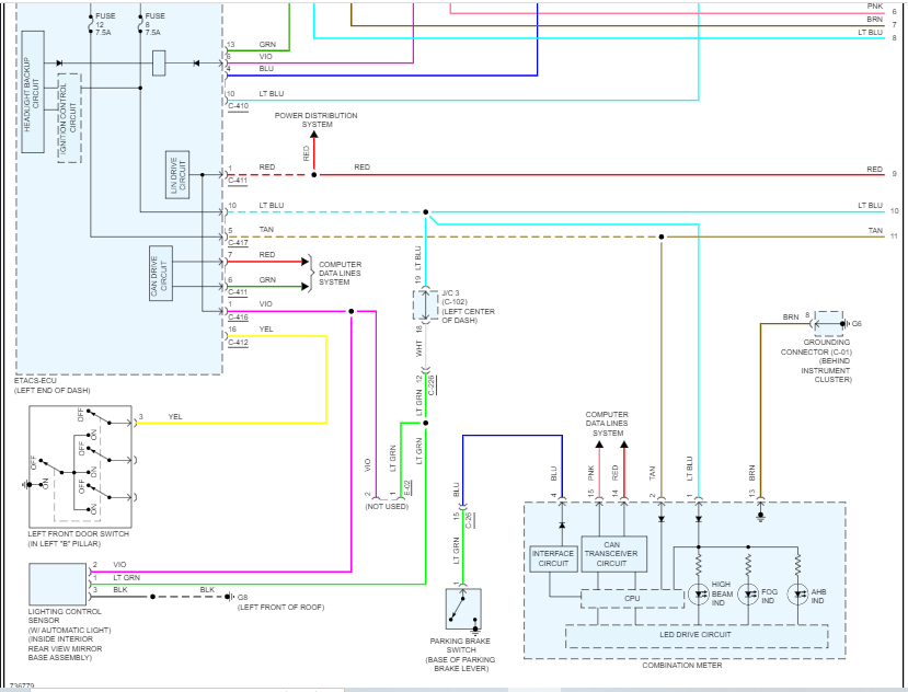
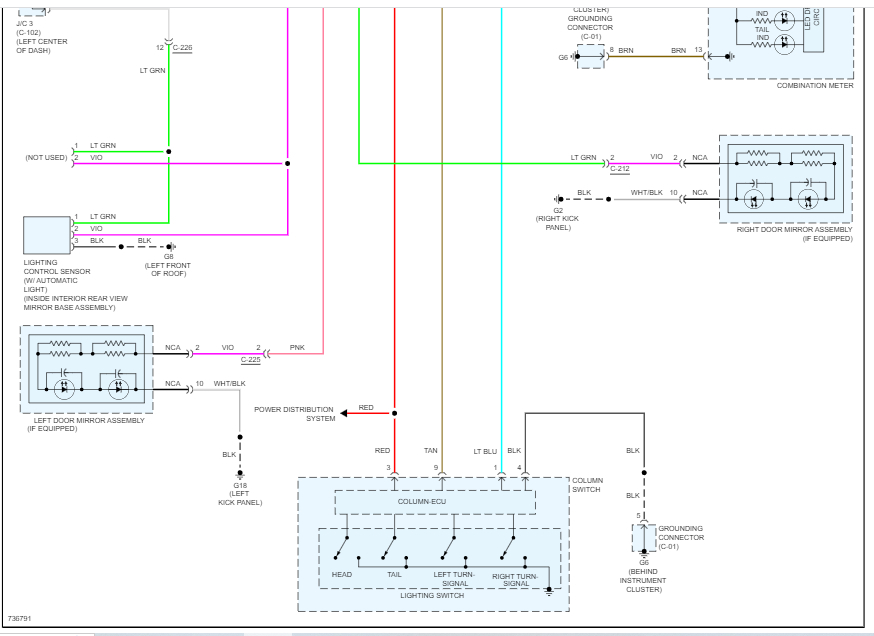
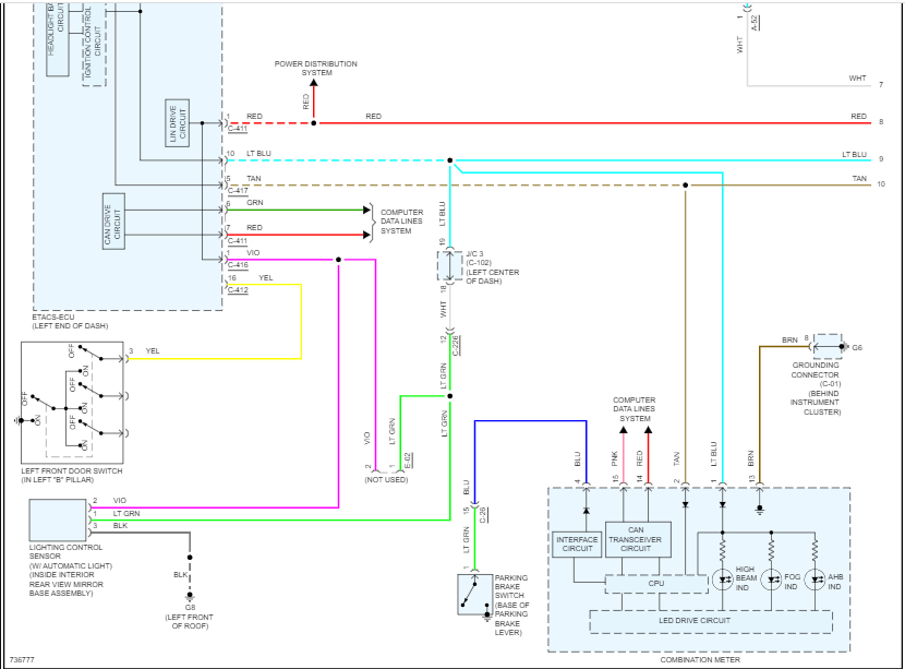
Hello, I bought for my wife the vehicle listed above from USA market. I live in EU country, and I have to do some modifications. I would like to know the wiring diagram for front and back lamps. I have to add rear fog lamps for EU regulations. I would like to know where the wires from front lamps go to. I found the fuses box under dash. Is there for front main light driver? I would like to add the relay for rear fog light, supply from some +12V wire with an additional fuse and the additional switch for switching.
Thank you for your reply.
Have a nice day,
Pawel
Thank you for your reply.
Have a nice day,
Pawel
Jan 28, 2023 at 1:01 PM
























