Hello,
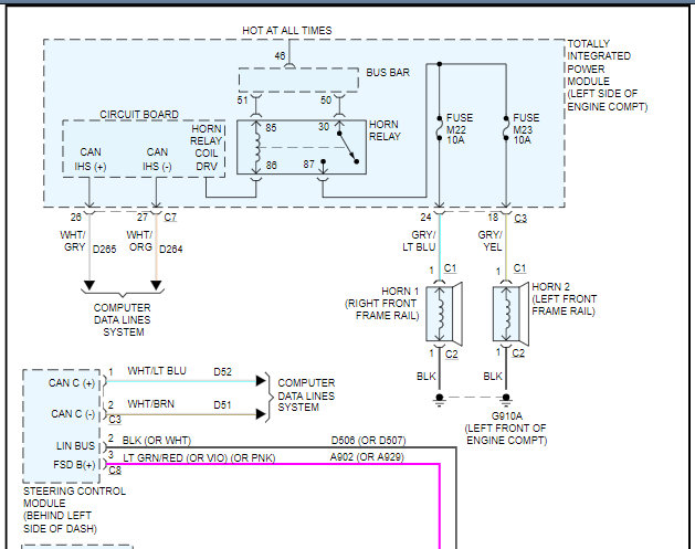
Could you please show a wiring diagram for my auto van listed above (LVVT)? I have some questions about electro component and wiring diagram will be helpful. For example; I would like to add an additional horn. And it is very hard to connect directly to original horn. Is there a place with wire to horn which I could connect it via relay?
I am waiting for yours answer.
Have a nice day,
Pawel
PS. I am sorry for my English, I hope you can understand me. :-)
Could you please show a wiring diagram for my auto van listed above (LVVT)? I have some questions about electro component and wiring diagram will be helpful. For example; I would like to add an additional horn. And it is very hard to connect directly to original horn. Is there a place with wire to horn which I could connect it via relay?
I am waiting for yours answer.
Have a nice day,
Pawel
PS. I am sorry for my English, I hope you can understand me. :-)
Jan 7, 2021 at 6:40 AM






