When driving at fifty MPH, the tail light fuse blow

1994 CHEVROLET SILVERADO
266,900 MILES • 5.7L • V8 • 4WD • AUTOMATIC
Avatar
JOHN DRAGON
  • MEMBER
  • 1 POST
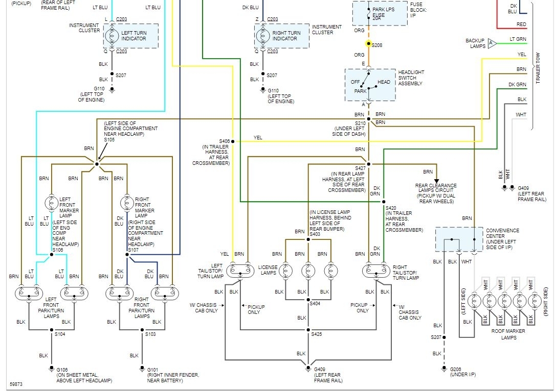
I can drive the truck all day at low speeds with lights on with no problem. However, as soon as I hit 50 MPH, the tail light fuse blows. Headlights, brakes, emergency and turn signals continue with no problem. This happens consistently, time after time. I disconnected the tail tights at the back, fuse still blew at 50 MPH. reconnected tail lights and disconnected the instrument cluster lights, again fuse still blew at 50 MPH. I've found other people having same speed related problem, but no answers.
Apr 16, 2021 at 7:39 PM
Advertisement
Avatar
STEVE W.
  • CERTIFIED EXPERT
  • 15,113 POSTS
Okay, the fuse blows only when the lights are on correct? Not if the lights are off? And this is the 20 amp park light fuse? Do you have roof marker lights? My thinking is that it's a short related to the pressure of air blowing over a part or wire and at 50 it pushes just enough to cause a short. The hard part is how to test this idea. How about this, use a leaf blower or an air wand, turn on the lights, now slowly go around the truck with the air blowing on each lamp as well as across the front grille from straight ahead. I'm thinking a light or the harness powering it is the issue and this might move it to short out and blow the fuse. I'm thinking it's likely up front where the air pressures would be higher. All of the marker lights run off that fuse and most are fed using a brown wire.
Apr 16, 2021 at 9:10 PM