dash lights go off

1997 FORD F-250
115,000 MILES • 5.4L • V8 • 4WD • AUTOMATIC
Avatar
LEXTI
  • MEMBER
  • 2 POSTS
When I turn on headlight or auto lights come on the dash lights go off, and directional arrows stay on and the turn signals d not work when lights are on. They do work when off. When you turn on blower the blower does not work and the relays buzz by brake pedal. (Two relays flasher) When I plugged in a scanner to OBD connector it fixed everything (lights and heat worked)for a day now that does not work anymore.
Dec 2, 2018 at 6:33 PM
Advertisement
Avatar
STRAILER
  • CERTIFIED EXPERT
  • 53,855 POSTS
Hello,

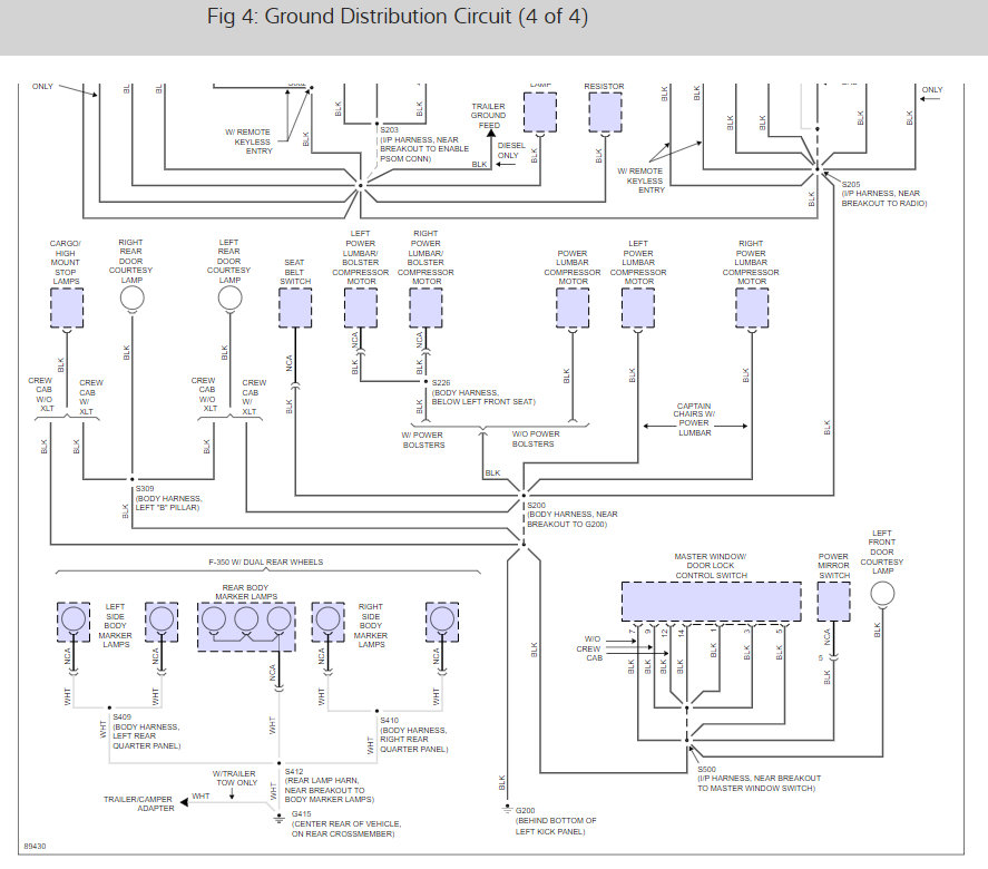
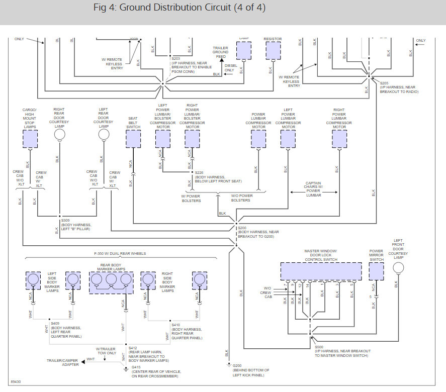
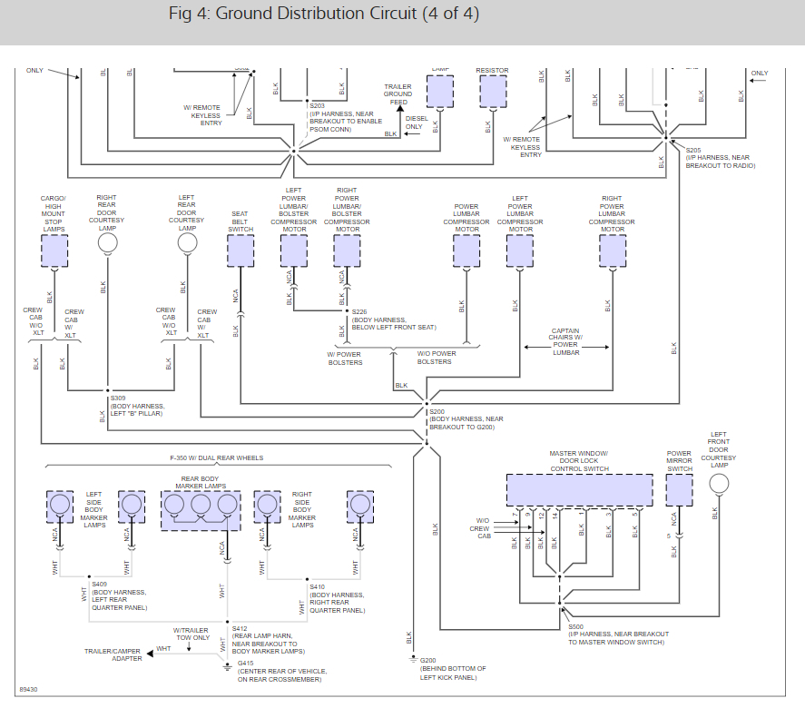
It sounds like you have a bad ground in the system. Here is a guide to help you test the grounds and the wiring diagrams so you can see which ones to test in the diagrams below:

https://www.2carpros.com/articles/how-to-check-wiring

Check out the diagrams (below). Please let us know what you find. We are interested to see what it is.

Cheers, Ken
Dec 4, 2018 at 11:50 AM
Avatar
LEXTI
  • MEMBER
  • 2 POSTS
I saw a few posts with similar problems to my pickup and I found behind the passenger kick panel side was one of the bolted grounds surface has rusted so I moved the ground to the Bolt above it and problem fixed just posting it's a good place to look if your having ground trouble there's 3 bolted grounds to body behind there
Dec 29, 2018 at 4:31 PM
Advertisement
Avatar
STRAILER
  • CERTIFIED EXPERT
  • 53,855 POSTS
Good find can you post a picture of where you found the bad grounds?
Dec 30, 2018 at 11:37 AM