Heater fan

1995 BUICK PARK AVENUE
270,000 MILES • 3.8L • V6 • 2WD • AUTOMATIC
Avatar
GDADKINS
  • MEMBER
  • 1 POST
The heater fan will occasionally turn on with ignition switch in off position running the battery dead. Sometimes the fan will keep running when the ignition switch is turned off.
May 2, 2020 at 1:50 PM
Advertisement
Avatar
ASEMASTER6371
  • CERTIFIED EXPERT
  • 52,796 POSTS
Good evening,

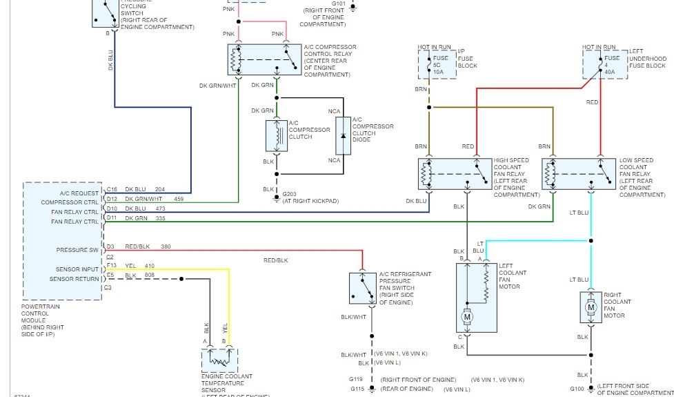
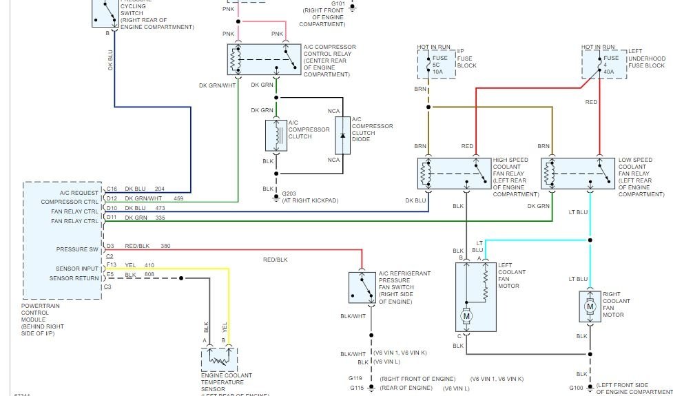
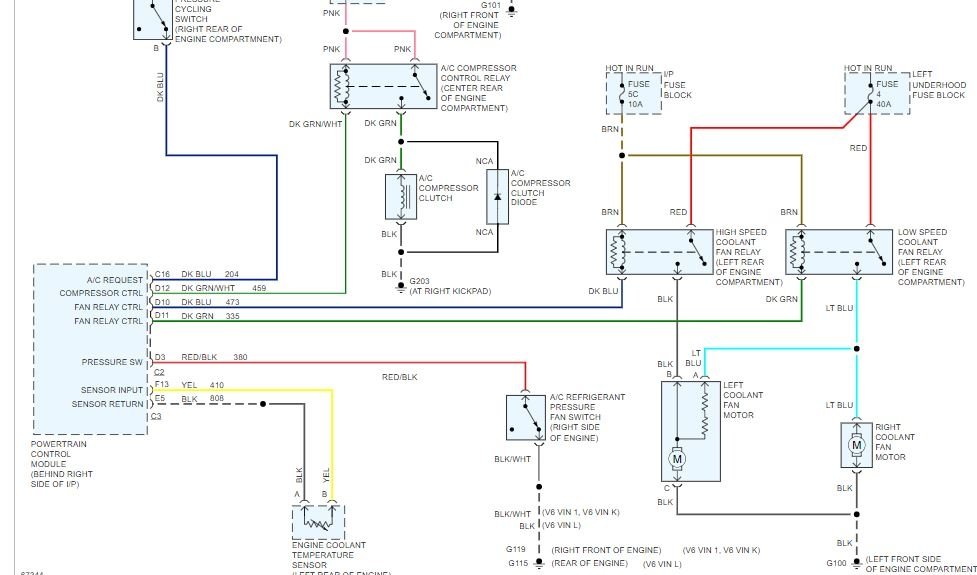
The most common cause for this issue is the blower motor resistor. It shorts to power and the blower will not stop running, even with the key off.

I attached the location and procedure for you along with a wiring diagram.

Roy
May 2, 2020 at 3:31 PM