Electrical problems

1997 FORD THUNDERBIRD
275,000 MILES • 4.6L • V8 • RWD • AUTOMATIC
Avatar
TERESA BISHOP
  • MEMBER
  • 24 POSTS
Dash lights do not work. climate control stopped working. heater fan stuck on high even with climate control removed. blinkers only work par time. no coolant fan. ready to junk it. replaced temp sensor, CCRM, integrated relay module. fuses look okay. checked fan by jumping with battery it is fine. checked ground wires. checked power supply.
Sep 29, 2017 at 6:27 PM
Advertisement
Avatar
STRAILER
  • CERTIFIED EXPERT
  • 53,854 POSTS
It sounds like you have an ignition switch that is out.

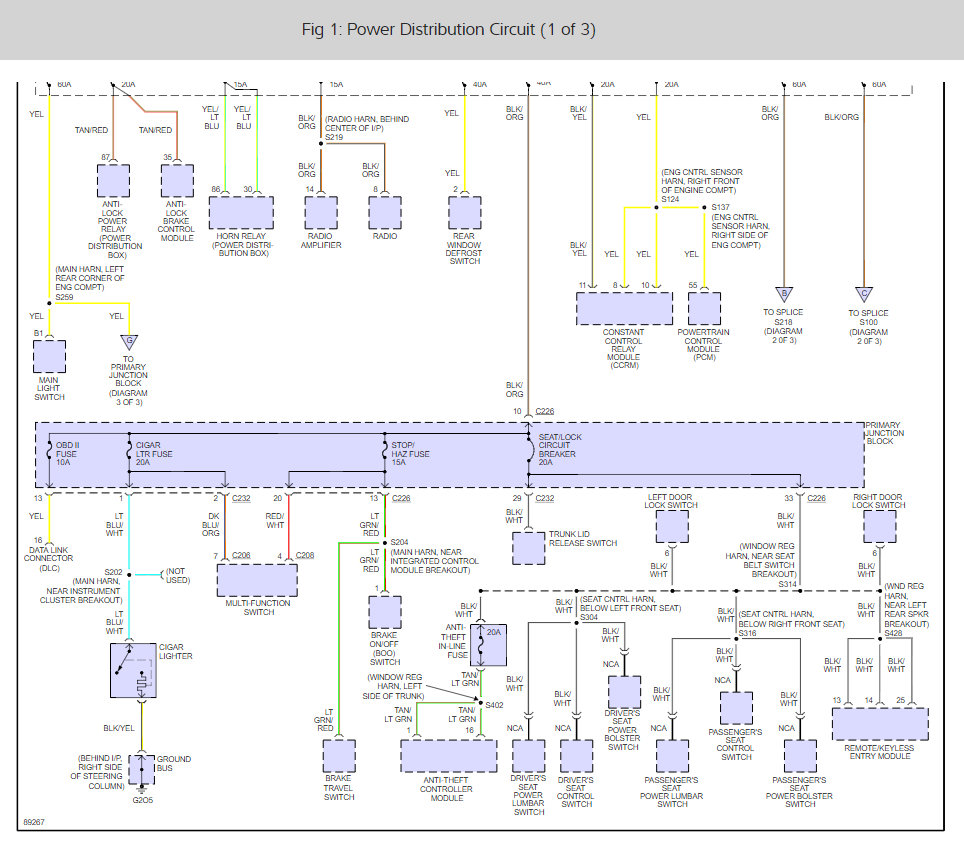
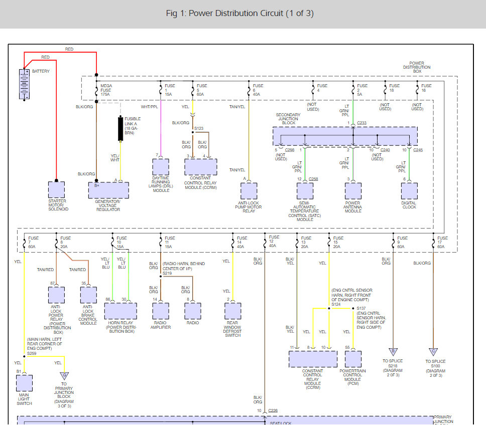
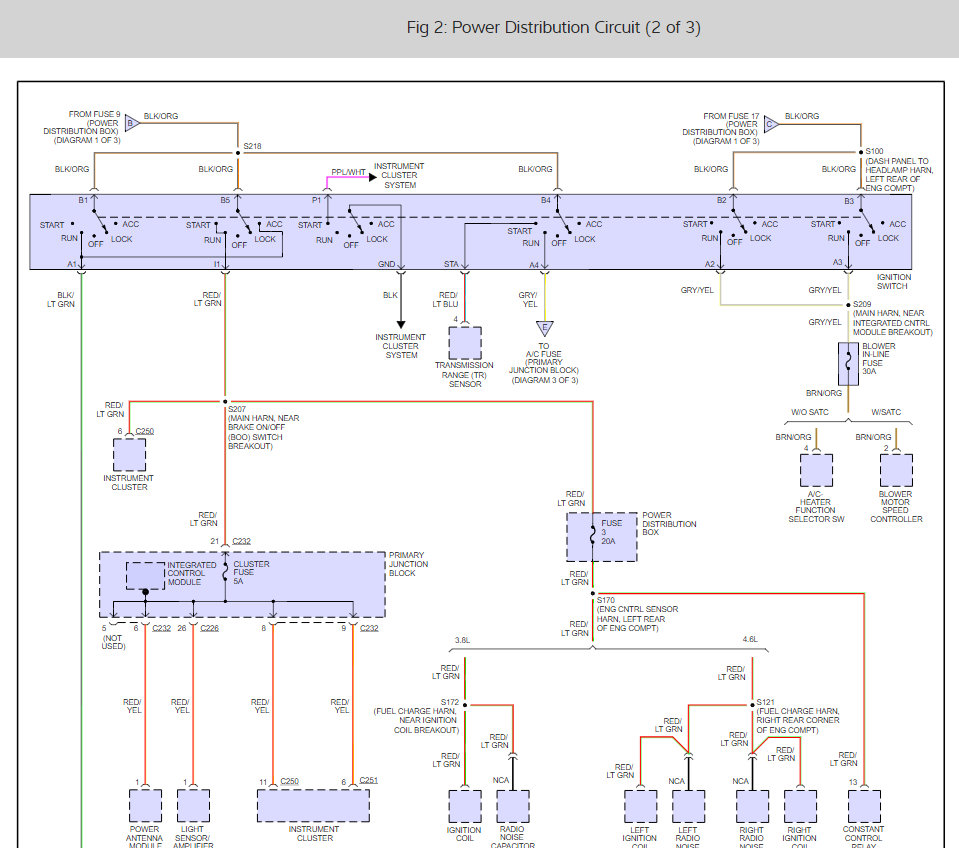
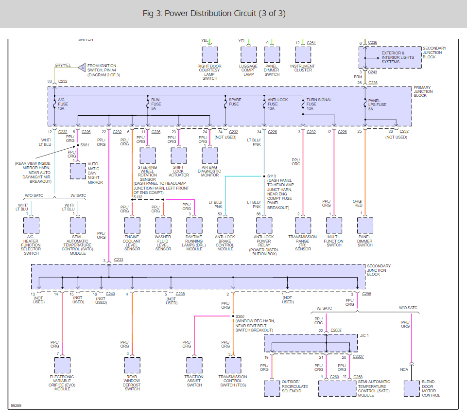
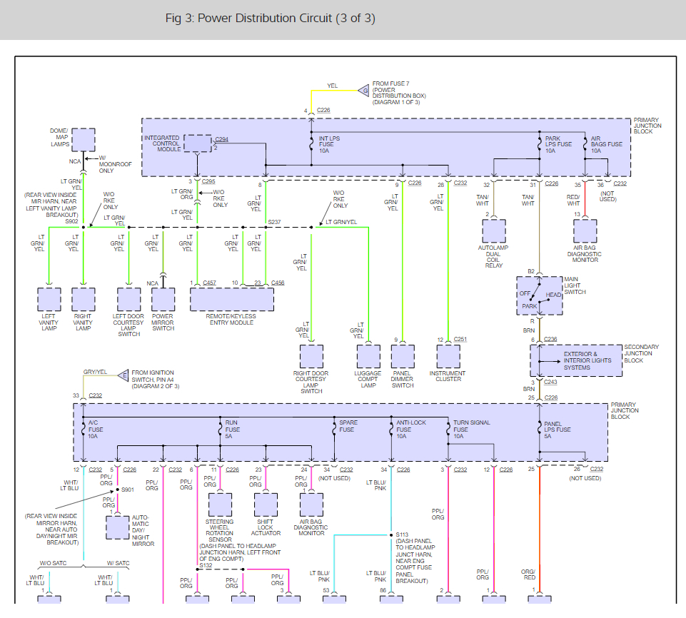
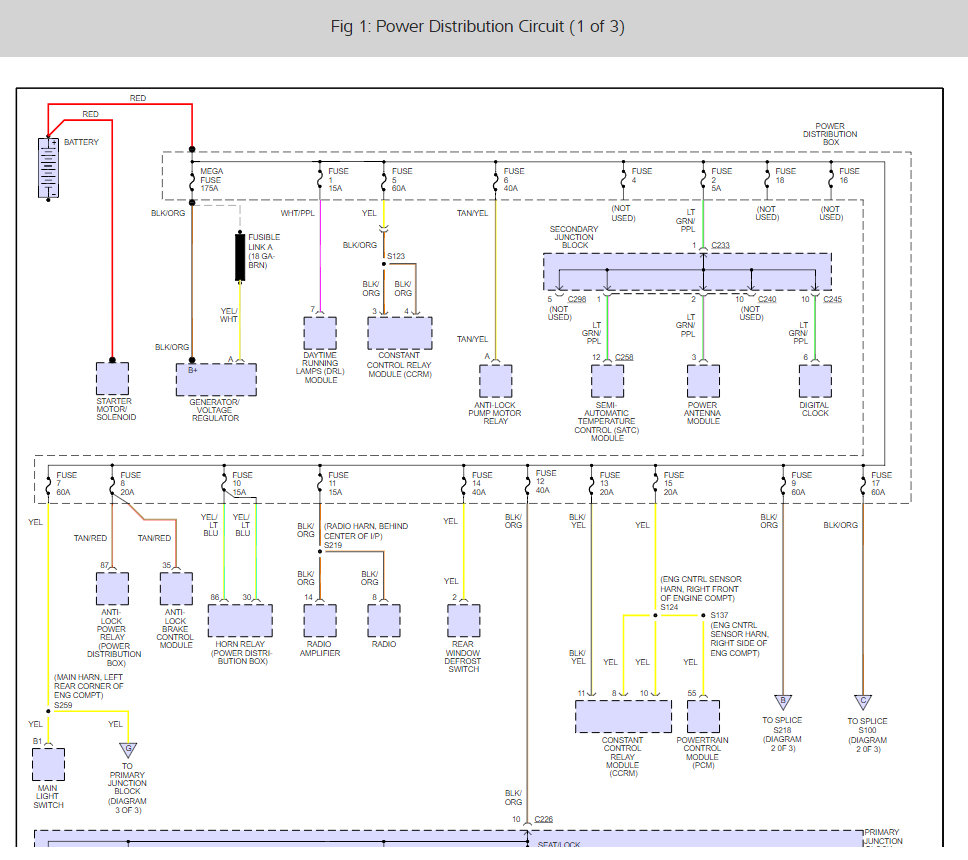
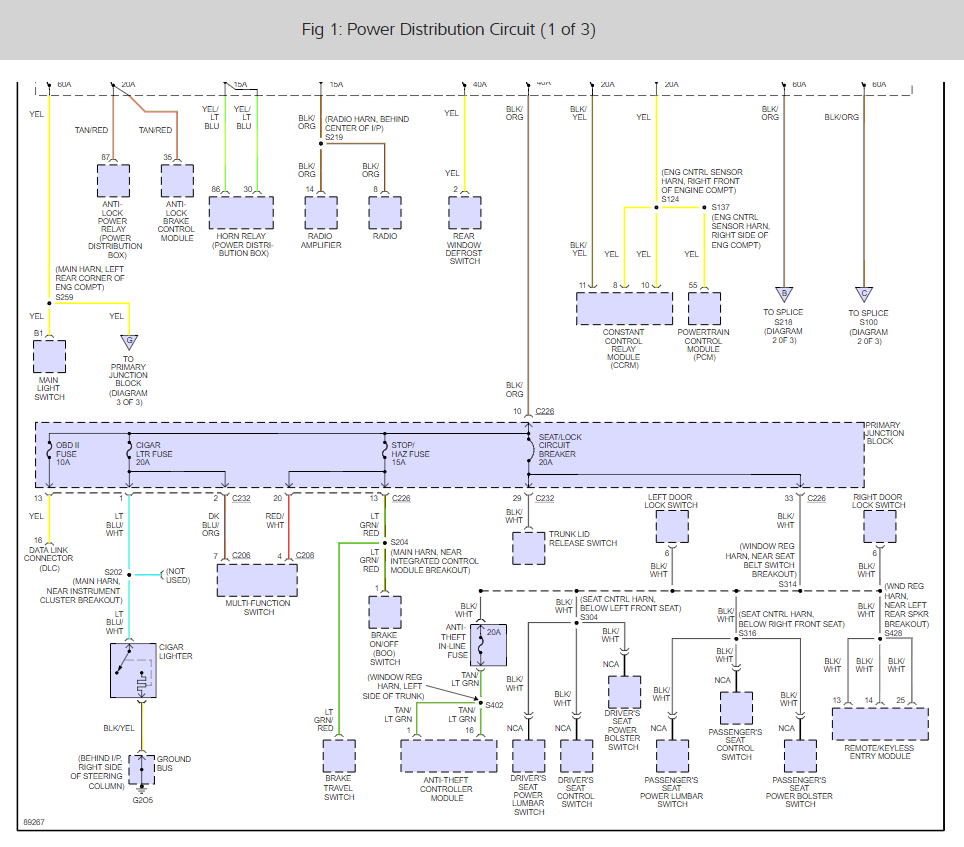
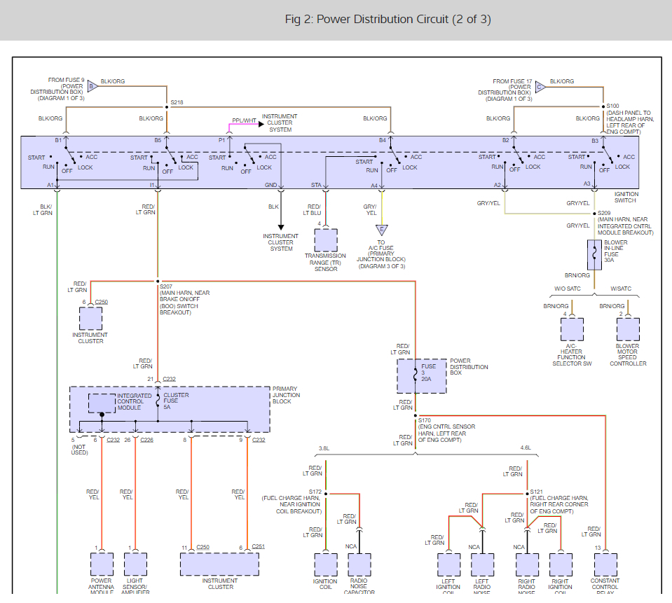
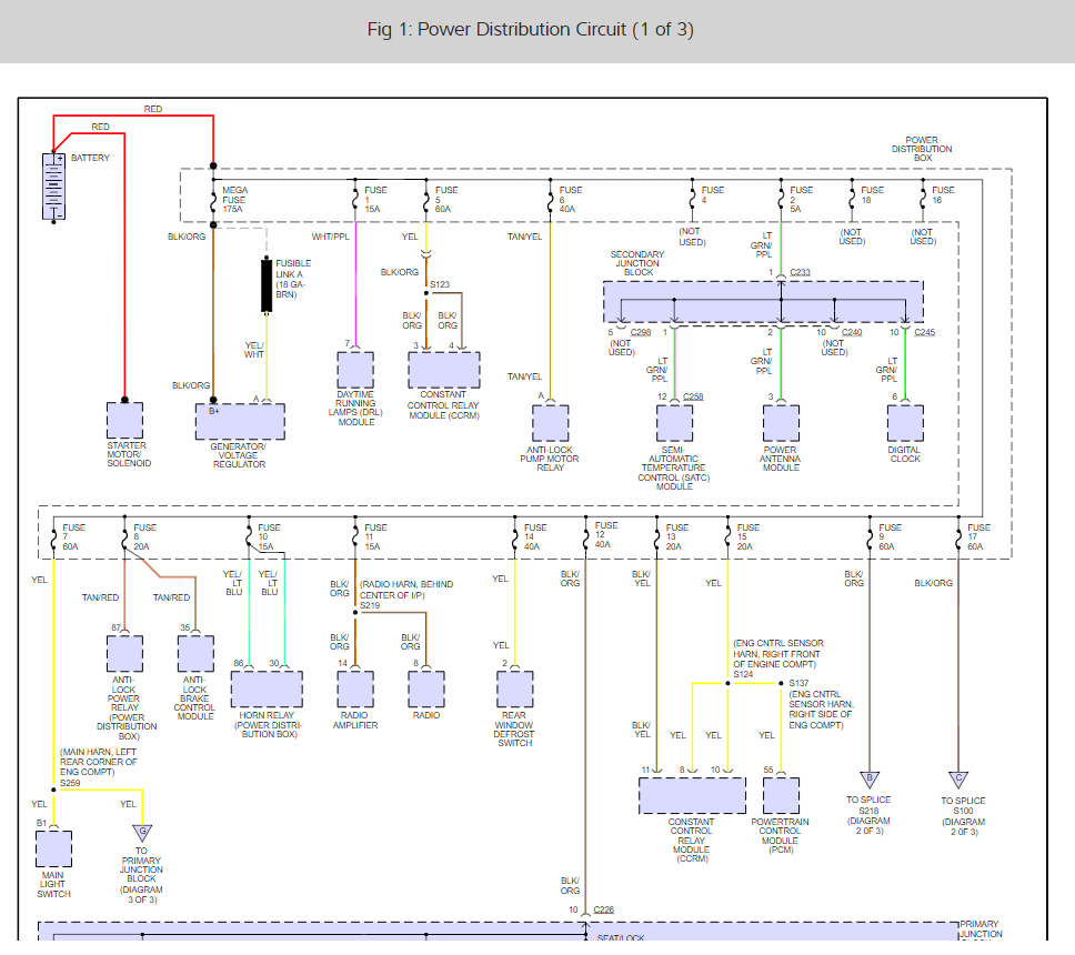
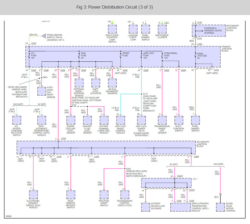
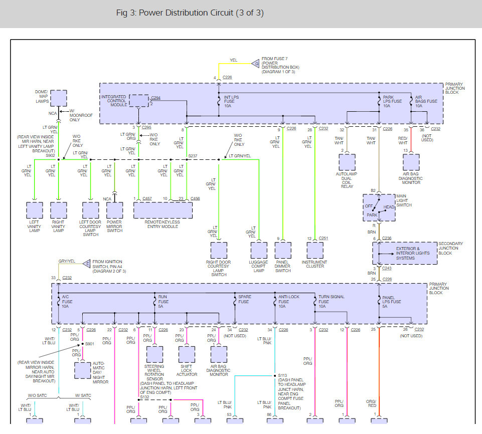
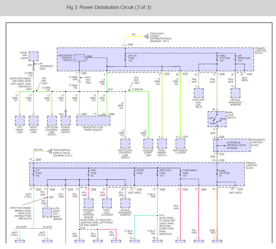
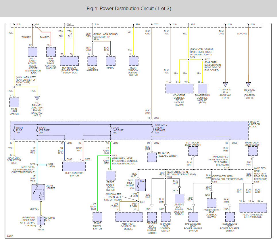
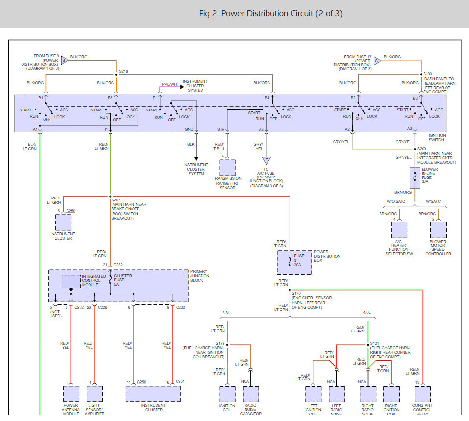
Here is a wiring diagrams so you can do some testing for power at the red and light green wire while following this guide:

https://www.2carpros.com/articles/how-to-use-a-test-light-circuit-tester

Let me know if you don't have power at the wire with the key on then I will send instruction on how to replace the switch.

Please let us know what you find.

Cheers, Ken

Sep 30, 2017 at 5:24 PM